GM Service Manual Online
For 1990-2009 cars only

Removal Procedure


    Object Number: 865993  Size: SH
  1. Raise the vehicle. Refer to Lifting and Jacking the Vehicle .
  2. Support the rear end of the vehicle with jack or utility stands.
  3. Remove the engine protection shield. Refer to Engine Protection Shield Replacement .
  4. Remove the catalytic converter guard. Refer to Catalytic Converter Guard Replacement .
  5. Drain the front drive axle. Refer to Front Axle Lubricant Replacement .
  6. Disconnect the front propeller shaft from the differential carrier assembly. Refer to Front Propeller Shaft Replacement .
  7. Remove the wheel drive shafts from the differential carrier assembly and secure out of the way. Refer to Wheel Drive Shaft Replacement .
  8. Disconnect the vent hose (1) from the differential carrier assembly (2).
  9. Remove the lower control arm crossmember. Refer to Crossmember Replacement .
  10. Attach a transmission jack to the differential carrier assembly.

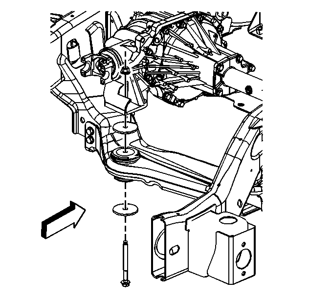
  11. Object Number: 821616  Size: SH
  12. Remove the differential carrier assembly left side axle mount bolt and nut.
  13. Remove the differential carrier assembly right side axle mount bolt and nut.
  14. Remove the differential carrier assembly from the vehicle.

Installation Procedure


    Object Number: 821616  Size: SH
  1. Install the differential carrier assembly to the vehicle.
  2. Perform the following procedure before installing the axle mounting bolts.
  3. 2.1. Remove all traces of the original adhesive patch.
    2.2. Clean the threads of the bolt with brake parts cleaner or the equivalent and allow to dry.
    2.3. Apply Threadlocker GM P/N 12345382 (Canadian P/N 10953489) to the threads of the bolt.

    Notice: Use the correct fastener in the correct location. Replacement fasteners must be the correct part number for that application. Fasteners requiring replacement or fasteners requiring the use of thread locking compound or sealant are identified in the service procedure. Do not use paints, lubricants, or corrosion inhibitors on fasteners or fastener joint surfaces unless specified. These coatings affect fastener torque and joint clamping force and may damage the fastener. Use the correct tightening sequence and specifications when installing fasteners in order to avoid damage to parts and systems.

  4. Install the differential carrier assembly right side axle mount bolt and nut.
  5. Tighten
    Tighten the bolts to 100 N·m (75 lb ft).

  6. Install the differential carrier assembly left side axle mount bolt and nut.
  7. Tighten
    Tighten the bolts to 100 N·m (75 lb ft).

  8. Remove the transmission jack.
  9. Install the lower control arm crossmember. Refer to Crossmember Replacement .

  10. Object Number: 865993  Size: SH
  11. Connect the vent hose (1) to the differential carrier case assembly (2).
  12. Install the wheel drive shafts . Refer to Wheel Drive Shaft Replacement .
  13. Install the front propeller shaft to the differential carrier assembly. Refer to Front Propeller Shaft Replacement .
  14. Inspect the lubricant level and add, if necessary. Refer to Front Axle Lubricant Level Inspection .
  15. Install the catalytic converter guard. Refer to Catalytic Converter Guard Replacement .
  16. Install the engine protection shield. Refer to Engine Protection Shield Replacement .
  17. Remove the jack or utility stands.
  18. Lower the vehicle.