GM Service Manual Online
For 1990-2009 cars only
Makes
🢒
HUMMER
🢒
2003
🢒
H2
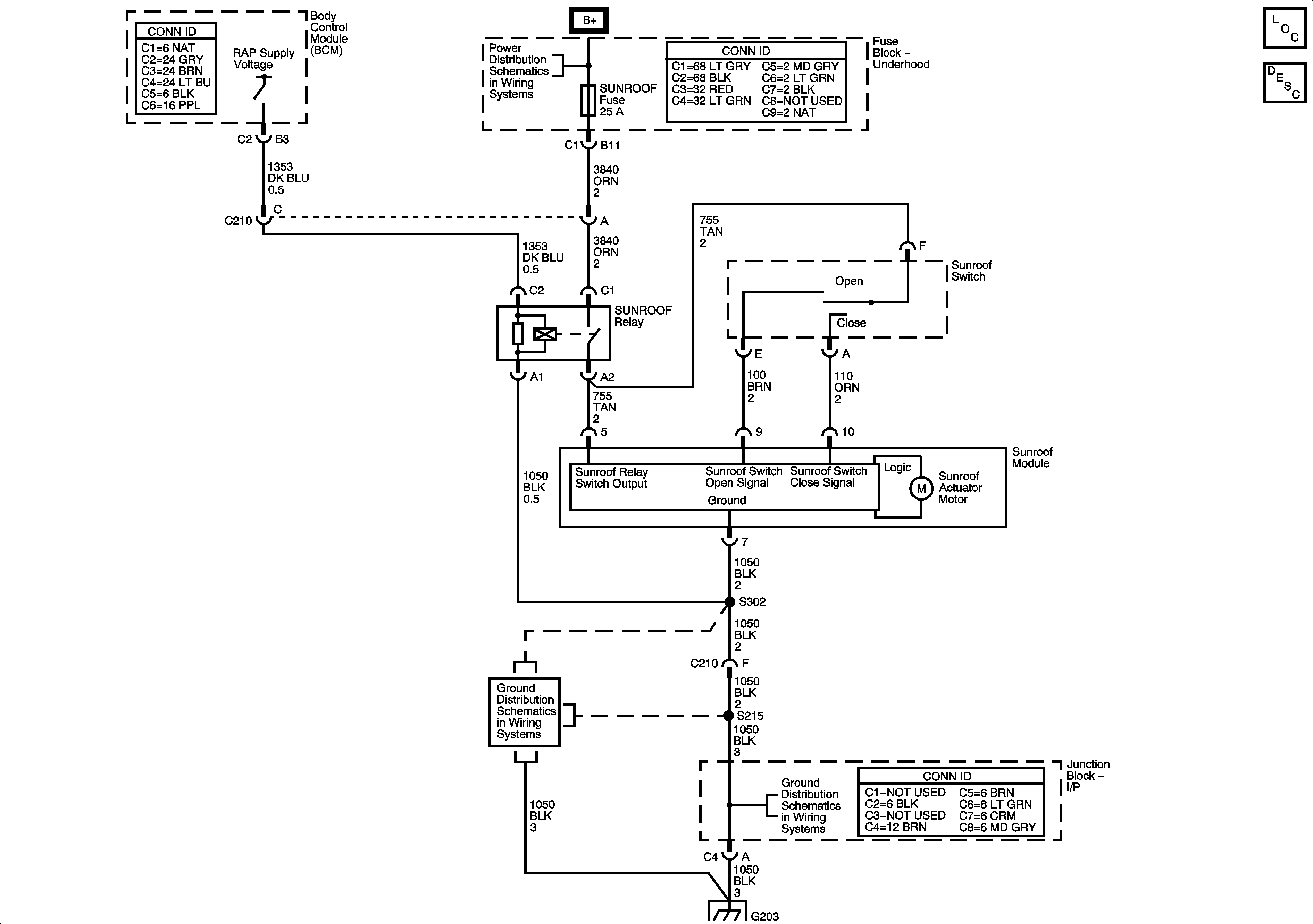
🢒 Power Sunroof Schematics
Power Sunroof Schematics
Master Electrical Component List
Sunroof Description and Operation
B+ Bus
CKT 1050, S203, S215, S302, S303, and S351
CKT 1050, S203, S215, S302, S303, and S351