GM Service Manual Online
For 1990-2009 cars only
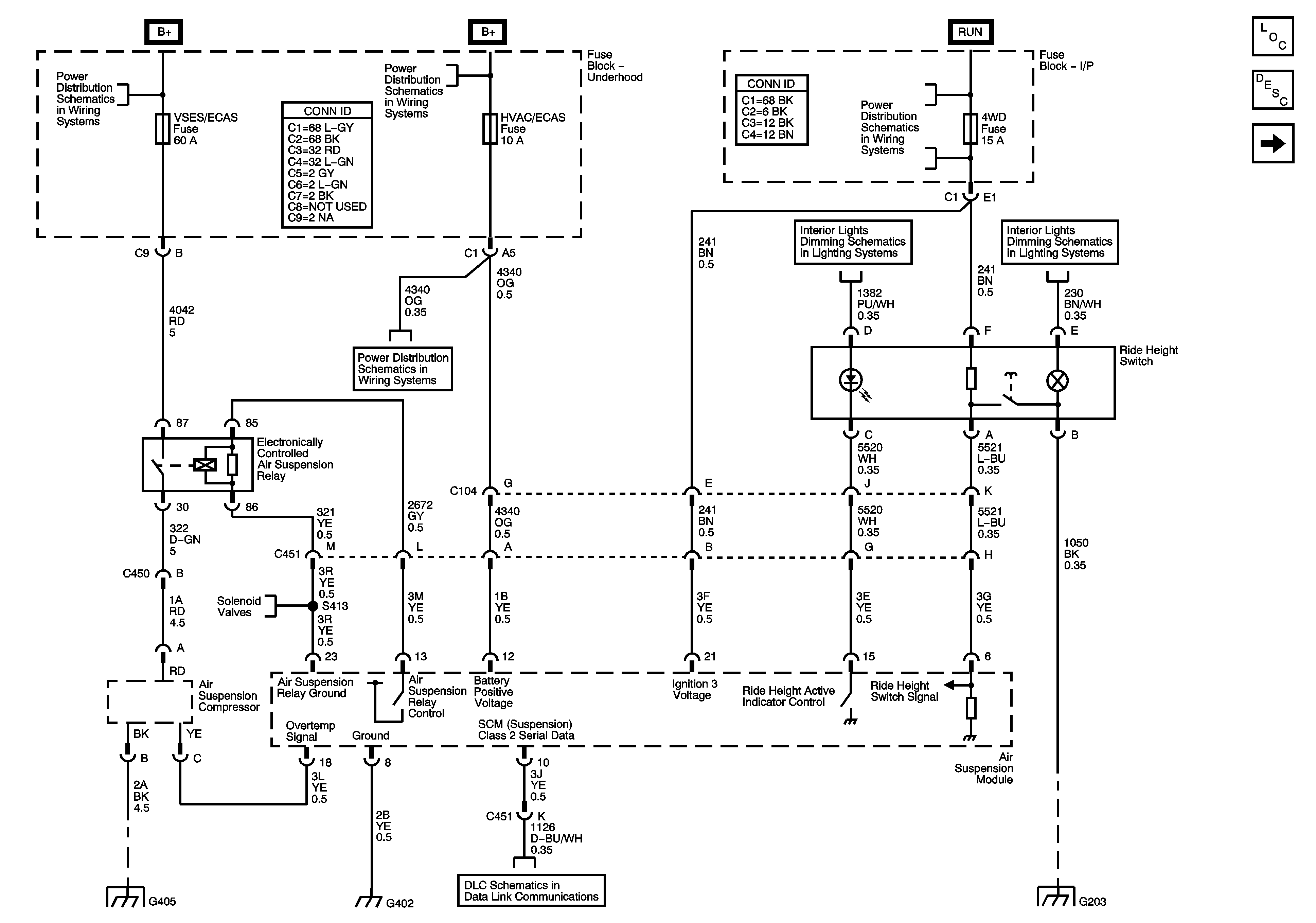
Figure 1:

Power, Ground, DLC, Relay, and Ride Height Switch


Object Number: 1177324  Size: FS
Master Electrical Component List
Air Suspension Description and Operation
Inflator Switch and Suspension Position Sensors
B+Bus
B+Bus
B+Bus
BRAKE, 4WD, CRUISE, HVAC 1, and IGN 3 Fuses
Dimmer Controls, I/P Cluster Illumination, and Switch Indicators
Illumination - Transfer Case Control, Ride Height Control, Inflatable Restraint Disable, and Rear Heated Seat Switches, PRNDL Lamps
CKT 1050: G203, S302, S303, S351, and S215
Power, Ground, DLC, and Splice Pack SP205
G402, G405, and G410
Solenoid Valves and Pressure Sensor
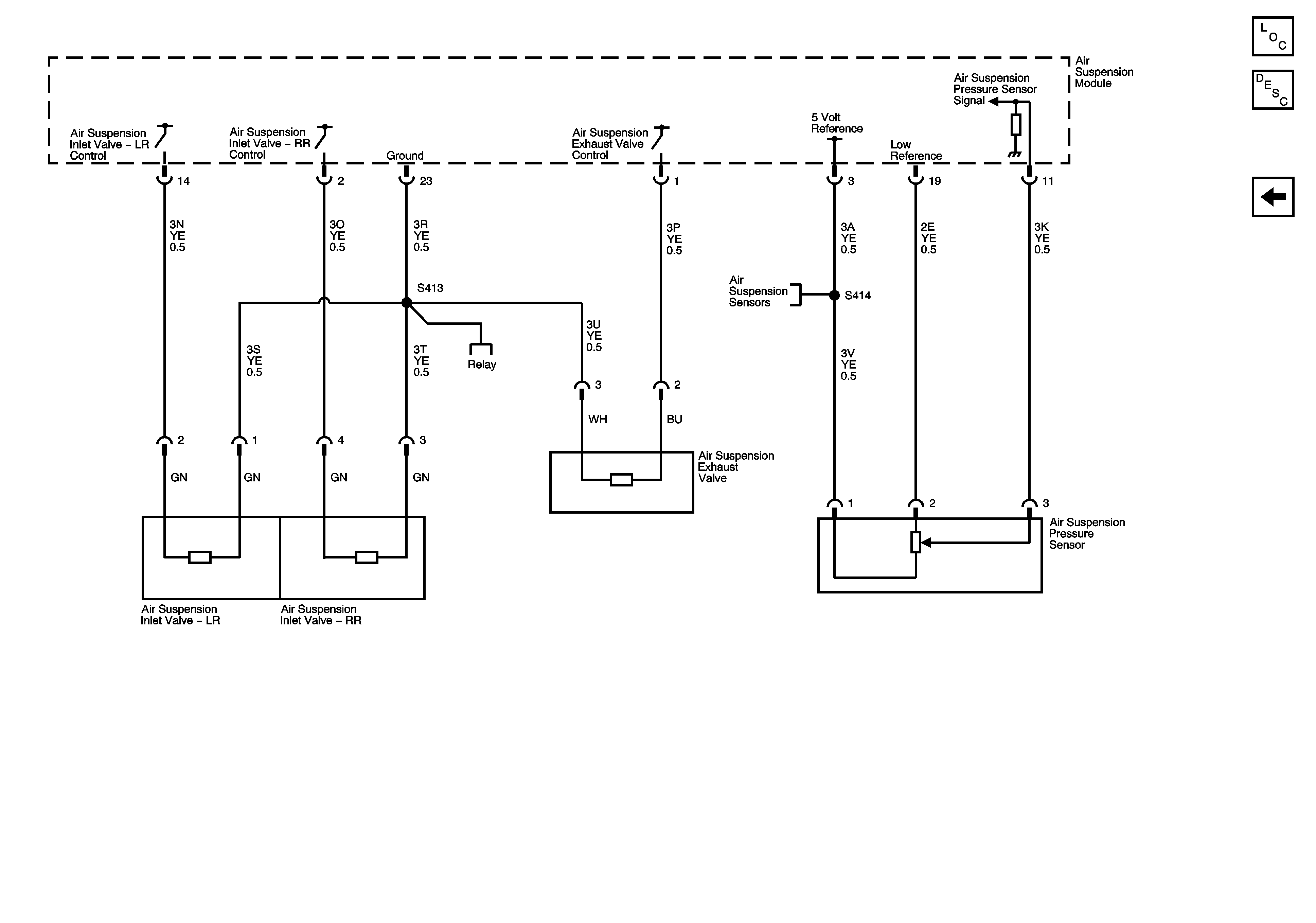
Figure 2:

Inflator Switch and Suspension Position Sensors


Object Number: 1177326  Size: FS
Master Electrical Component List
Air Suspension Description and Operation
Solenoid Valves and Pressure Sensor
Power, Ground, DLC, Relay, and Ride Height Switch
Solenoid Valves and Pressure Sensor
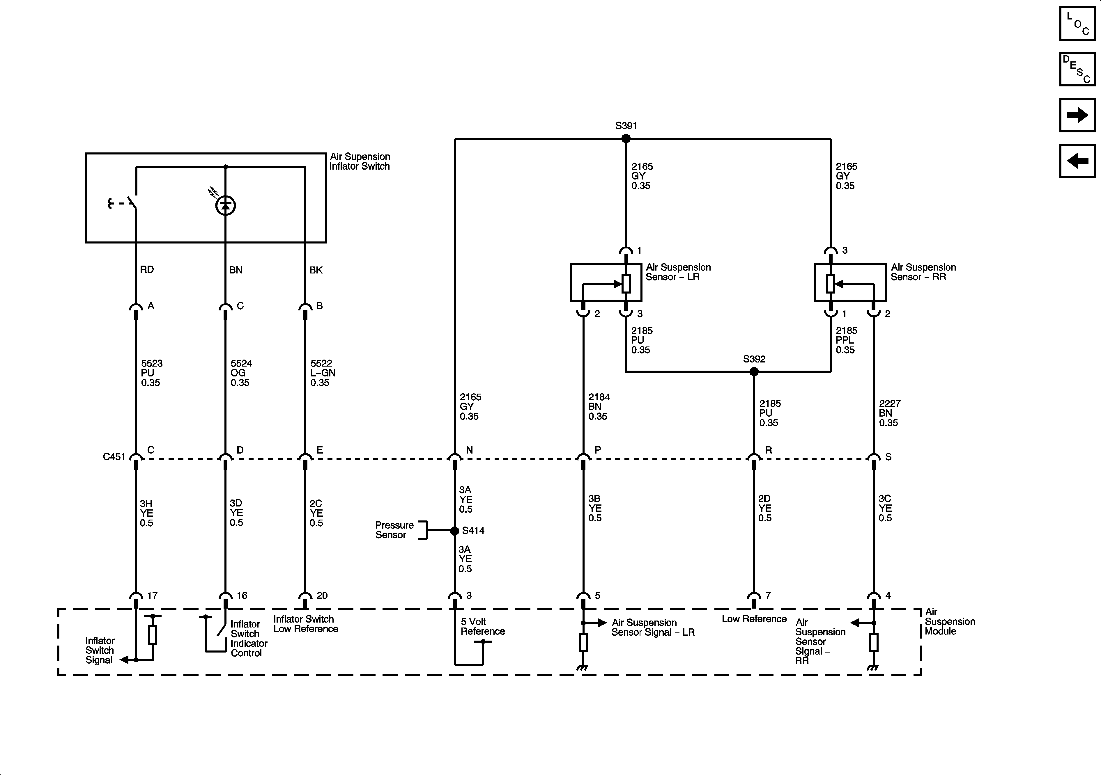
Figure 3:

Solenoid Valves and Pressure Sensor


Object Number: 1177327  Size: FS
Master Electrical Component List
Air Suspension Description and Operation
Inflator Switch and Suspension Position Sensors
Power, Ground, DLC, Relay, and Ride Height Switch
Inflator Switch and Suspension Position Sensors