GM Service Manual Online
For 1990-2009 cars only
Makes
🢒
HUMMER
🢒
2004
🢒
H2
🢒
Accessories
🢒
Navigation Systems
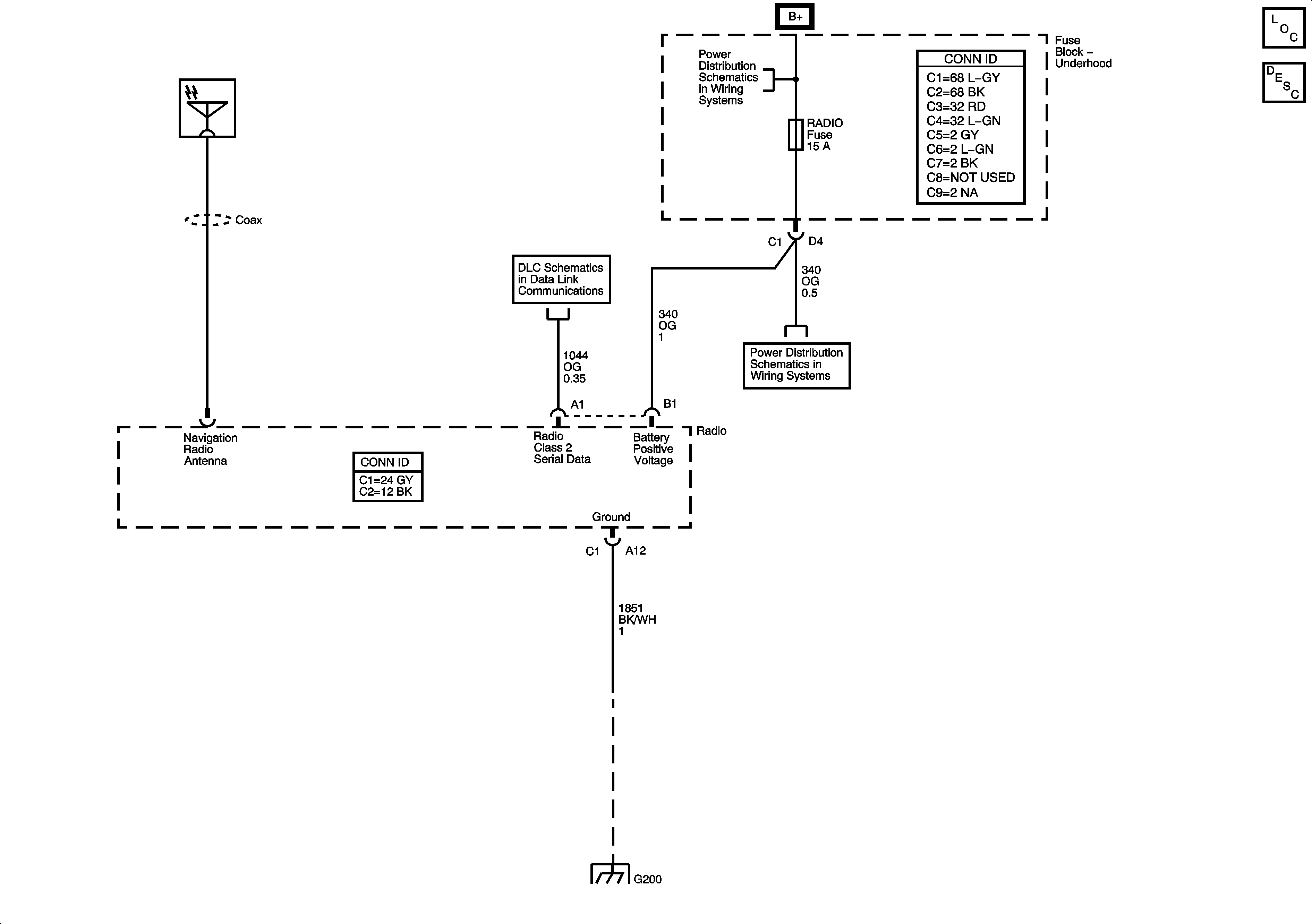
🢒 Navigation System Schematics
Master Electrical Component List
Navigation System Description and Operation
B+Bus
Power, Ground, DLC, and Splice Pack SP205
CIG LTR, AUX PWR 1, SUNROOF, RADIO, RADIO AMP, and RR HVAC Fuses
G200