GM Service Manual Online
For 1990-2009 cars only
Makes
🢒
HUMMER
🢒
2004
🢒
H2
🢒
Accessories
🢒
Garage Door Opener
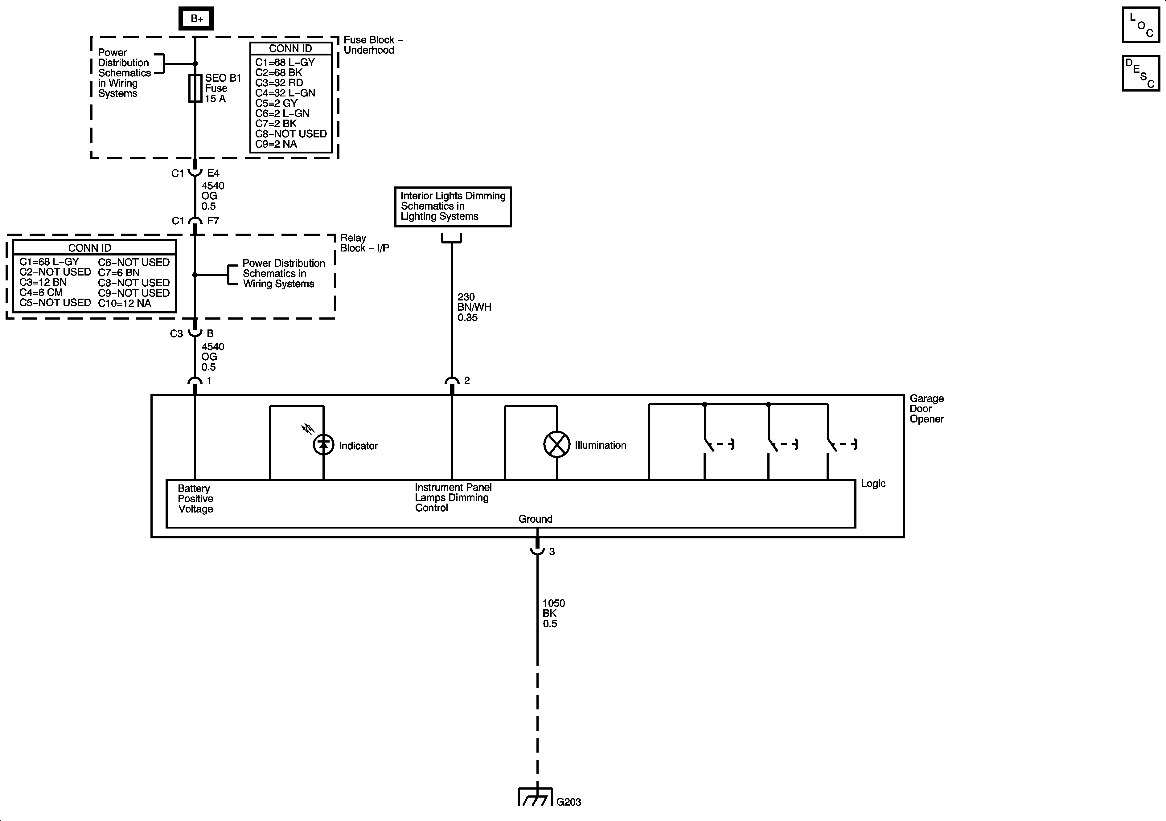
🢒 Garage Door Opener Schematics
Master Electrical Component List
Garage Door Opener Description and Operation
B+Bus
PCM B, TREC, IPC/DIC, TBC BATT, SEO B1, SEO B2, and HVAC/ECAS Fuses
Illumination - Rear Windows, Garage Door Opener, Sunroof, HVAC Control, Headlamp, and Tow/Haul Switches
CKT 1050: G203, S302, S303, S351, and S215