GM Service Manual Online
For 1990-2009 cars only
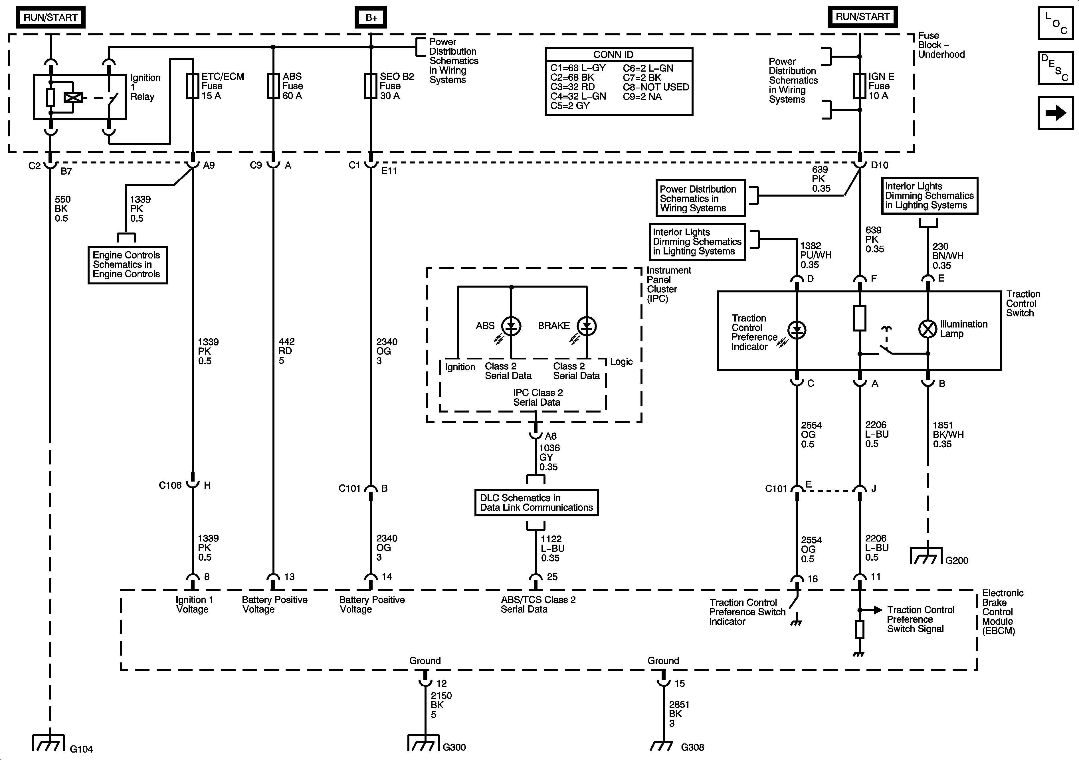
Figure 1:

EBCM Power, Ground, DLC, Indicator Lamps, and Traction Control Switch


Object Number: 1177335  Size: FS
Master Electrical Component List
ABS Description and Operation
Stoplamp Switch and Longitudinal Accelerometer Inputs
ETC/ECM, PCM I, INJ 1, and INJ 2 Fuses
B+Bus
SEO IGN, SIR, and IGN E Fuses
Dimmer Controls, I/P Cluster Illumination, and Switch Indicators
SEO IGN, SIR, and IGN E Fuses
Illumination - Traction Control, Steering Wheel Controls, and Rear Window Washer/Wiper Switches
Power, Ground, DLC, and Splice Pack SP205
G308, G310, G401, and G300
G104 and G106
Figure 2:

Stoplamp Switch and Longitudinal Accelerometer Inputs


Object Number: 1177342  Size: FS
Master Electrical Component List
ABS Description and Operation
Wheel Speed Sensor Inputs
EBCM Power, Ground, DLC, Indicator Lamps, and Traction Control Switch
Stop Lamps
Power, BCM, PCM, Class 2, Stop Lamp Switch, Tow/Haul Switch, and Shift Solenoids
Power, Ground, DLC, and Splice Pack SP205
Stop Lamps
Figure 3:

Wheel Speed Sensor Inputs


Object Number: 1177345  Size: FS
Master Electrical Component List
ABS Description and Operation
Stoplamp Switch and Longitudinal Accelerometer Inputs
Antilock Brake System Schematic Icons
Antilock Brake System Schematic Icons
Antilock Brake System Schematic Icons
Antilock Brake System Schematic Icons