GM Service Manual Online
For 1990-2009 cars only
Makes
🢒
HUMMER
🢒
2004
🢒
H2
🢒 Power Sunroof Schematics
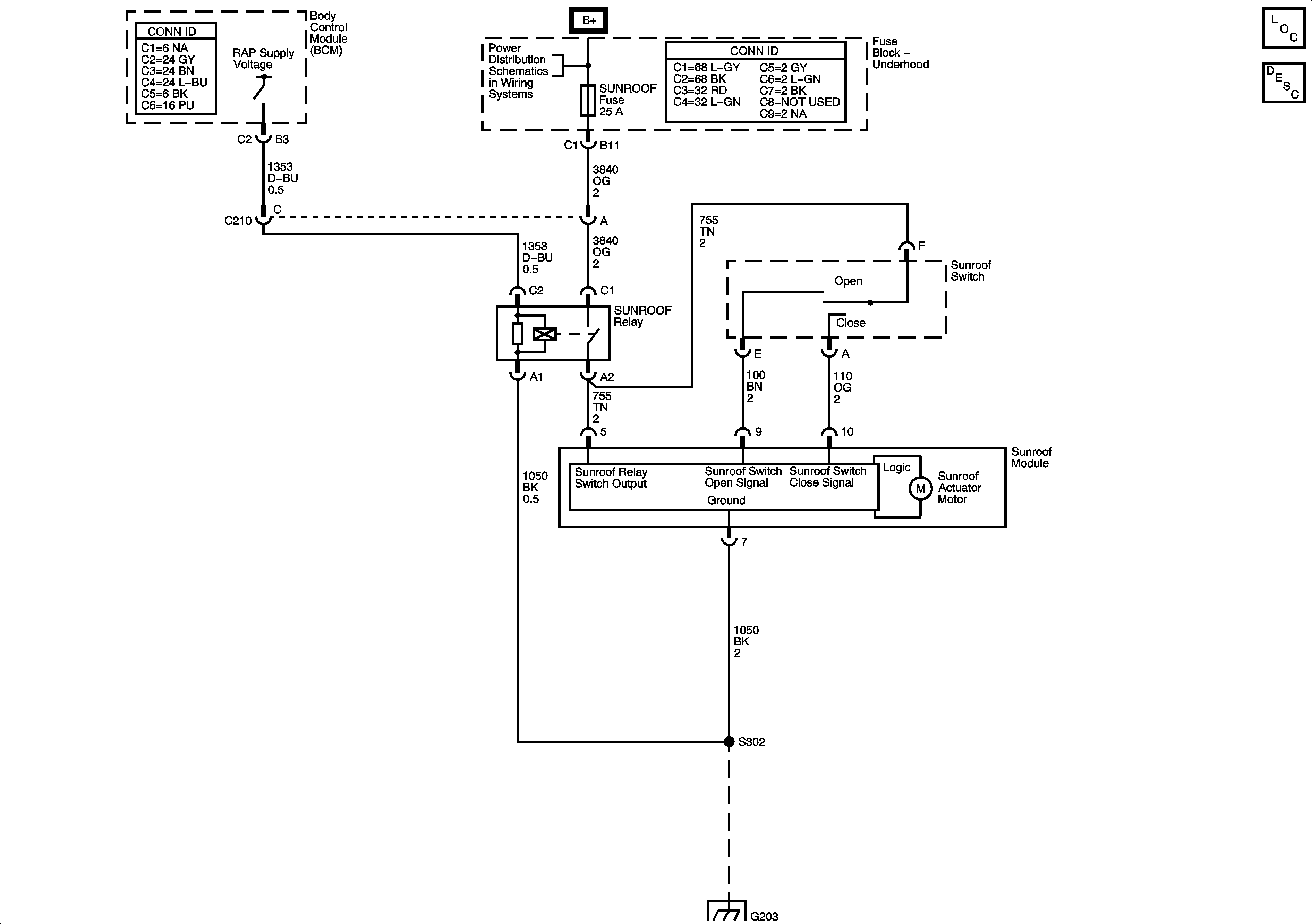
Power Sunroof Schematics
Master Electrical Component List
Sunroof Description and Operation
B+Bus
CKT 1050: G203, S302, S303, S351, and S215