GM Service Manual Online
For 1990-2009 cars only
Makes
🢒
HUMMER
🢒
2005
🢒
H2
🢒
Engine
🢒
Engine Electrical
🢒 Starting and Charging Schematics
Figure
1:
Starting
Master Electrical Component List
Starting System Description and Operation
Charging Schematics
SEO IGN, SIR, and IGN E Fuses
ACCY/RUN/START, RUN, and START Bus Bars, and CRANK Fuse
ACCY/RUN/START, RUN, and START Bus Bars, and CRANK Fuse
B+Bus
G100
G102 and G103
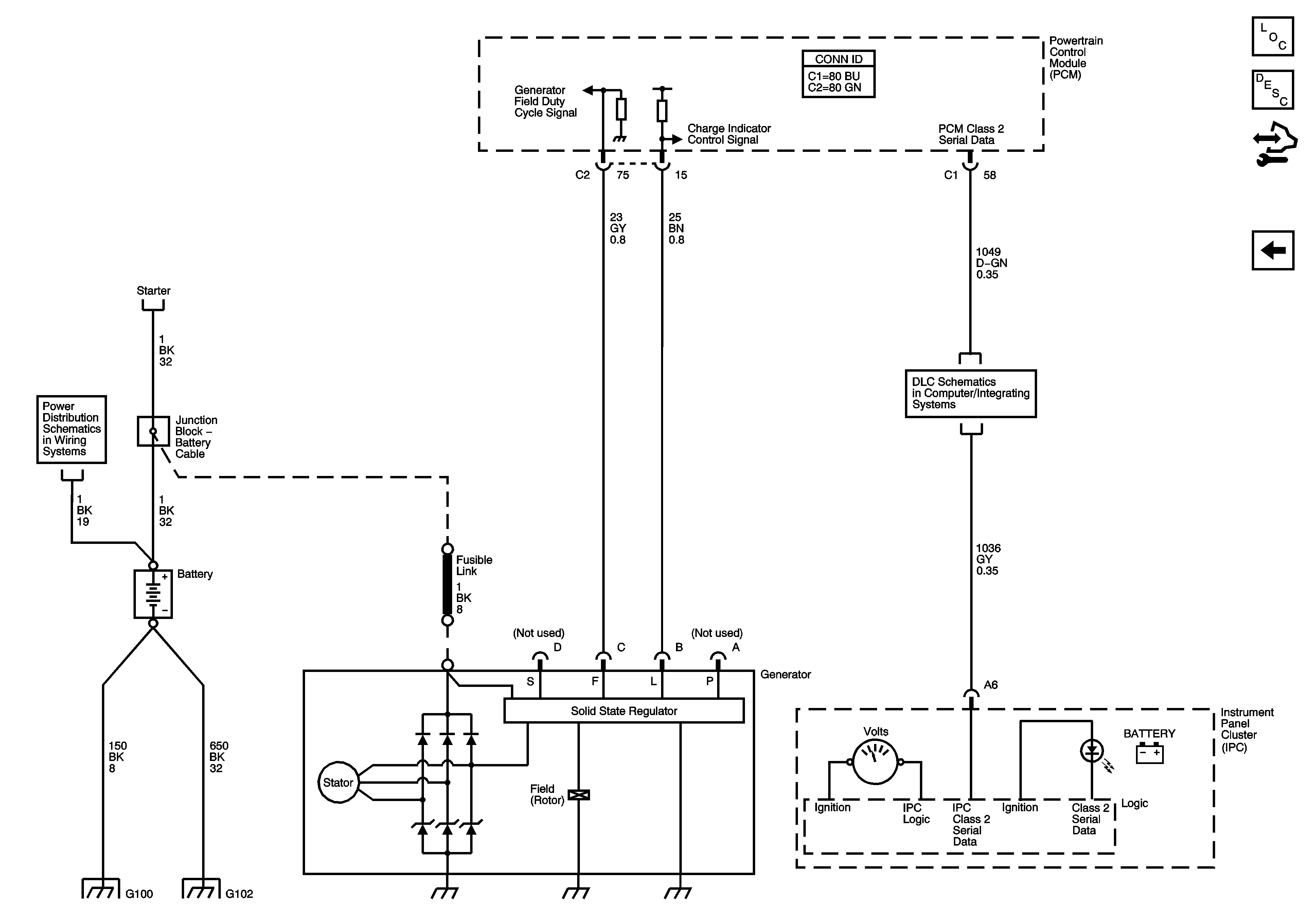
Figure
2:
Charging
Master Electrical Component List
Charging System Description and Operation
Starting Schematics
Power, Ground, DLC, and Splice Pack SP205
Starting Schematics
B+Bus
G102 and G103
G100