GM Service Manual Online
For 1990-2009 cars only

Isolator Compressor Automatic Level Control Air Replacement Single Compressor

Removal Procedure

Caution: Do NOT remove an air supply pipe in an attempt to depressurize the air suspension. Always follow the Air Suspension Depressurization Procedure in Air Suspension. Failure to follow this procedure may cause personal injury or damage to the vehicle.

  1. Remove the compressor assembly from the vehicle and place on a bench. Refer to Compressor Assembly Automatic Level Control Air Replacement .

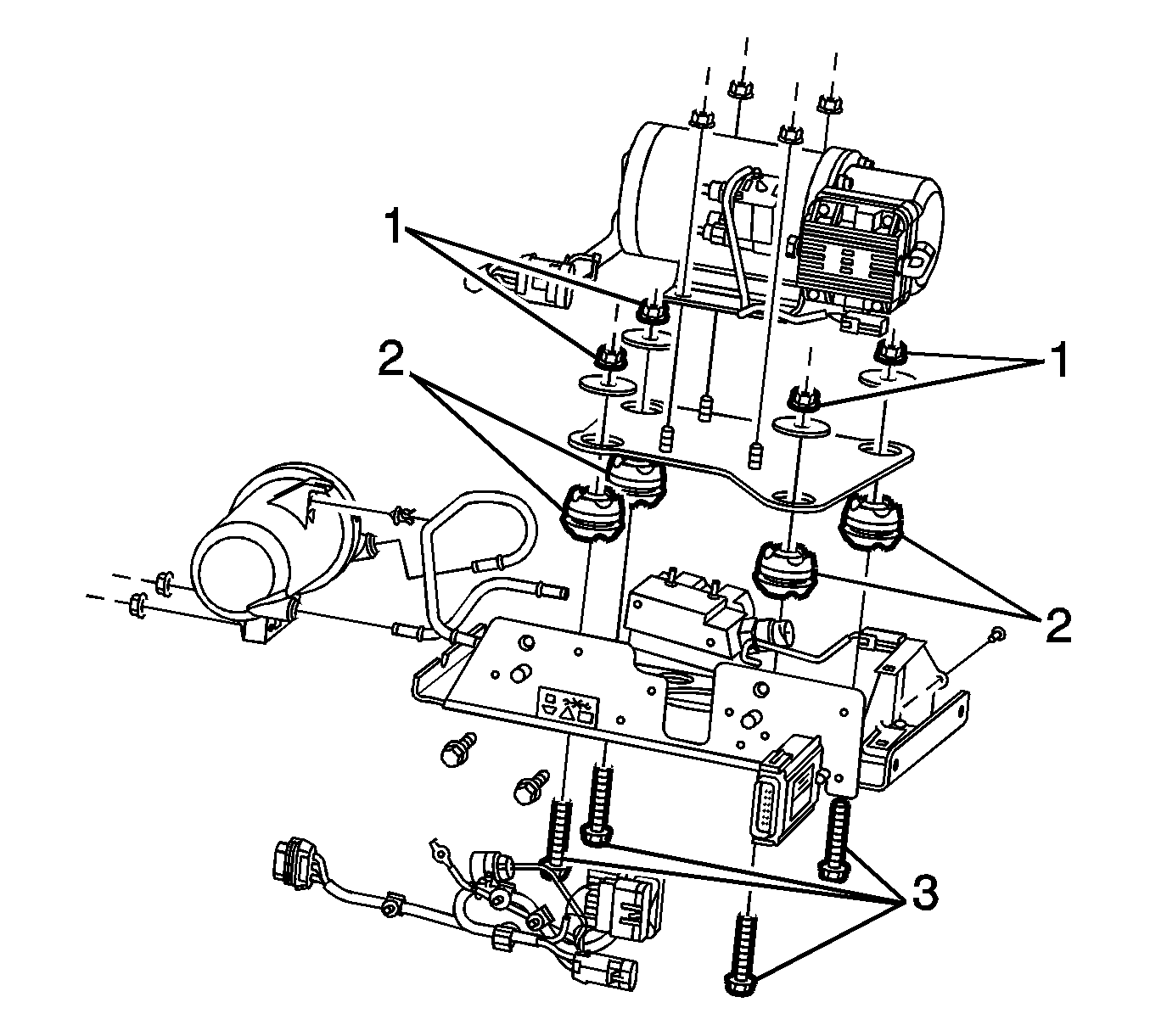
  2. Object Number: 1234299  Size: SH
  3. Remove the mounting nuts (1).
  4. Remove the mounting bolts (3).
  5. Remove the isolators (2).

Installation Procedure


    Object Number: 1234299  Size: SH
  1. Install the isolators (2).
  2. Install the mounting bolts (3).
  3. Notice: Refer to Fastener Notice in the Preface section.

  4. Install the mounting nuts (1).
  5. Tighten
    Tighten the nuts to 25 N·m (18 lb ft).

  6. Install the compressor assembly to the vehicle. Refer to Compressor Assembly Automatic Level Control Air Replacement .

Isolator Compressor Automatic Level Control Air Replacement Dual Compressors

Removal Procedure

Caution: Do NOT remove an air supply pipe in an attempt to depressurize the air suspension. Always follow the Air Suspension Depressurization Procedure in Air Suspension. Failure to follow this procedure may cause personal injury or damage to the vehicle.


    Object Number: 1455969  Size: MH
  1. Remove the compressor assembly from the vehicle and place on a bench. Refer to Compressor Assembly Automatic Level Control Air Replacement .
  2. Remove the mounting nuts (1).
  3. Remove the mounting bolts (2).
  4. Remove the isolators (3).

Installation Procedure


    Object Number: 1455969  Size: MH
  1. Install the isolators (3).
  2. Install the mounting bolts (2).
  3. Notice: Refer to Fastener Notice in the Preface section.

  4. Install the mounting nuts (1).
  5. Tighten
    Tighten the nuts to 25 N·m (18 lb ft).

  6. Install the compressor assembly to the vehicle. Refer to Compressor Assembly Automatic Level Control Air Replacement .