GM Service Manual Online
For 1990-2009 cars only
Makes
🢒
HUMMER
🢒
2005
🢒
H2
🢒
Body
🢒
Body Rear End
🢒 Body Rear End Schematics
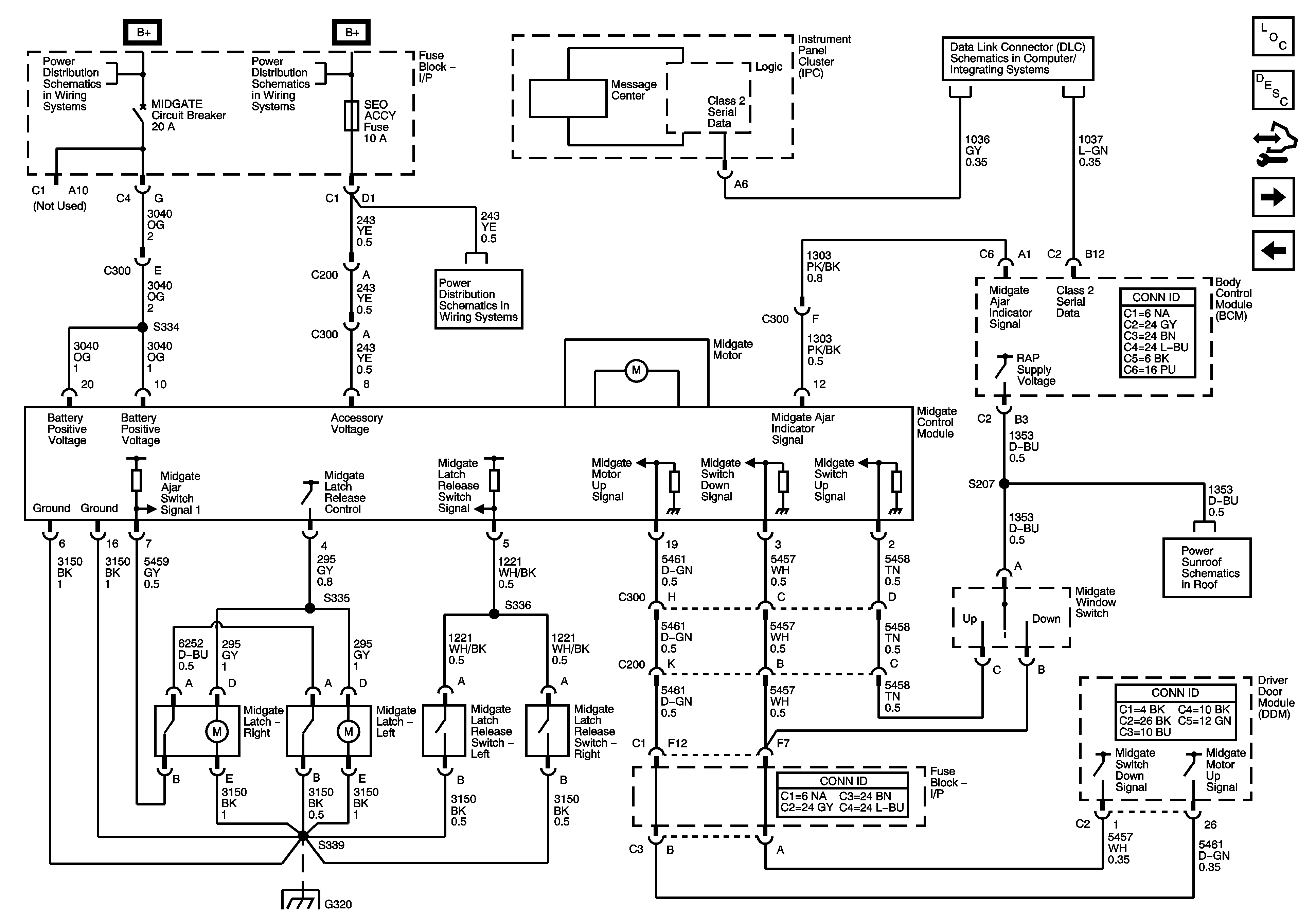
Midgate (SUT)