GM Service Manual Online
For 1990-2009 cars only
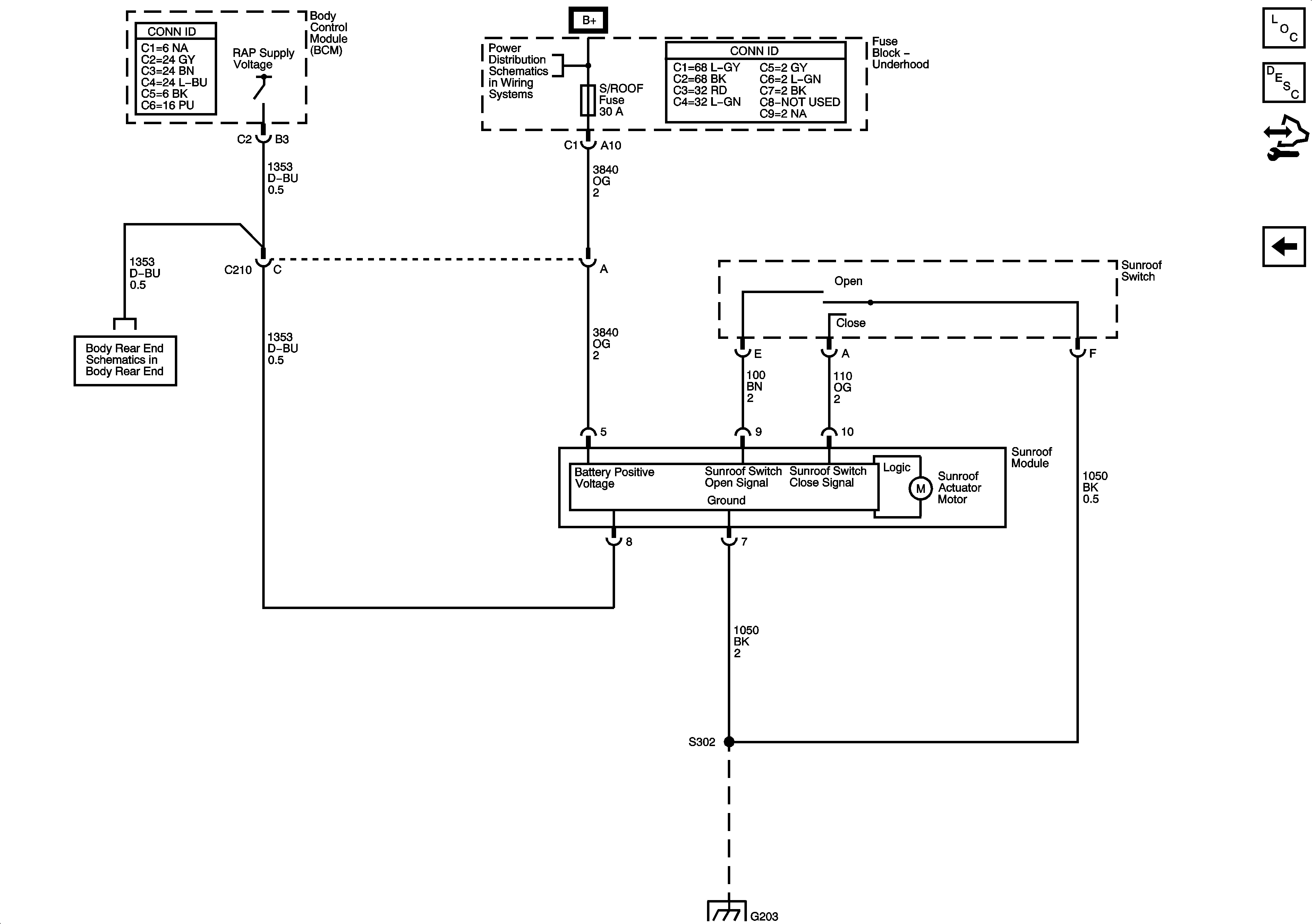
Figure 1:

Early Production, Non-Express Open


Object Number: 1507301  Size: FS
Master Electrical Component List
Sunroof Description and Operation
Control Module References
Late Production, Express Open
AUX PWR, CIG LTR, RADIO, RADIO AMP and SUNROOF Fuses
G203 - 1 of 2
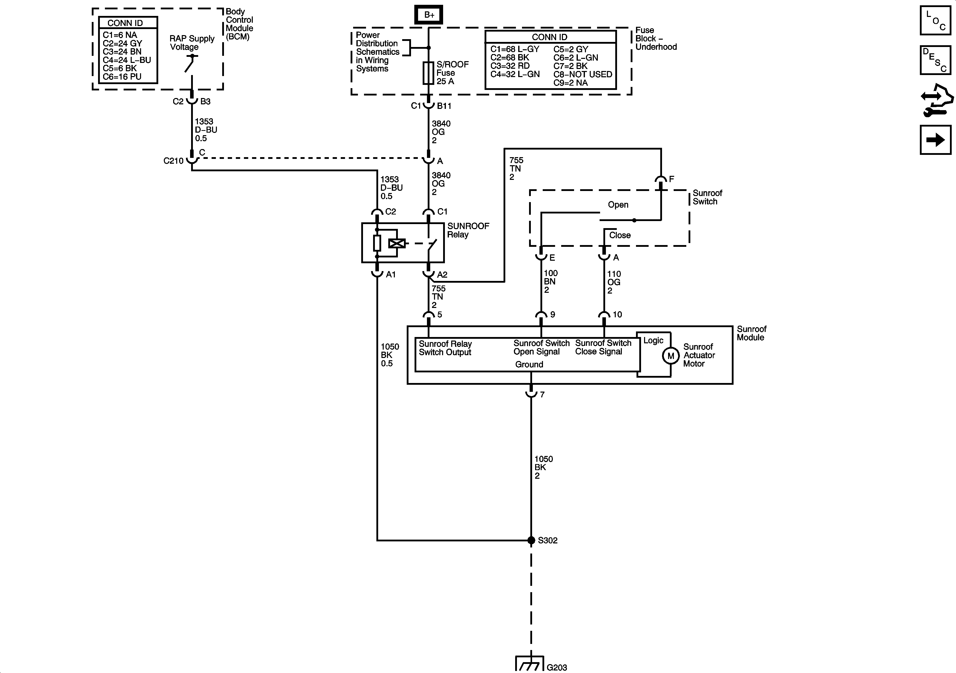
Figure 2:

Late Production, Express Open


Object Number: 1686252  Size: FS
Master Electrical Component List
Sunroof Description and Operation
Control Module References
Early Production, Non-Express Open
Midgate SUT
AUX PWR, CIG LTR, RADIO, RADIO AMP and SUNROOF Fuses
G203 - 1 of 2