GM Service Manual Online
For 1990-2009 cars only
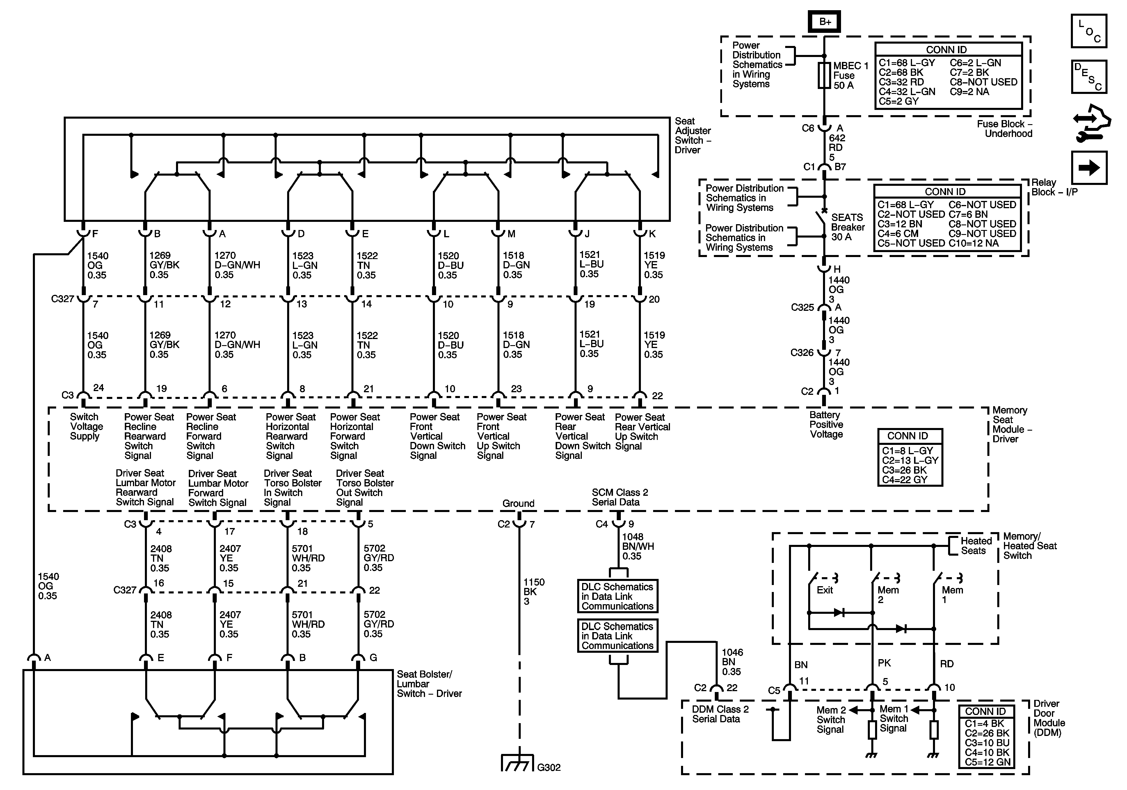
Figure 1:

Memory Controls


Object Number: 1507312  Size: FS
Master Electrical Component List
Memory Seats Description and Operation
Power and Lumbar Motors and Sensors
B+Bus
STUD 1, STUD 2, VSES/ECAS, BLOWER, ABS, MBEC 1 Fuses, RT DOORS and SEATS Circuit Breakers
Heat Controls
Splice Packs SP 206 and SP 207, and Dedicated TAC Serial Data Circuits
Power, Ground, DLC, and Splice Pack SP205
G302, G304, and G306
Figure 2:

Position Sensors and Motors


Object Number: 1507313  Size: FS
Master Electrical Component List
Memory Seats Description and Operation
Heat Controls
Power, Ground, and Power and Lumbar Controls
Heat Controls
Heat Controls
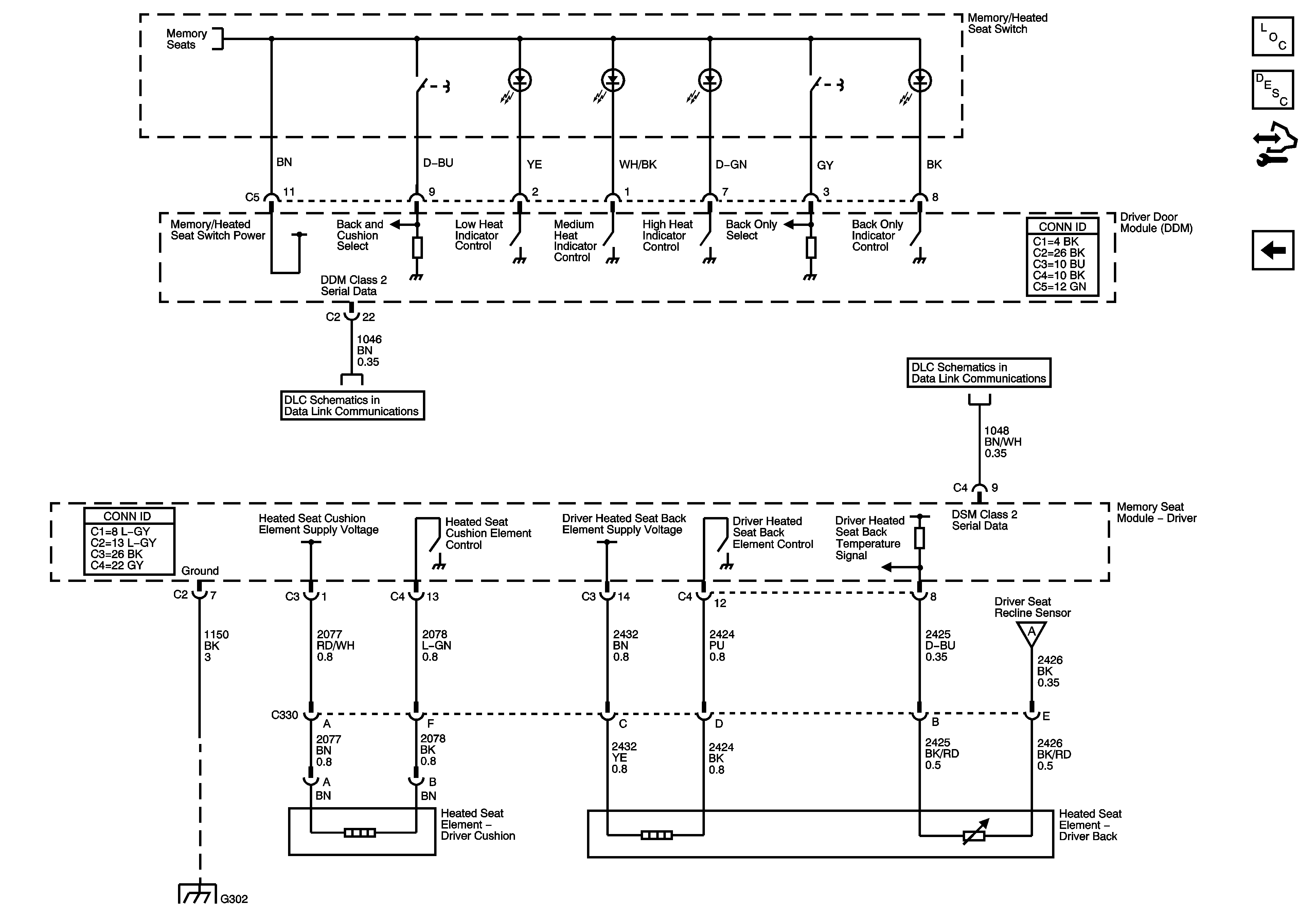
Figure 3:

Heat


Object Number: 1507314  Size: FS
Master Electrical Component List
Heated Seats Description and Operation Front
Power and Lumbar Motors and Sensors
Power, Ground, and Power and Lumbar Controls
Power, Ground, DLC, and Splice Pack SP205
Splice Packs SP 206 and SP 207, and Dedicated TAC Serial Data Circuits
Power and Lumbar Motors and Sensors
G302, G304, and G306