GM Service Manual Online
For 1990-2009 cars only
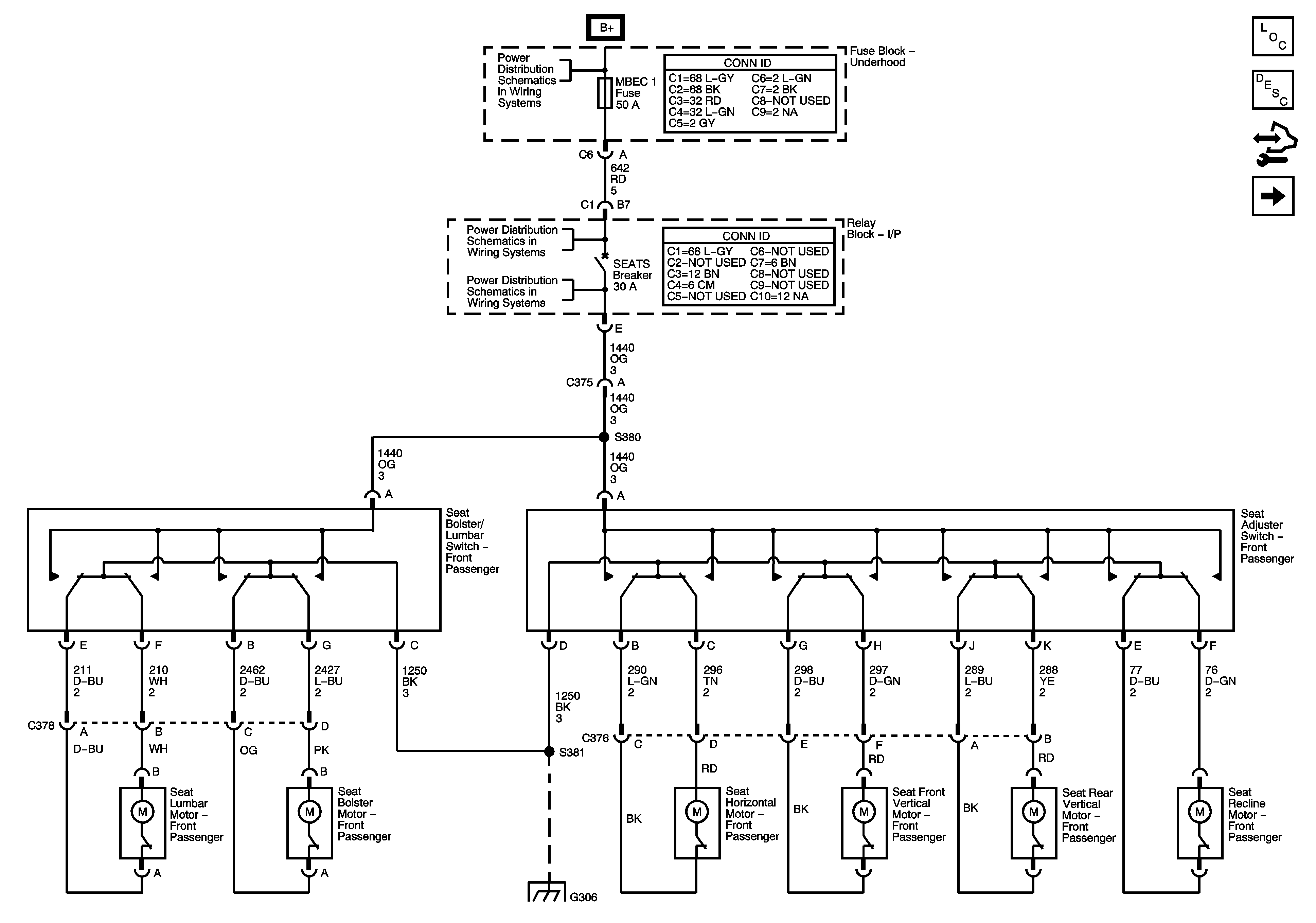
Figure 1:

Seat Position


Object Number: 1507310  Size: FS
Master Electrical Component List
Power Seats System Description and Operation
HORN, LO HDLP LT, LO HDLP RT, HI HDLP RT, and HI HDLP LT Fuses
B+Bus
STUD 1, STUD 2, VSES/ECAS, BLOWER, ABS, MBEC 1 Fuses, RT DOORS and SEATS Circuit Breakers
G302, G304, and G306
Figure 2:

Heat


Object Number: 1507311  Size: FS
Master Electrical Component List
Heated Seats Description and Operation Front
8-Way Power and Lumbar Controls
Splice Packs SP 206 and SP 207, and Dedicated TAC Serial Data Circuits
Power, Ground, DLC, and Splice Pack SP205
Power and Lumbar Motors and Sensors