GM Service Manual Online
For 1990-2009 cars only
Makes
🢒
HUMMER
🢒
2005
🢒
H2
🢒
Body
🢒
Stationary Windows
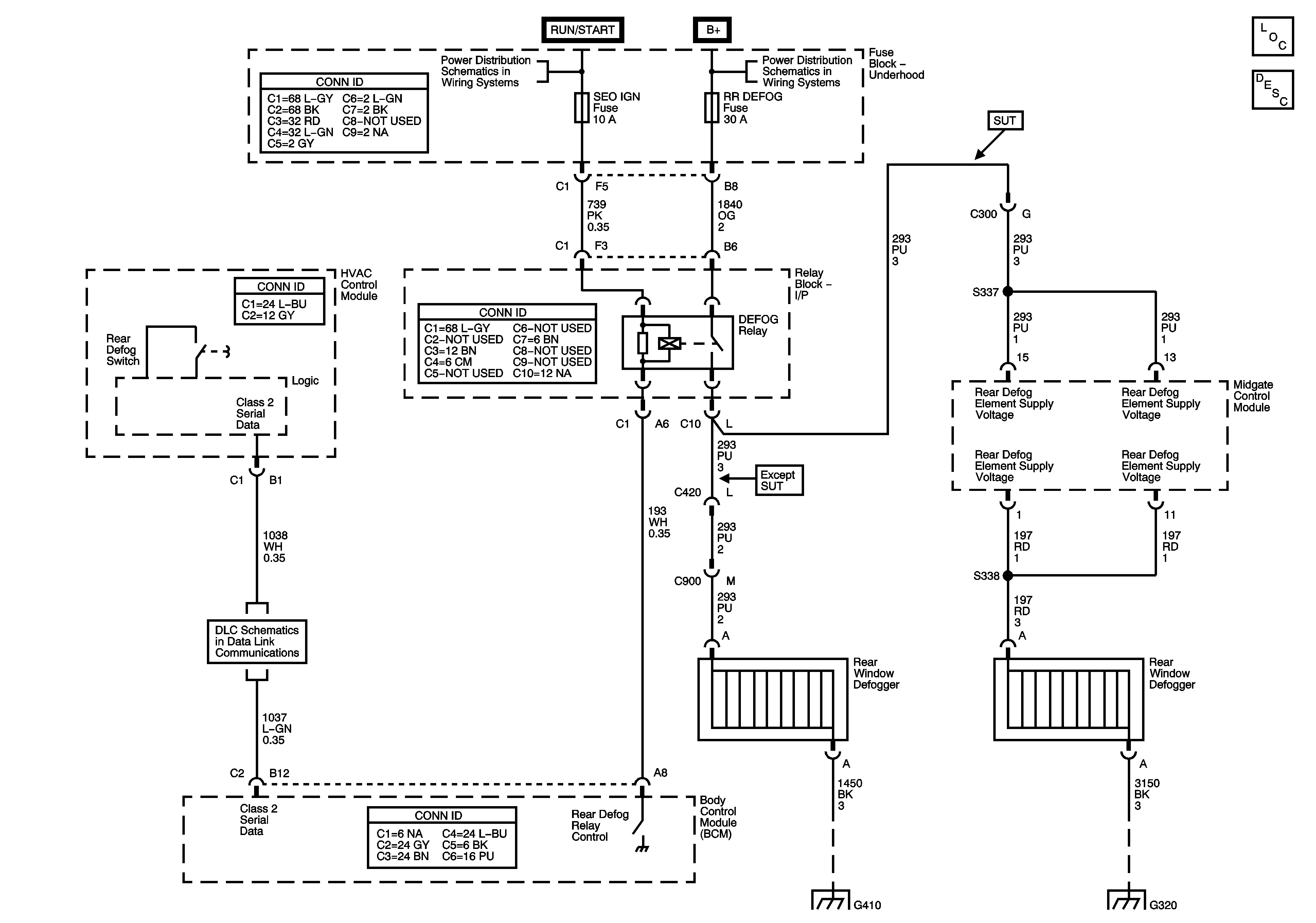
🢒 Defogger Schematics
Master Electrical Component List
Rear Window Defogger Description and Operation
ACCY/RUN and RUN/START Bus Bars
B+Bus
G402, G405, and G410
Power, Ground, DLC, and Splice Pack SP205