GM Service Manual Online
For 1990-2009 cars only
Makes
🢒
HUMMER
🢒
2005
🢒
H2
🢒
Body
🢒
Stationary Windows
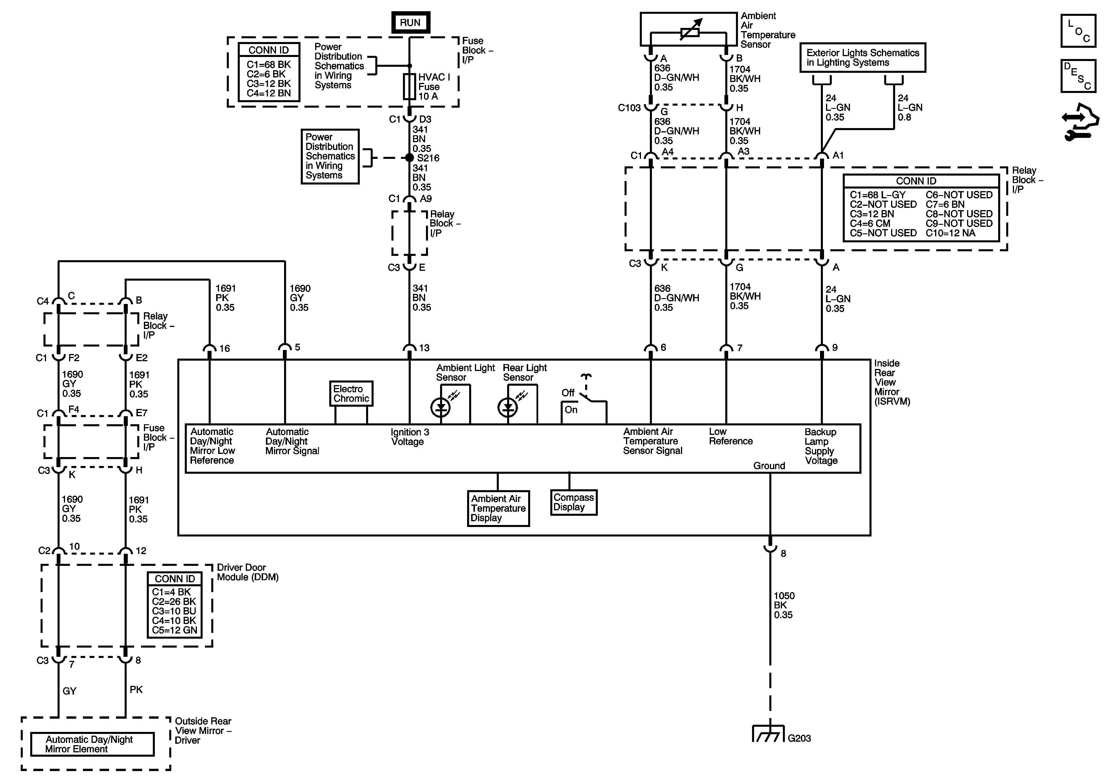
🢒 Inside Rearview Mirror Schematics
Master Electrical Component List
Automatic Day-Night Mirror Description and Operation
ACCY/RUN/START, RUN, and START Bus Bars, and CRANK Fuse
BRAKE, 4WD, CRUISE, HVAC 1, and IGN 3 Fuses
Backup Lamps
CKT 1050: G203, S302, S303, S351, and S215
CKT 1050: S301 and S213