GM Service Manual Online
For 1990-2009 cars only

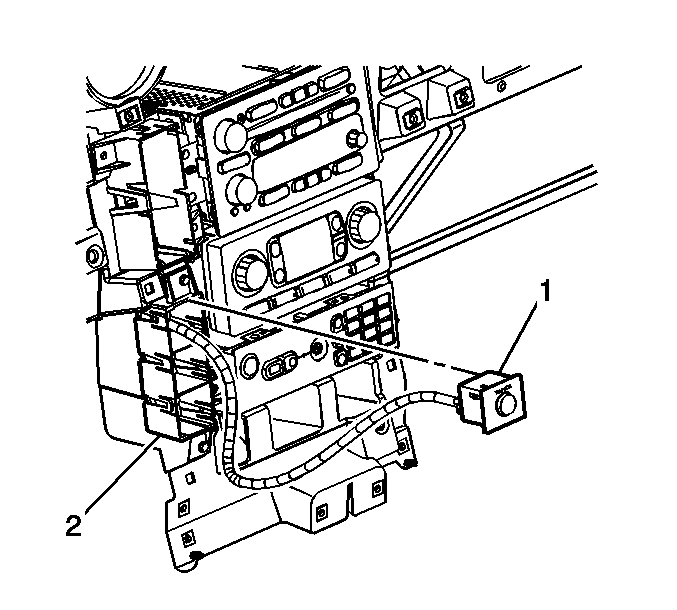
Removal Procedure


    Object Number: 793124  Size: SH
  1. Remove the center I/P trim panel. Refer to Instrument Panel Center Trim Panel Replacement in Instrument Panel, Gages and Console.
  2. Gently lift the retaining tabs and remove the traction control switch (1) from the instrument panel (I/P) assembly (2).
  3. Disconnect the harness connector from the traction control switch (1).

Installation Procedure


    Object Number: 793124  Size: SH
  1. Connect the harness connector to the traction control switch (1).
  2. Install the traction control switch (1) into the I/P assembly (2).
  3. Ensure that the switch (1) is secure into both retaining tabs.
  4. Install I/P bezel. Refer to Instrument Panel Center Trim Panel Replacement in Instrument Panel, Gages and Console.