GM Service Manual Online
For 1990-2009 cars only
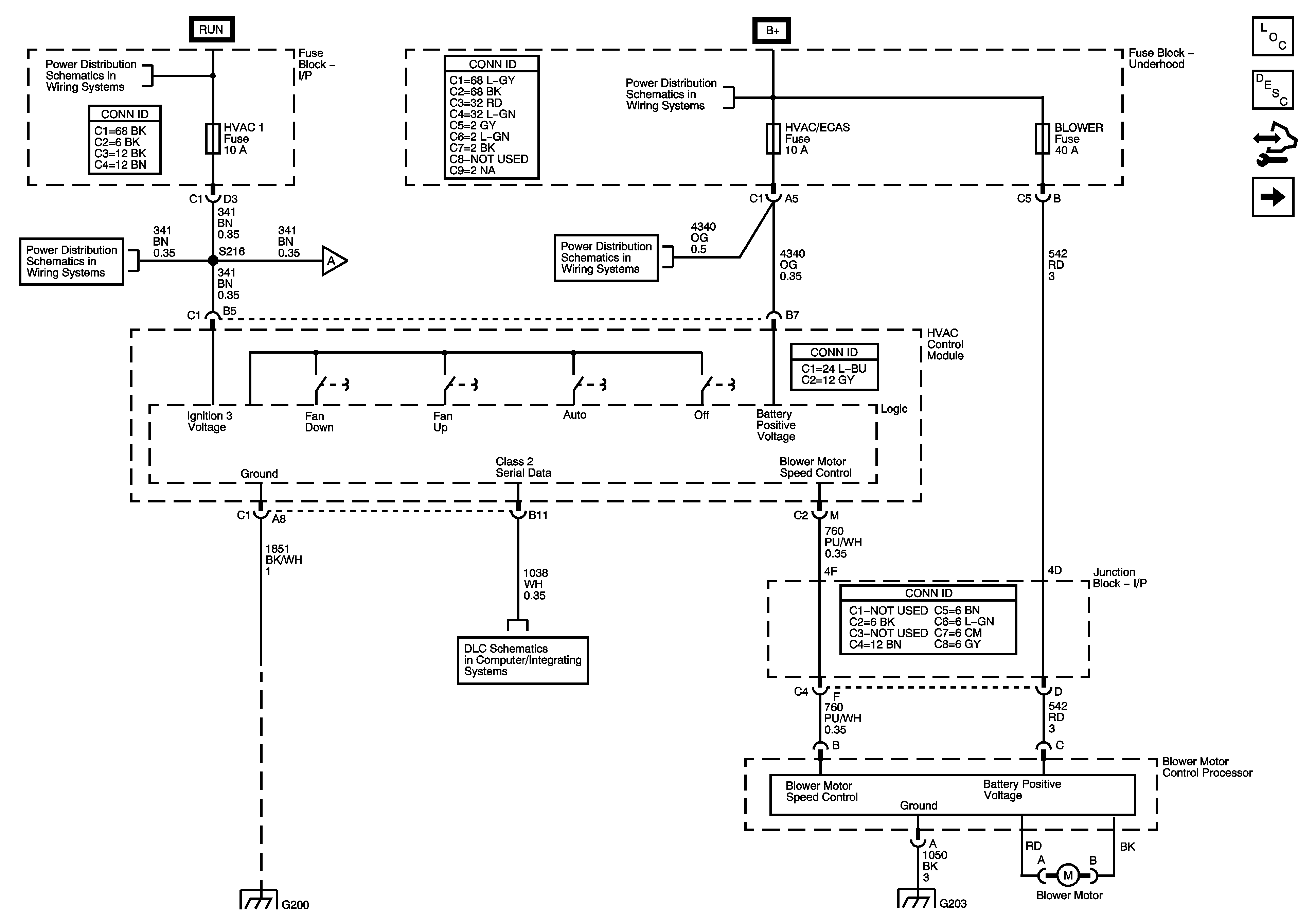
Figure 1:

Power, Ground, Serial Data and Blower Control


Object Number: 1471711  Size: FS
Master Electrical Component List
Air Delivery Description and Operation
Mode and Recirc Controls, Front Defrost and Rear Defog Controls
BRAKE, 4WD, CRUISE, HVAC 1, and IGN 3 Fuses
BRAKE, 4WD, CRUISE, HVAC 1, and IGN 3 Fuses
Mode and Recirc Controls, Front Defrost and Rear Defog Controls
PCM B, TREC, IPC/DIC, TBC BATT, SEO B1, SEO B2, and HVAC/ECAS Fuses
B+Bus
CKT 1050: G203, S302, S303, S351, and S215
Power, Ground, DLC, and Splice Pack SP205
G200
Figure 2:

Mode and Recirculation Controls


Object Number: 1471713  Size: FS
Master Electrical Component List
Air Delivery Description and Operation
Temperature Controls and Sunload Sensors
Power, Grounding, DLC, and Blower Control
Power, Ground, DLC, and Splice Pack SP205
Power, Grounding, DLC, and Blower Control
Temperature Controls and Sunload Sensors
Temperature Controls and Sunload Sensors
Figure 3:

Temperature Controls and Sunload Sensors


Object Number: 1471714  Size: FS
Master Electrical Component List
Air Temperature Description and Operation
Air Temperature Sensors
Mode and Recirc Controls, Front Defrost and Rear Defog Controls
Mode and Recirc Controls, Front Defrost and Rear Defog Controls
Power, Ground, DLC, and Splice Pack SP205
Headlamp Controls, Switches, and Ambient Light Sensor
Mode and Recirc Controls, Front Defrost and Rear Defog Controls
Mode and Recirc Controls, Front Defrost and Rear Defog Controls
Mode and Recirc Controls, Front Defrost and Rear Defog Controls
Mode and Recirc Controls, Front Defrost and Rear Defog Controls
Figure 4:

Temperature Sensors


Object Number: 1471715  Size: FS
Master Electrical Component List
Air Temperature Description and Operation
Air Conditioning Compressor Control
Temperature Controls and Sunload Sensors
CKT 1050: S301 and S213
CKT 1050: S301 and S213
CKT 1050: G203, S302, S303, S351, and S215
Figure 5:

Compressor Control


Object Number: 1471716  Size: FS
Master Electrical Component List
Air Temperature Description and Operation
Air Temperature Sensors
B+Bus
SEO IGN, SIR, and IGN E Fuses
Power, Ground, DLC, and Splice Pack SP205
G104 and G106