GM Service Manual Online
For 1990-2009 cars only
Makes
🢒
HUMMER
🢒
2005
🢒
H2
🢒
Body
🢒
Wiring Systems
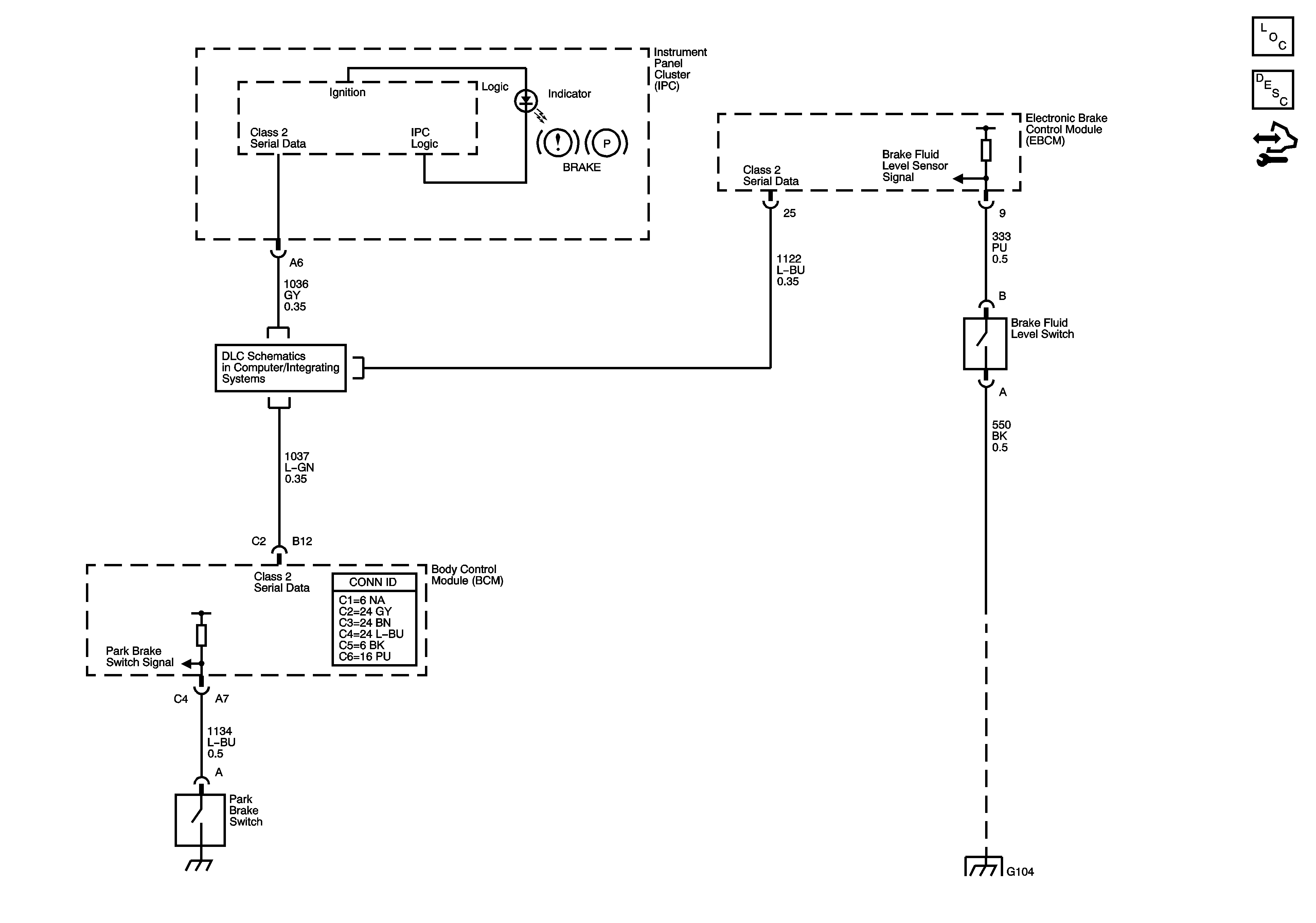
🢒 Brake Warning System Schematics
Master Electrical Component List
Brake Warning System Description and Operation
Power, Ground, DLC, and Splice Pack SP205
G104 and G106