GM Service Manual Online
For 1990-2009 cars only
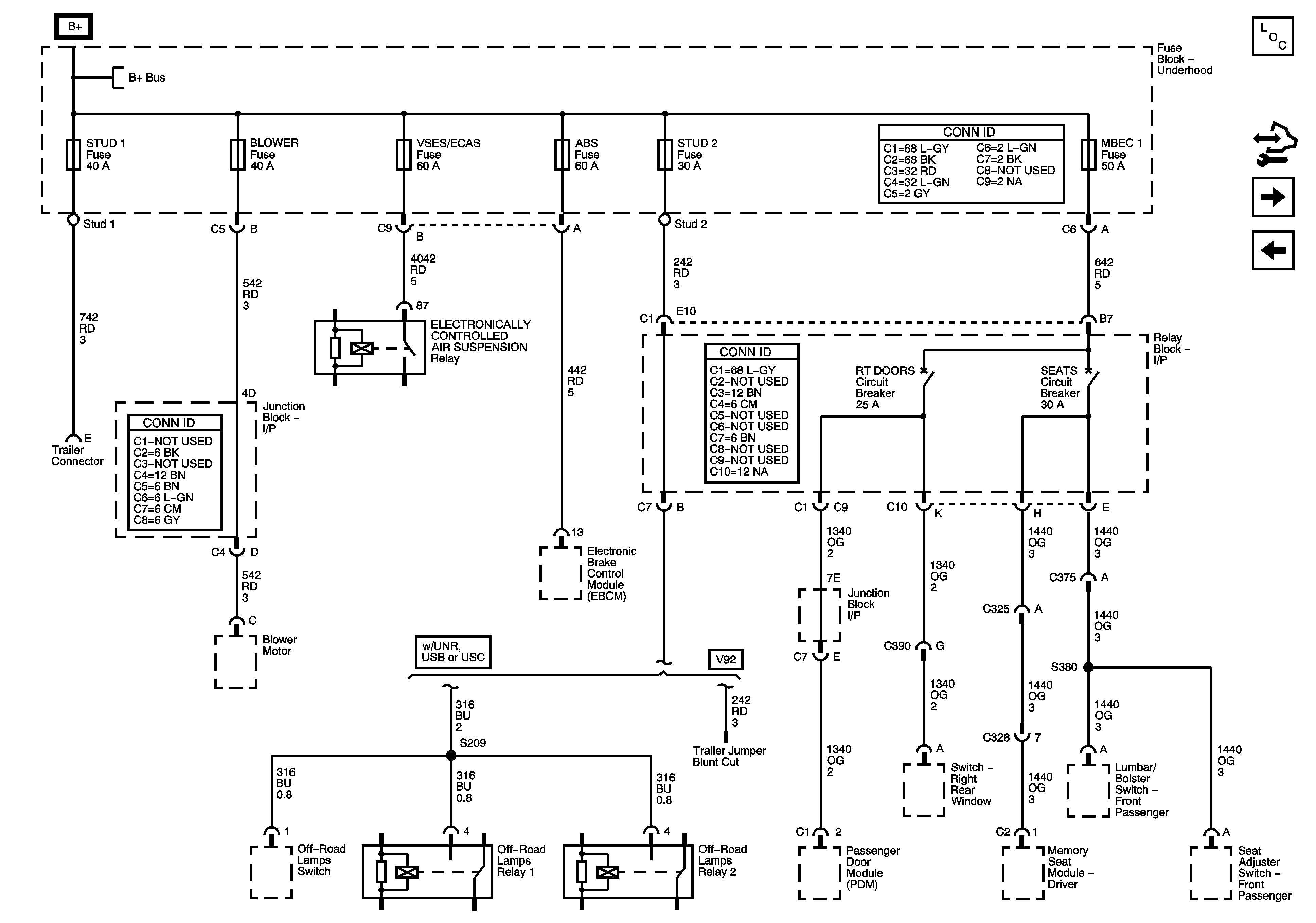
Figure 1:

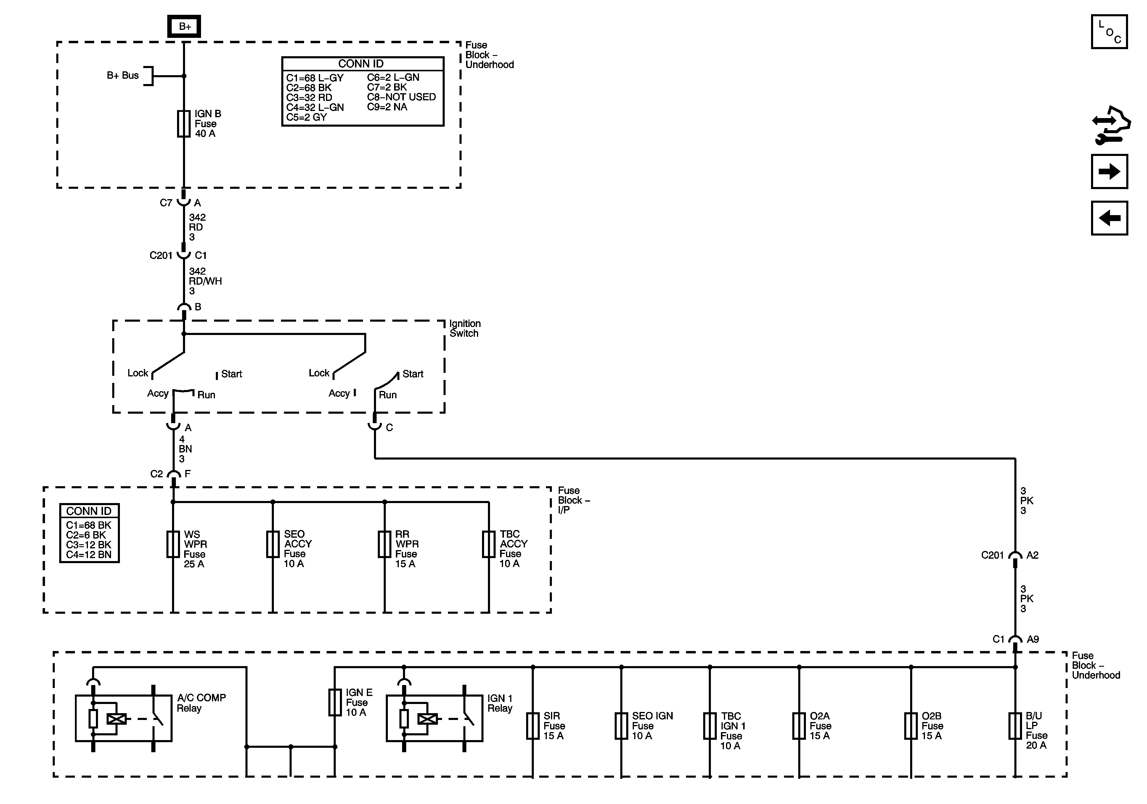
B+ Bus


Object Number: 1441952  Size: FS
Master Electrical Component List
ABS, BLOWER, MBEC, STUD 1, STUD 2, and VSES/ECAS Fuses, RT DOORS and SEATS Circuit Breakers
Figure 2:

ABS, BLOWER, MBEC, STUD 1, STUD 2, and VSES/ECAS Fuses, RT DOORS and SEATS Circuit Breakers


Object Number: 1441955  Size: FS
Master Electrical Component List
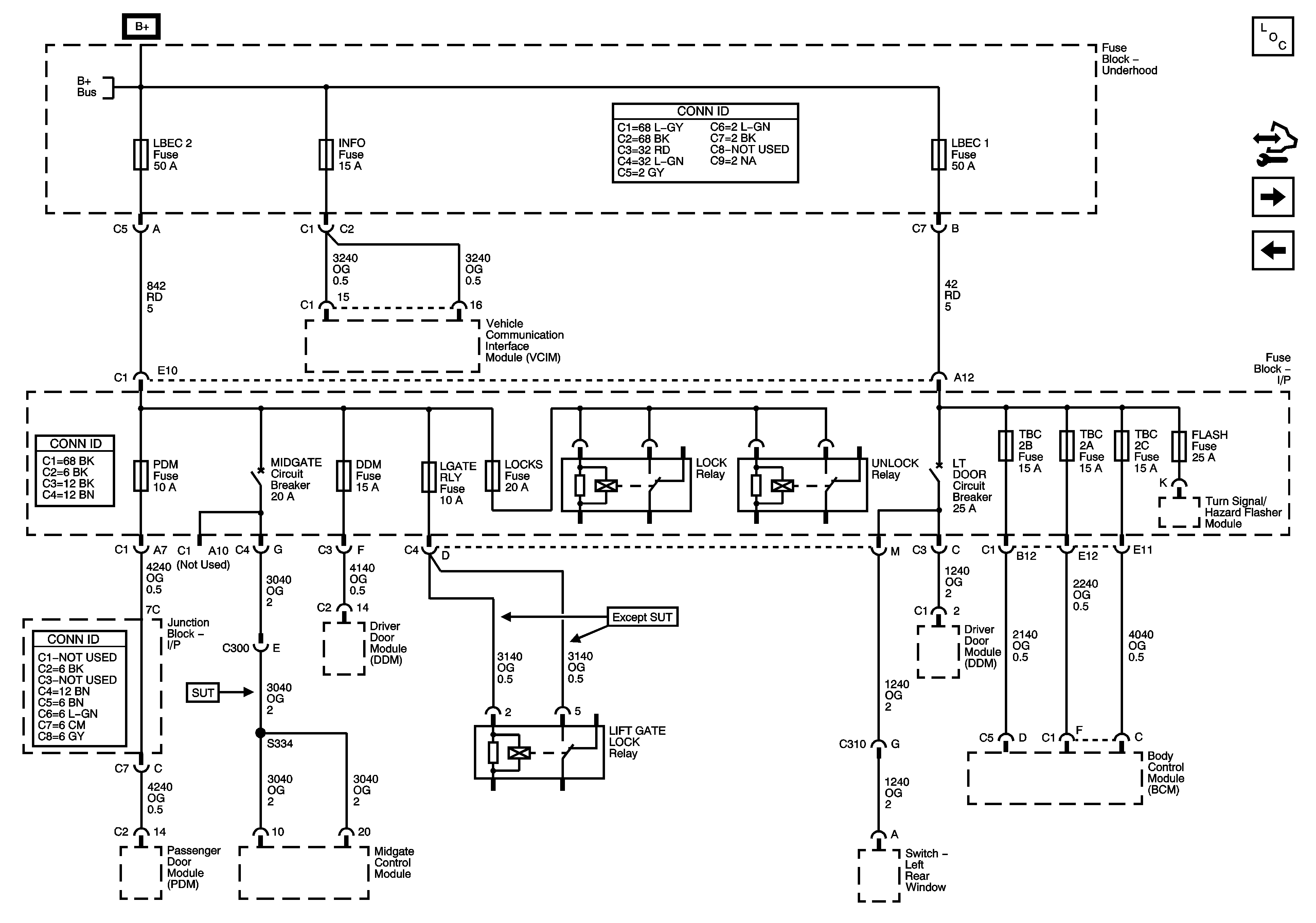
DDM, INFO, LBEC 1, LBEC 2, LOCKS, PDM, TBC 2A, TBC 2B, and TBC 2C Fuses, and Left Door and Midgate Circuit Breakers
B+ Bus
B+ Bus
Figure 3:

DDM, INFO, LBEC 1, LBEC 2, LOCKS, PDM, TBC 2A, TBC 2B, and TBC 2C Fuses, and LT DOOR and MIDGATE Circuit Breaker


Object Number: 1441957  Size: FS
Master Electrical Component List
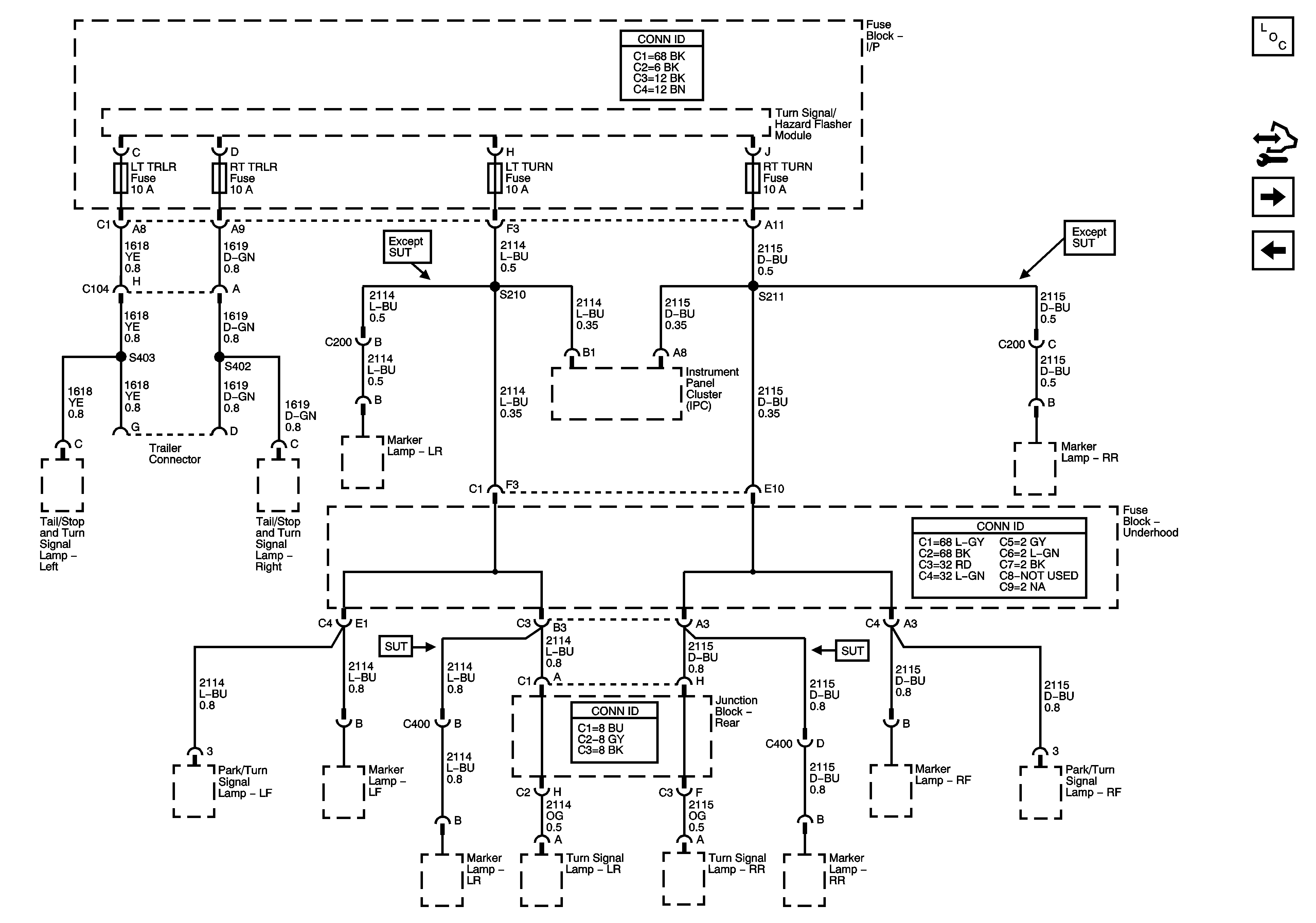
FLASH, LT TRLR, LT TURN, RT TRLR and RT TURN Fuses
ABS, BLOWER, MBEC, STUD 1, STUD 2, and VSES/ECAS Fuses, RT DOORS and SEATS Circuit Breakers
B+ Bus
FLASH, LT TRLR, LT TURN, RT TRLR and RT TURN Fuses
Figure 4:

4WS, RR DEFOG, RR WPR, STOP LP, VEH CHMSL, and VEH STOP Fuses


Object Number: 1507027  Size: FS
Master Electrical Component List
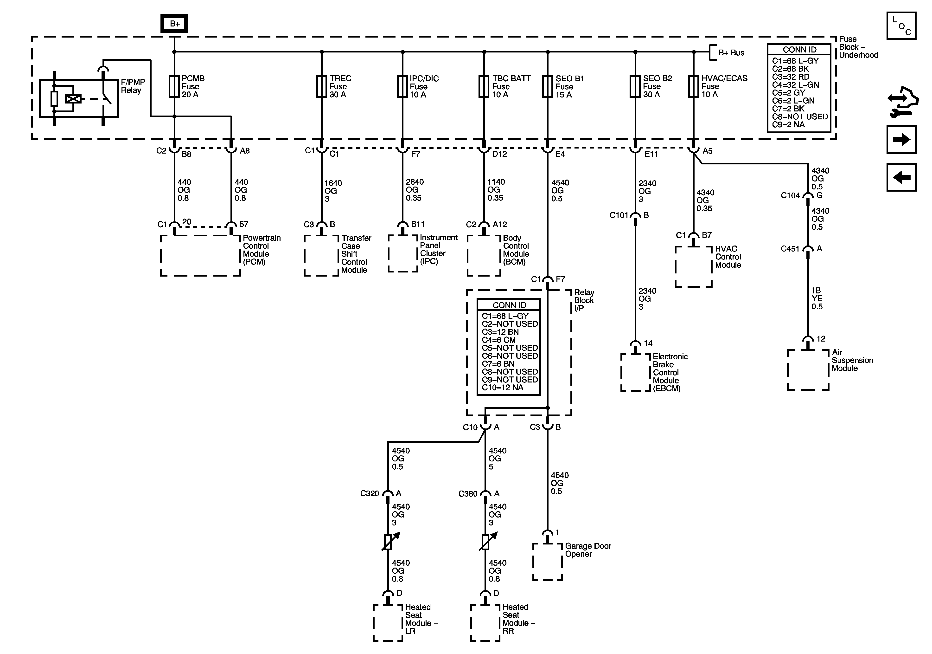
HVAC/ECAS, IPC/DIC, PCM B, SEO B1, SEO B2, TBC BATT and TREC Fuses
FLASH, LT TRLR, LT TURN, RT TRLR and RT TURN Fuses
B+ Bus
Figure 5:

HVAC/ECAS, IPC/DIC, PCM B, SEO B1, SEO B2, TBC BATT, and TREC Fuses


Object Number: 1507028  Size: FS
Master Electrical Component List
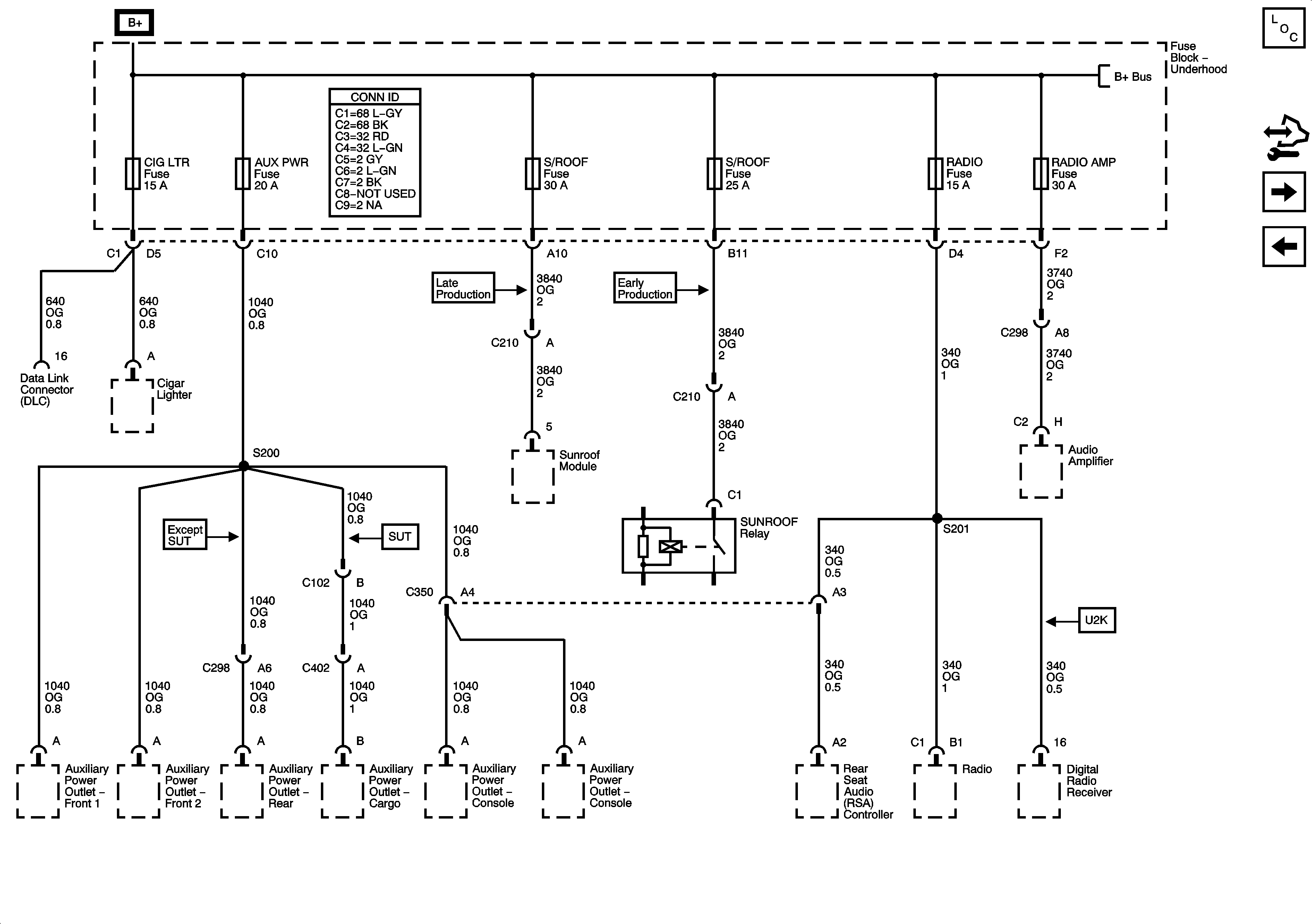
AUX PWR, CIG LTR, RADIO, RADIO AMP and SUNROOF Fuses
4WS, RR DEFOG, RR WPR, STOP LP, VEH CHMSL and VEH STOP Fuses
B+ Bus
Figure 6:

AUX PWR, CIG LTR, RADIO, RADIO AMP, and SUNROOF Fuses


Object Number: 1441959  Size: FS
Master Electrical Component List
FRT PARK, LR PARK, RR PARK and TRL PARK Fuses
HVAC/ECAS, IPC/DIC, PCM B, SEO B1, SEO B2, TBC BATT and TREC Fuses
B+ Bus
Figure 7:

FRT PARK, LR PARK, RR PARK, and TRL PARK Fuses


Object Number: 1441960  Size: FS
Master Electrical Component List
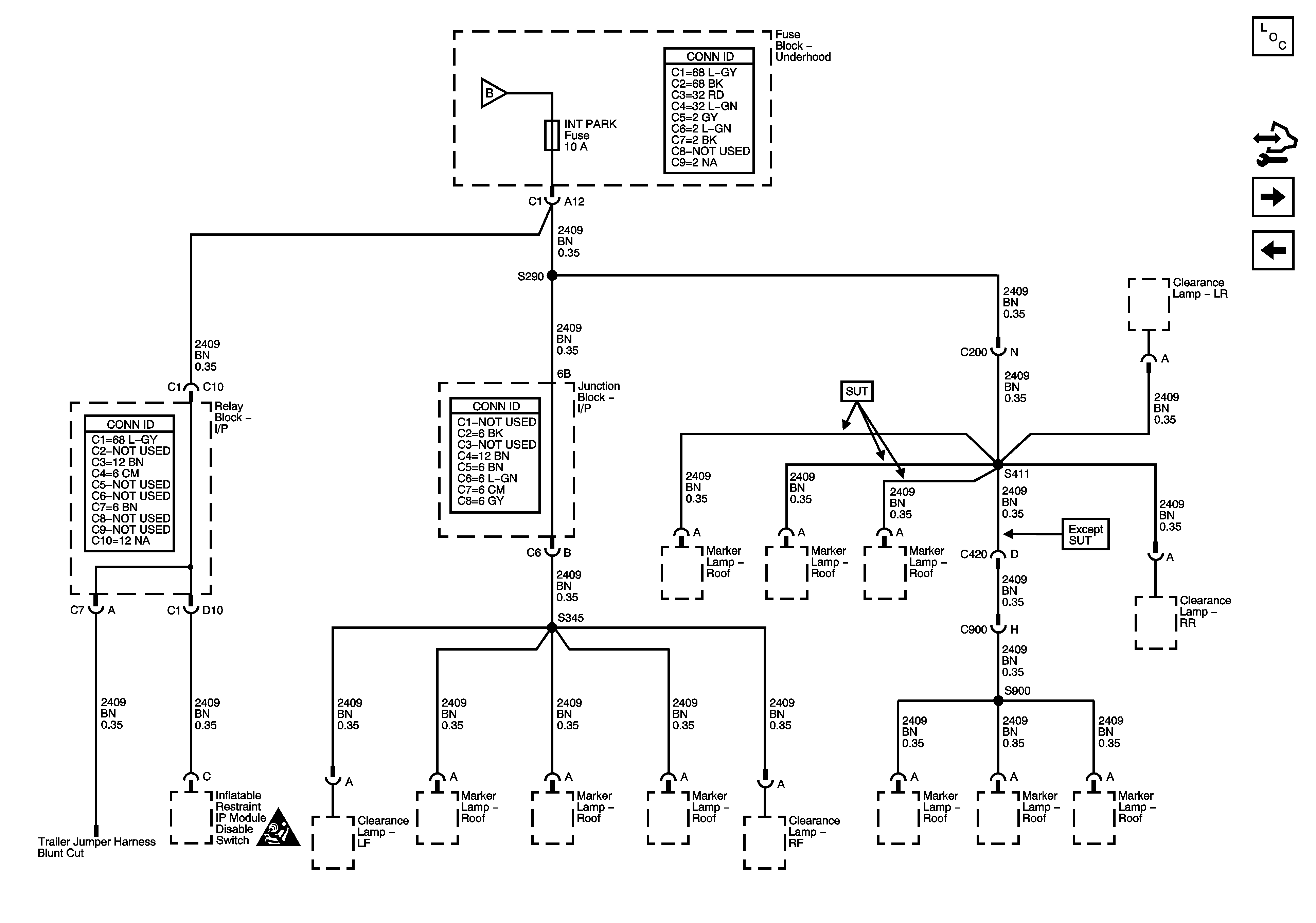
INT PARK Fuse
AUX PWR, CIG LTR, RADIO, RADIO AMP and SUNROOF Fuses
B+ Bus
INT PARK Fuse
Figure 8:

INT PARK Fuse


Object Number: 1441962  Size: FS
Master Electrical Component List
Ignition Switch - ACCY/RUN/START, RUN and START Bus Bars, and CRANK and IGN A Fuses
FRT PARK, LR PARK, RR PARK and TRL PARK Fuses
FRT PARK, LR PARK, RR PARK and TRL PARK Fuses
SIR Caution for Zoning
Figure 9:

Ignition Switch - ACCY/RUN/START, RUN, and START Bus Bars, and CRANK and IGN A Fuses


Object Number: 1441953  Size: FS
Master Electrical Component List
Ignition Switch - ACCY/RUN and RUN/START Bus Bars and IGN B Fuse
INT PARK Fuse
B+ Bus
Figure 10:

Ignition Switch - ACCY/RUN and RUN/START Bus Bars and IGN B Fuse


Object Number: 1441954  Size: FS
Master Electrical Component List
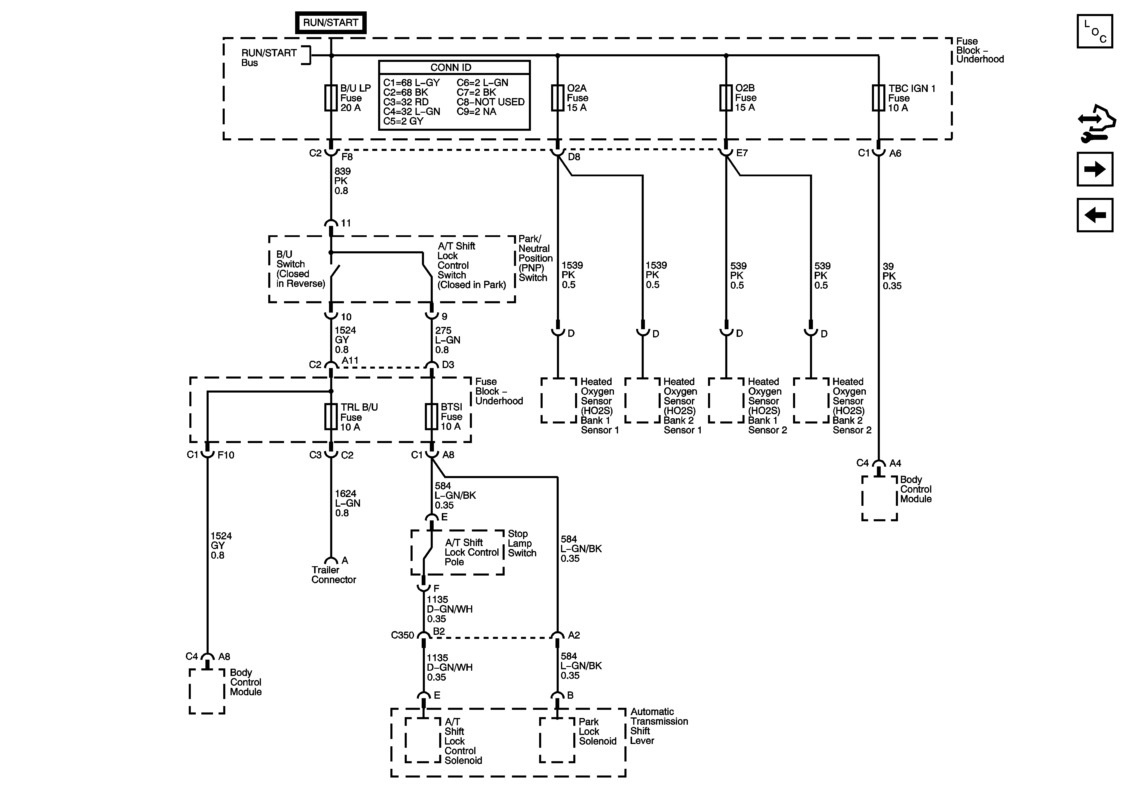
B/U LP, BTSI, 02A, 02B, TBC IGN1 and TRL B/U Fuses
Ignition Switch - ACCY/RUN/START, RUN and START Bus Bars, and CRANK and IGN A Fuses
B+ Bus
Figure 11:

B/U LP, BTSI, O2A, O2B, TBC IGN1, and TRL B/U Fuses


Object Number: 1441964  Size: FS
Master Electrical Component List
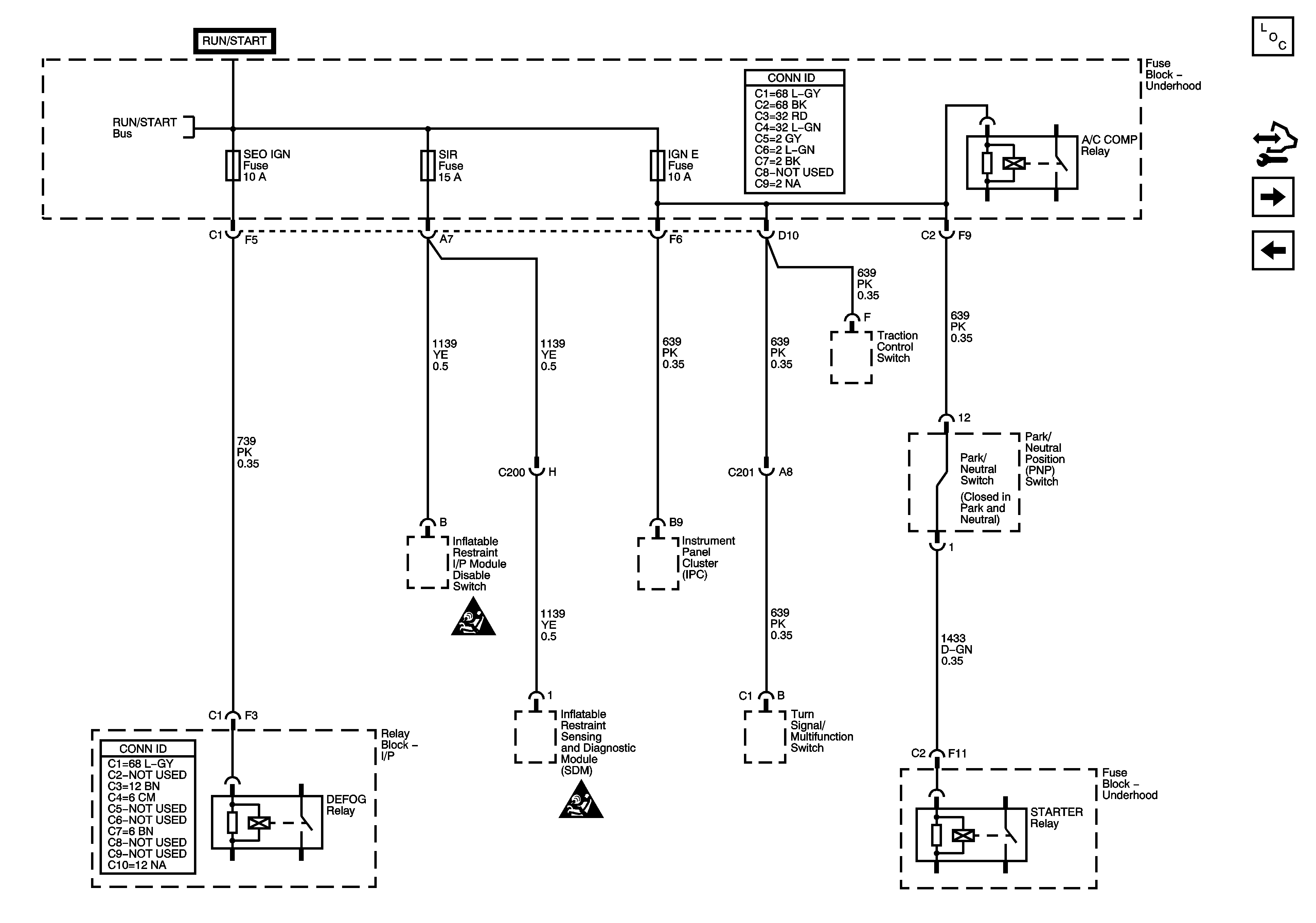
IGN E, SEO IGN and SIR Fuses
Ignition Switch - ACCY/RUN and RUN/START Bus Bars and IGN B Fuse
Ignition Switch - ACCY/RUN and RUN/START Bus Bars and IGN B Fuse
Figure 12:

IGN E , SEO IGN, and SIR Fuses


Object Number: 1441965  Size: FS
Master Electrical Component List
IGN 0, RR WPR, SEO ACCY, TBC ACCY, TBC IGN 0 and WS WPR Fuses
B/U LP, BTSI, 02A, 02B, TBC IGN1 and TRL B/U Fuses
Ignition Switch - ACCY/RUN and RUN/START Bus Bars and IGN B Fuse
SIR Caution for Zoning
SIR Caution for Zoning
Figure 13:

IGN 0, RR WPR, SEO ACCY, TBC ACCY, TBC IGN 0, and WS WPR Fuses


Object Number: 1441968  Size: FS
Master Electrical Component List
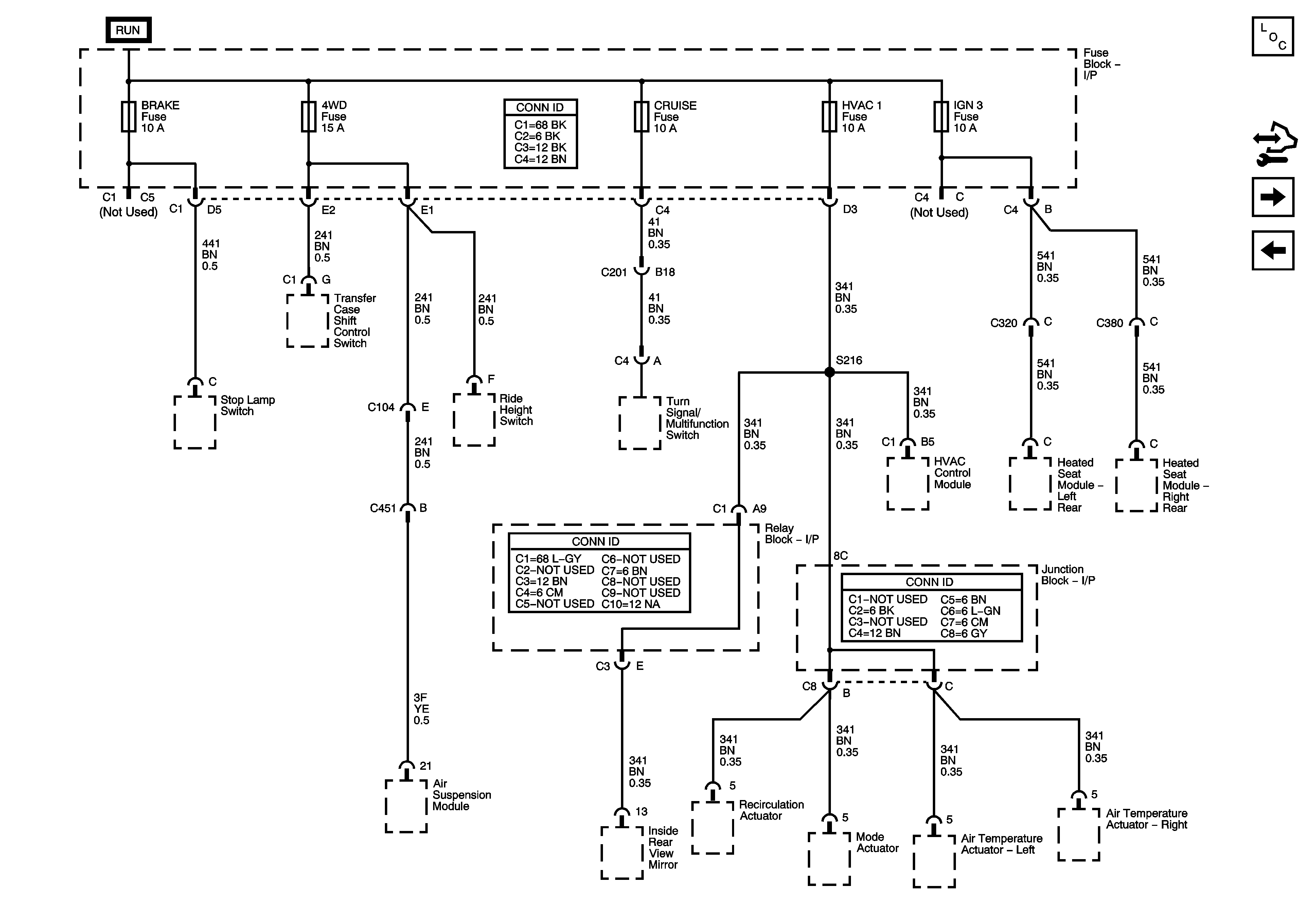
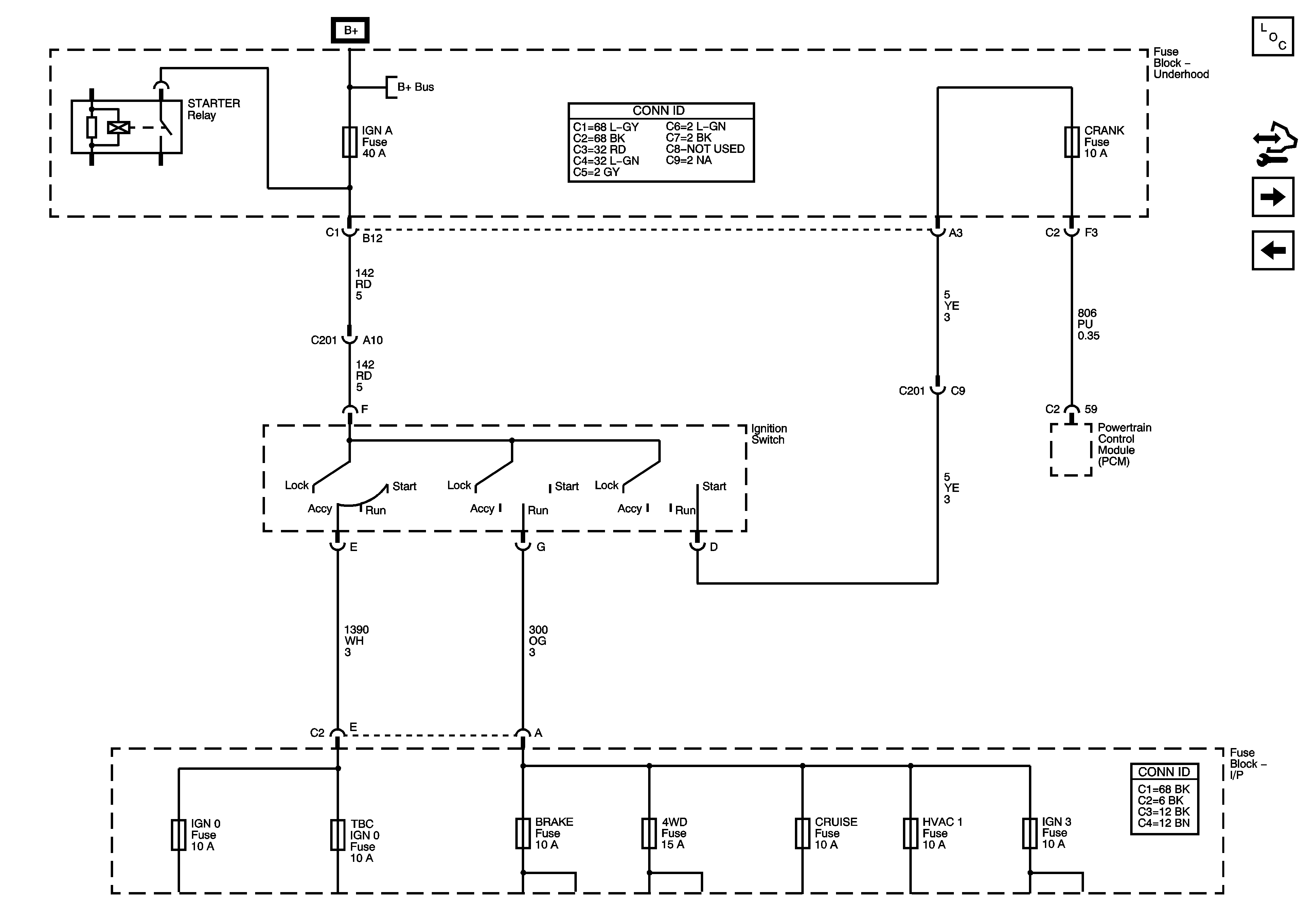
4WD, BRAKE, CRUISE, HVAC 1 and IGN 3 Fuses
IGN E, SEO IGN and SIR Fuses
Figure 14:

4WD, BRAKE, CRUISE, HVAC 1, and IGN 3 Fuses


Object Number: 1441969  Size: FS
Master Electrical Component List
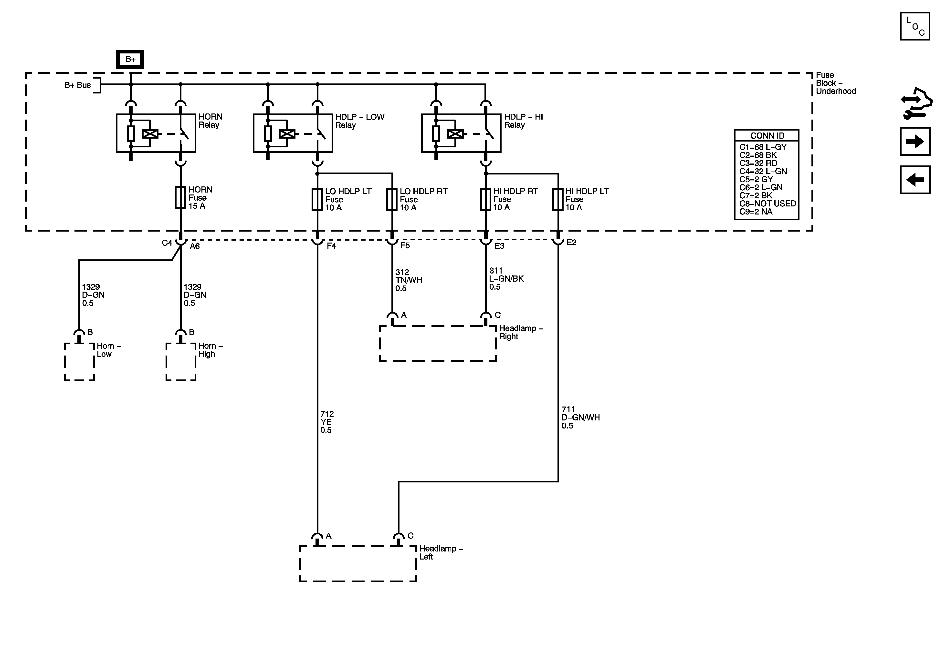
HI HDLP LT, HI HDLP RT, LO HDLP LT and LO HDLP RT Fuses
IGN 0, RR WPR, SEO ACCY, TBC ACCY, TBC IGN 0 and WS WPR Fuses
Figure 15:

FLASH, LT TRLR, LT TURN, RT TRLR, and RT TURN Fuses


Object Number: 1441958  Size: FS
Master Electrical Component List
4WS, RR DEFOG, RR WPR, STOP LP, VEH CHMSL and VEH STOP Fuses
DDM, INFO, LBEC 1, LBEC 2, LOCKS, PDM, TBC 2A, TBC 2B, and TBC 2C Fuses, and Left Door and Midgate Circuit Breakers
DDM, INFO, LBEC 1, LBEC 2, LOCKS, PDM, TBC 2A, TBC 2B, and TBC 2C Fuses, and Left Door and Midgate Circuit Breakers
Figure 16:

HI HDLP LT, HI HDLP RT, HORN, LO HDLP LT, and LO HDLP RT Fuses


Object Number: 1507031  Size: FS
Master Electrical Component List
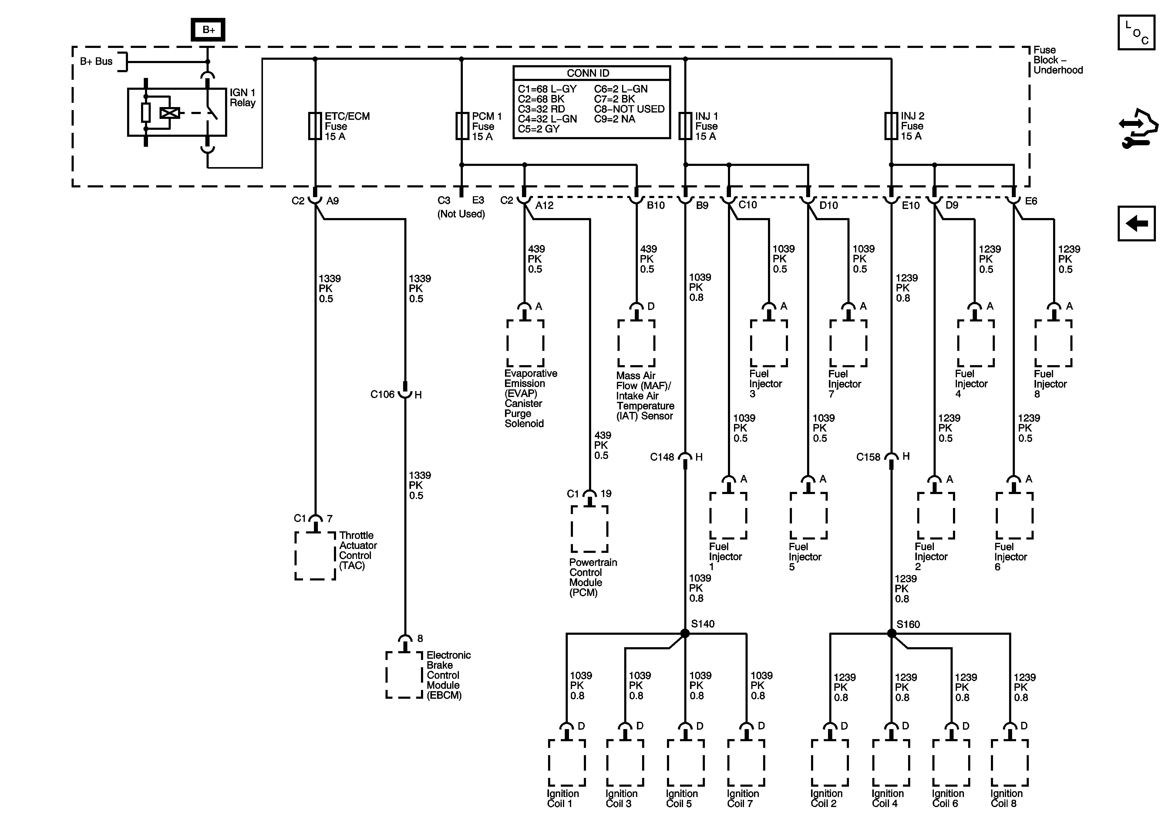
ETC/ECM, INJ 1, INJ 2 and PCM 1Fuses
4WD, BRAKE, CRUISE, HVAC 1 and IGN 3 Fuses
B+ Bus
Figure 17:

ETC/ECM, INJ 1, INJ 2, and PCM 1 Fuses


Object Number: 1441967  Size: FS
Master Electrical Component List
HI HDLP LT, HI HDLP RT, LO HDLP LT and LO HDLP RT Fuses
B+ Bus