GM Service Manual Online
For 1990-2009 cars only
Figure 1:

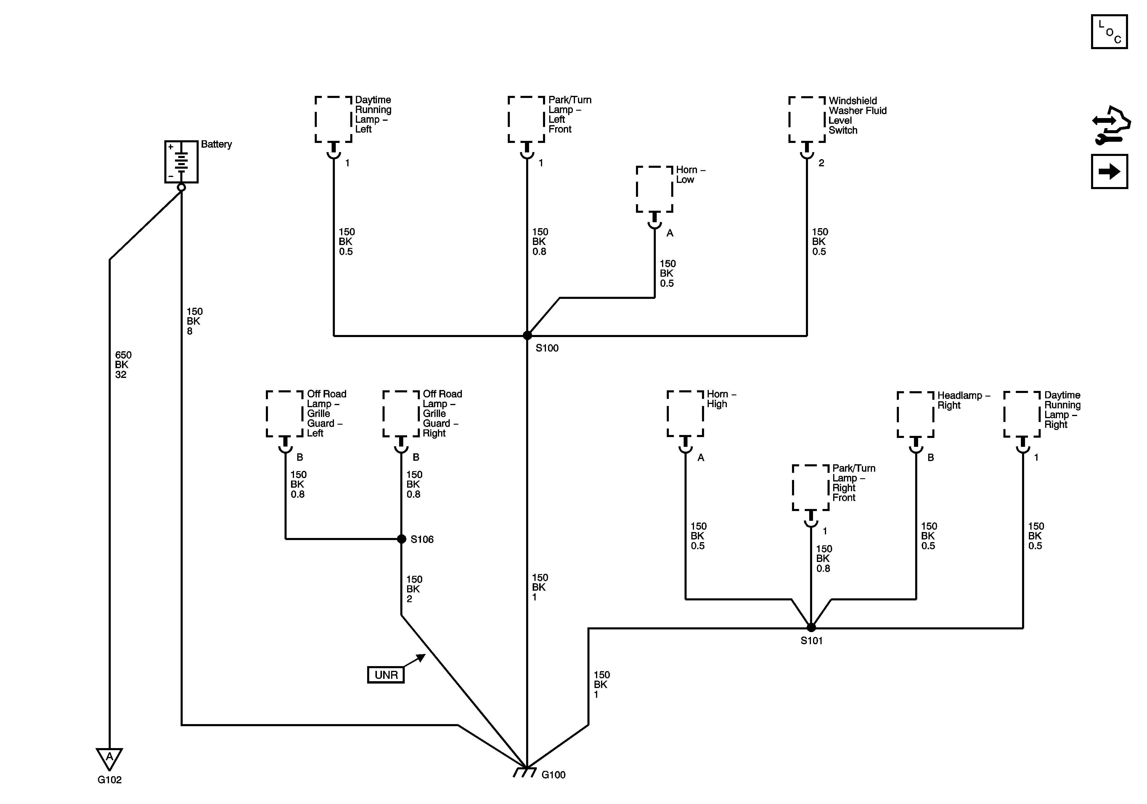
G100


Object Number: 1462329  Size: FS
Master Electrical Component List
G102 and G103
G102 and G103
Figure 2:

G102 and G103


Object Number: 1462331  Size: FS
Master Electrical Component List
G104 and G106
G100
G104 and G106
G100
Figure 3:

G104 and G106


Object Number: 1462335  Size: FS
Master Electrical Component List
G200
G102 and G103
G102 and G103
Figure 4:

G200


Object Number: 1462337  Size: FS
Master Electrical Component List
G203 - 1 of 2
G104 and G106
SIR Caution for Zoning
Figure 5:

G203 - 1 of 2


Object Number: 1462338  Size: FS
Master Electrical Component List
G203 - 2 of 2
G200
G203 - 2 of 2
SIR Caution for Zoning
Figure 6:

G203 - 2 of 2


Object Number: 1462340  Size: FS
Master Electrical Component List
G302, G304 and G306
G203 - 1 of 2
G203 - 1 of 2
Figure 7:

G302, G304 and G306


Object Number: 1462344  Size: FS
Master Electrical Component List
G300, G310, G401 and G403
G203 - 2 of 2
Figure 8:

G300, G310, G401 and G403


Object Number: 1462346  Size: FS
Master Electrical Component List
G320 - SUT
G302, G304 and G306
Figure 9:

G320 - SUT


Object Number: 1462349  Size: FS
Master Electrical Component List
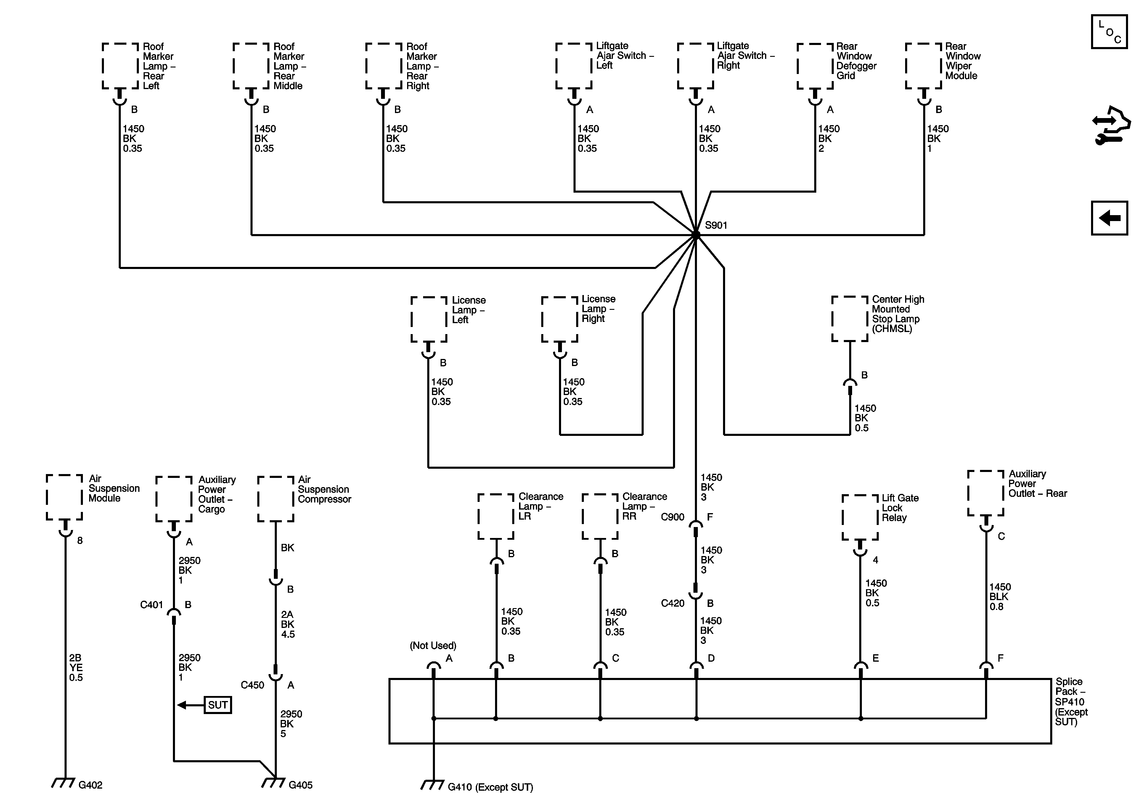
G402, G405 and G410
G300, G310, G401 and G403
Figure 10:

G402, G405, and G410


Object Number: 1462354  Size: FS
Master Electrical Component List
G320 - SUT