GM Service Manual Online
For 1990-2009 cars only
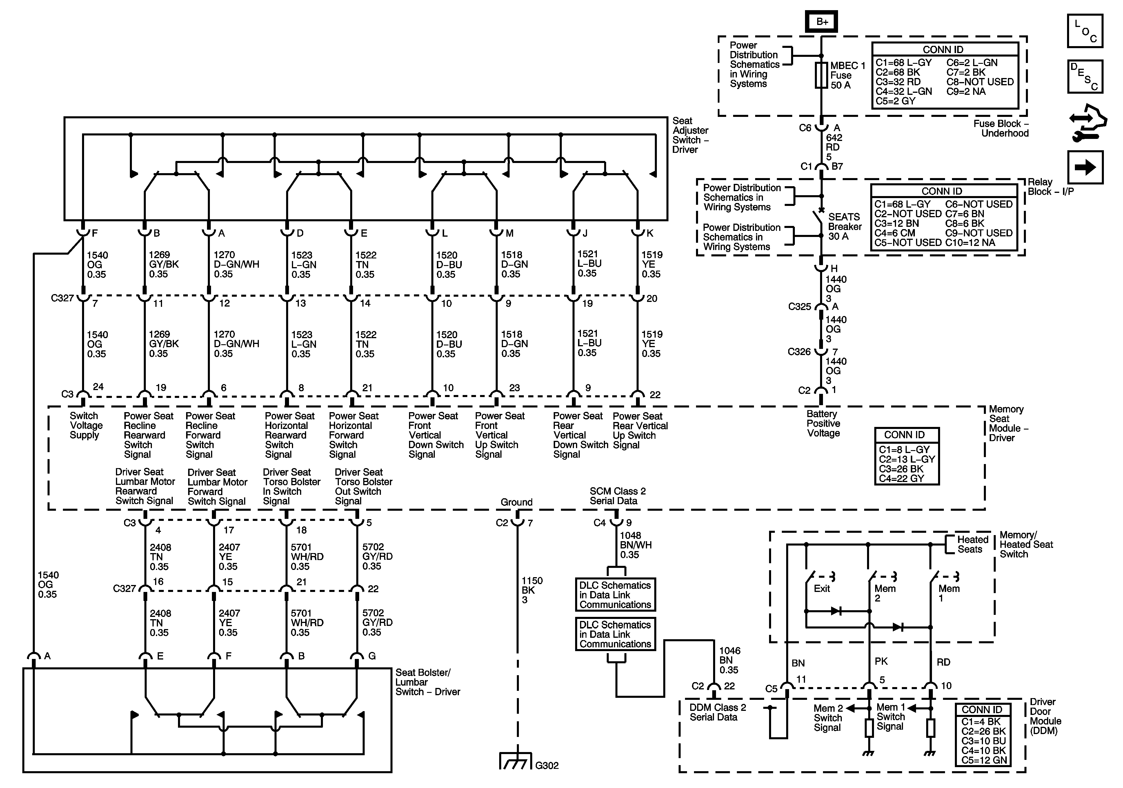
Figure 1:

Memory Controls


Object Number: 1566987  Size: FS
Master Electrical Component List
Memory Seats Description and Operation
Control Module References
Position Sensors and Motors
B+ Bus
ABS, BLOWER, MBEC, STUD 1, STUD 2, and VSES/ECAS Fuses and RT DOORS and SEATS Circuit Breakers
ABS, BLOWER, MBEC, STUD 1, STUD 2, and VSES/ECAS Fuses and RT DOORS and SEATS Circuit Breakers
ABS, BLOWER, MBEC, STUD 1, STUD 2, and VSES/ECAS Fuses and RT DOORS and SEATS Circuit Breakers
SP206 and SP207
Power, Ground, Data Link Connector, and SP205
G302, G304, and G306
Figure 2:

Position Sensors and Motors


Object Number: 1566988  Size: FS
Figure 3:

Heat


Object Number: 1566989  Size: FS