GM Service Manual Online
For 1990-2009 cars only
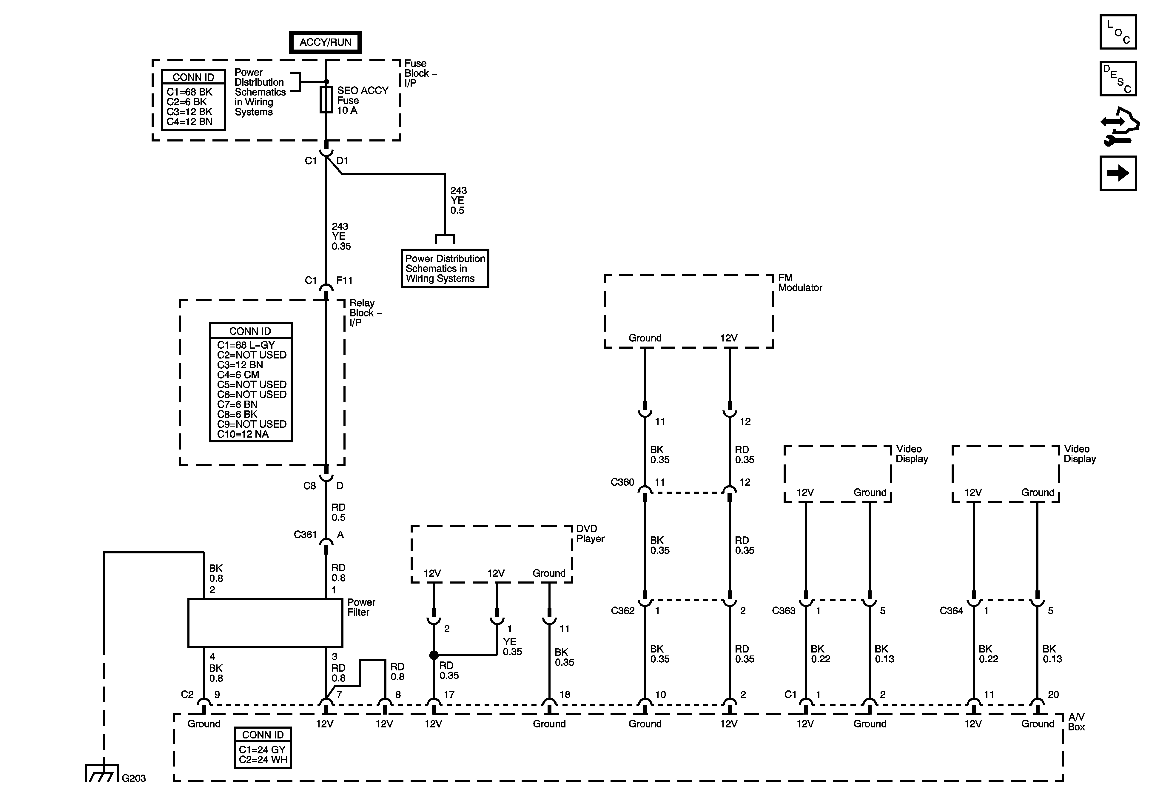
Figure 1:

Video System Power and Ground


Object Number: 1729880  Size: FS
Master Electrical Component List
Video Entertainment System Description and Operation
Control Module References
Video Displays
Ignition Switch - ACCY/RUN and RUN/START Bus Bars and IGN B Fuse
IGN 0, RR WPR, SEO ACCY, TBC ACCY, TBC IGN 0, and WS WPR Fuses
G203 - 1 of 3
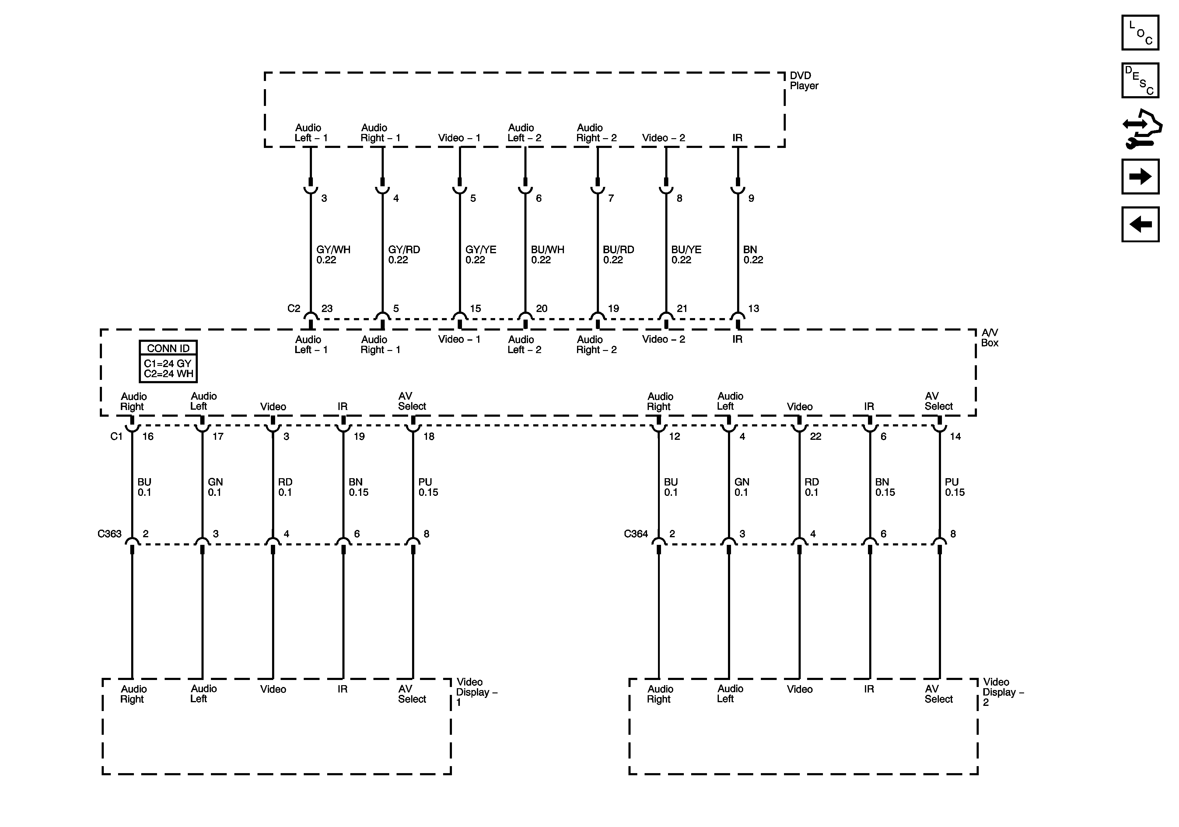
Figure 2:

Video Displays


Object Number: 1729882  Size: FS
Master Electrical Component List
Video Entertainment System Description and Operation
Control Module References
Video System Power and Ground
Video System Power and Ground
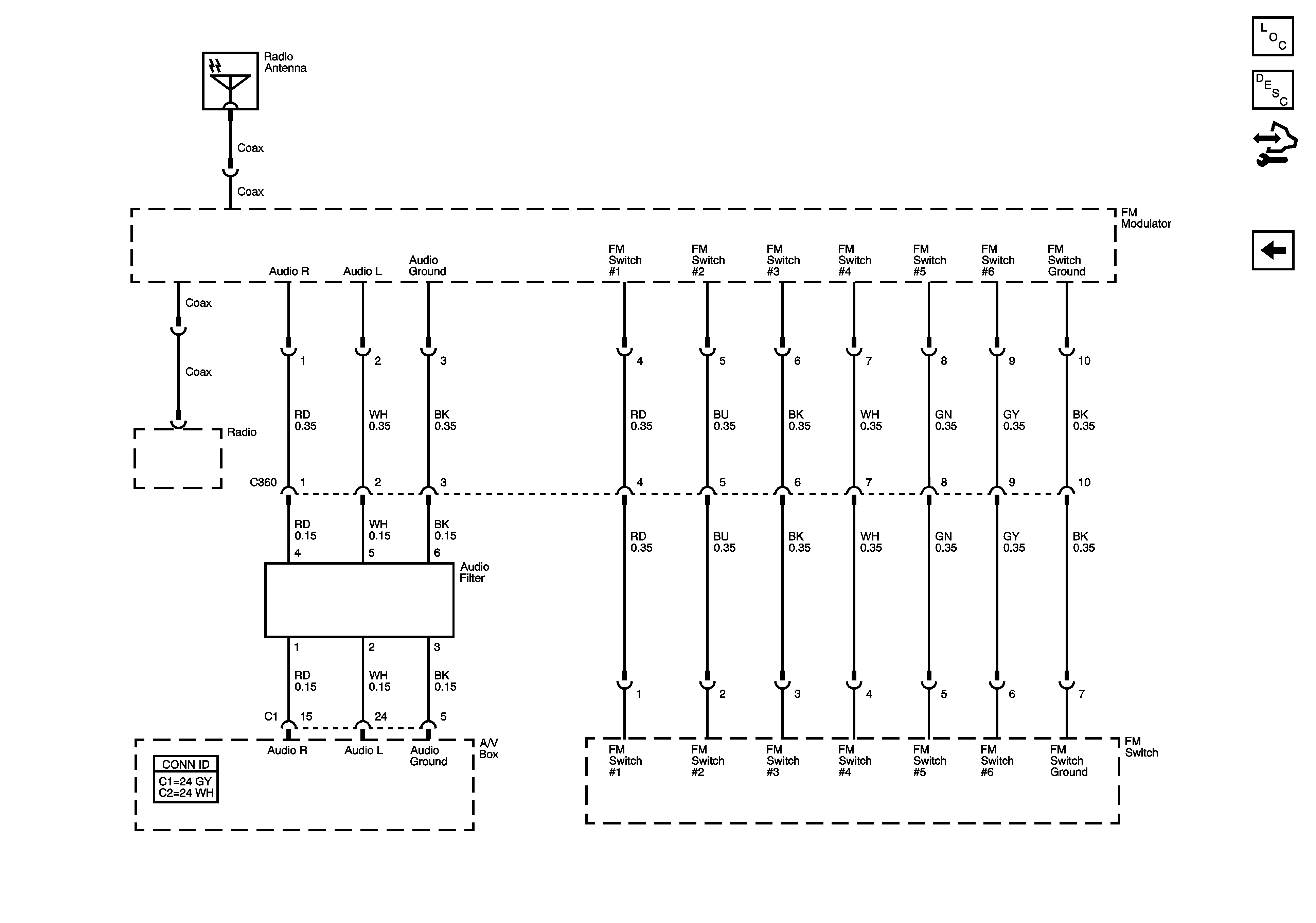
Figure 3:

FM Modulator


Object Number: 1729885  Size: FS
Master Electrical Component List
Video Entertainment System Description and Operation
Control Module References
Video Displays