GM Service Manual Online
For 1990-2009 cars only
Makes
🢒
HUMMER
🢒
2006
🢒
H2
🢒
Body
🢒
Roof
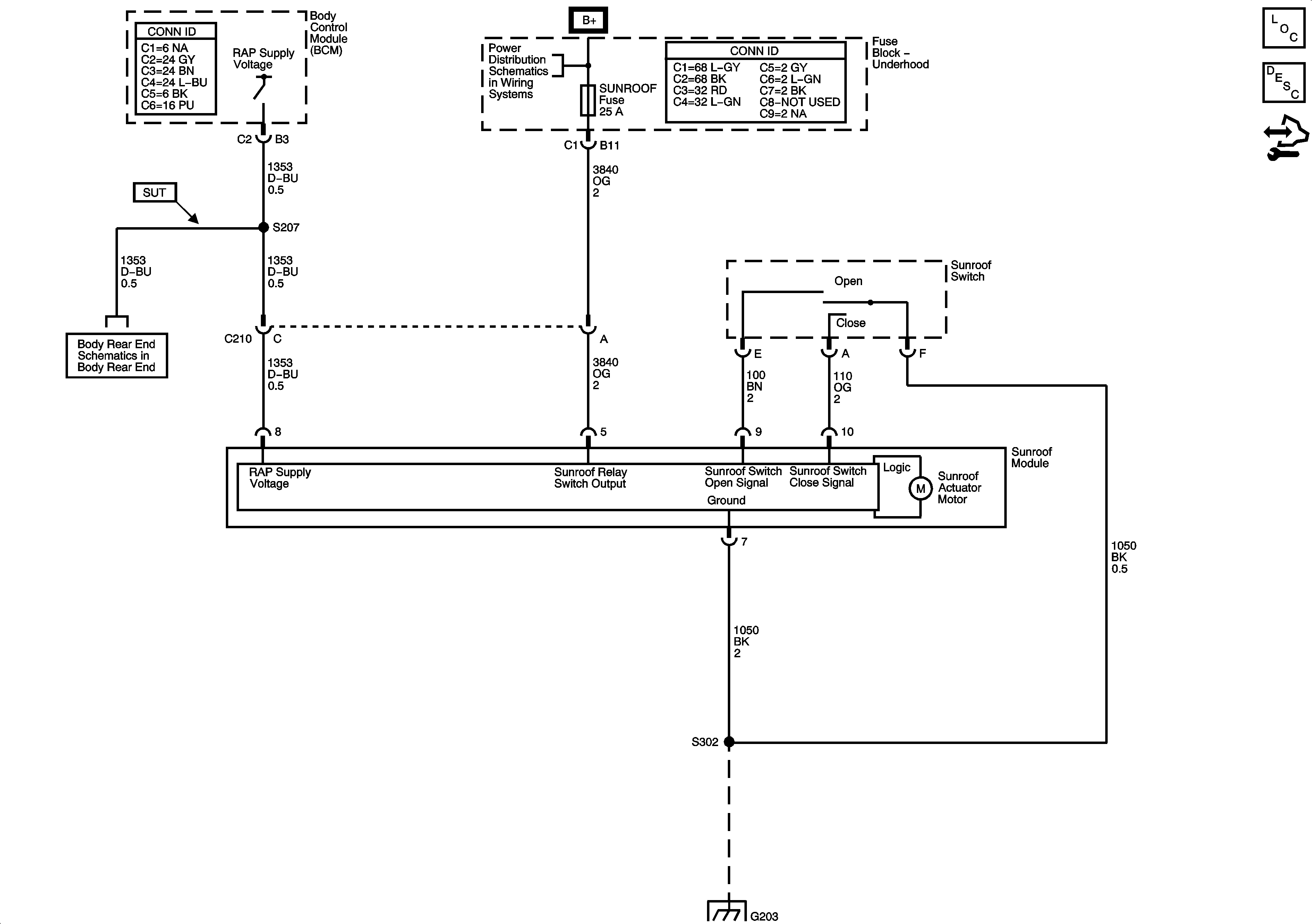
🢒 Sunroof Schematics
Master Electrical Component List
Sunroof Description and Operation
Control Module References
B+ Bus
AUX PWR, CIG LTR, RADIO, RADIO AMP, and SUNROOF Fuses
Retained Accessory Power (RAP) Schematics
G203 - 1 of 3