GM Service Manual Online
For 1990-2009 cars only
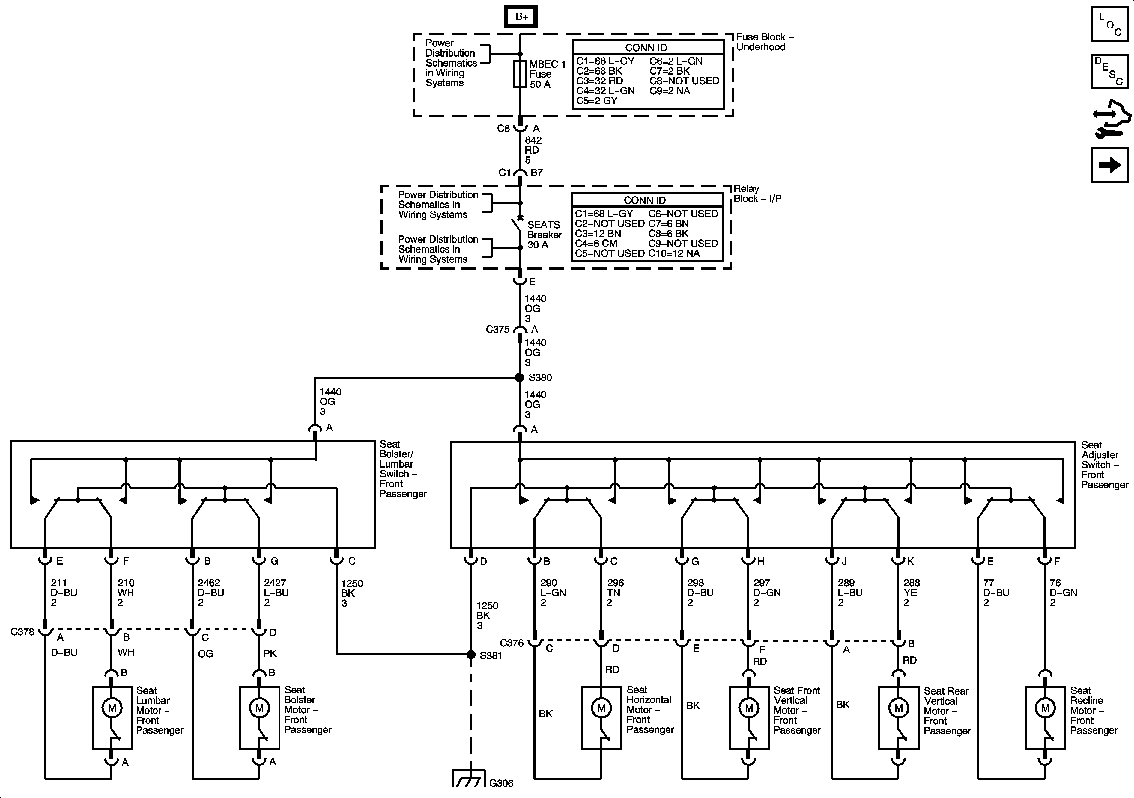
Figure 1:

Seat Position


Object Number: 1566990  Size: FS
Master Electrical Component List
Power Seats System Description and Operation
Control Module References
Heat
ABS, BLOWER, MBEC, STUD 1, STUD 2, and VSES/ECAS Fuses and RT DOORS and SEATS Circuit Breakers
B+ Bus
ABS, BLOWER, MBEC, STUD 1, STUD 2, and VSES/ECAS Fuses and RT DOORS and SEATS Circuit Breakers
ABS, BLOWER, MBEC, STUD 1, STUD 2, and VSES/ECAS Fuses and RT DOORS and SEATS Circuit Breakers
G302, G304, and G306
Figure 2:

Heat


Object Number: 1566992  Size: FS