GM Service Manual Online
For 1990-2009 cars only
Makes
🢒
HUMMER
🢒
2006
🢒
H2
🢒
Body
🢒
Stationary Windows
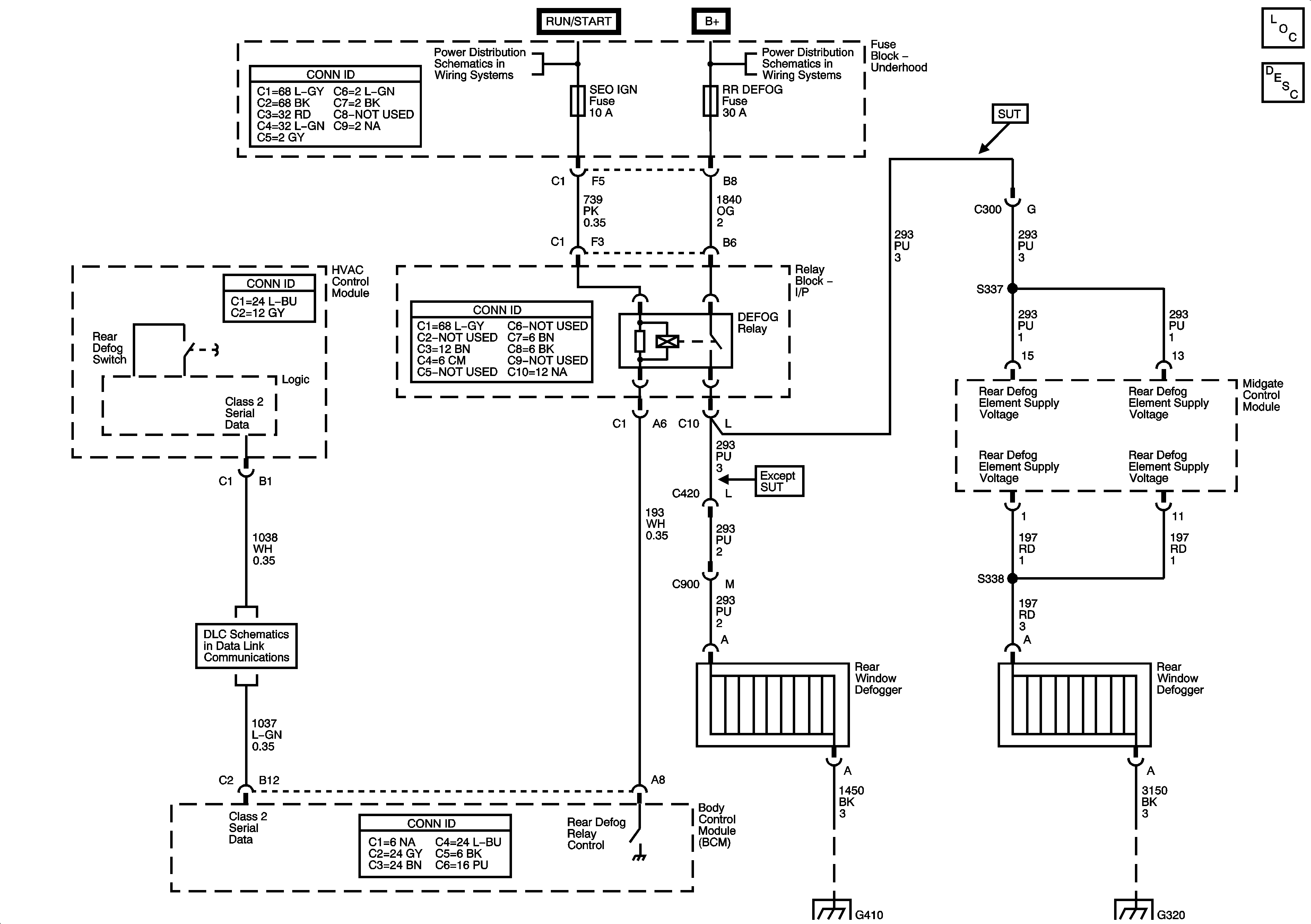
🢒 Defogger Schematics
Master Electrical Component List
Rear Window Defogger Description and Operation
Ignition Switch - ACCY/RUN and RUN/START Bus Bars and IGN B Fuse
Ignition Switch - ACCY/RUN and RUN/START Bus Bars and IGN B Fuse
B+ Bus
Power, Ground, Data Link Connector, and SP205
G402, G405, and G410
G320 (SUT)