GM Service Manual Online
For 1990-2009 cars only
Makes
🢒
HUMMER
🢒
2006
🢒
H2
🢒
Body
🢒
Stationary Windows
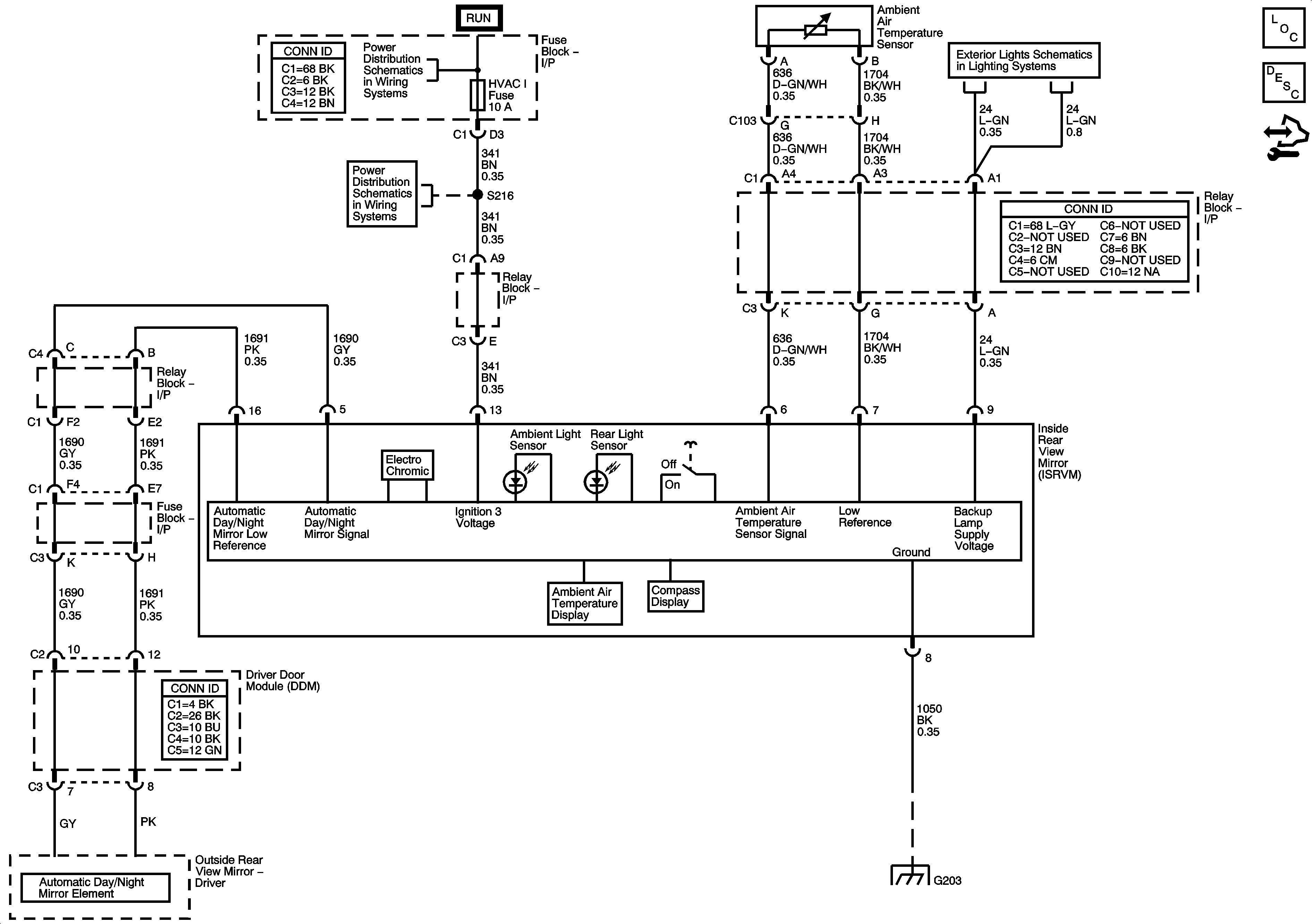
🢒 Inside Rearview Mirror Schematics
Master Electrical Component List
Automatic Day-Night Mirror Description and Operation
Control Module References
4WD, BRAKE, CRUISE, HVAC 1, and IGN 3 Fuses
Ignition Switch - ACCY/RUN/START, RUN and START Bus Bars, and CRANK and IGN A Fuses
4WD, BRAKE, CRUISE, HVAC 1, and IGN 3 Fuses
Backup Lamps
G302, G304, and G306