GM Service Manual Online
For 1990-2009 cars only
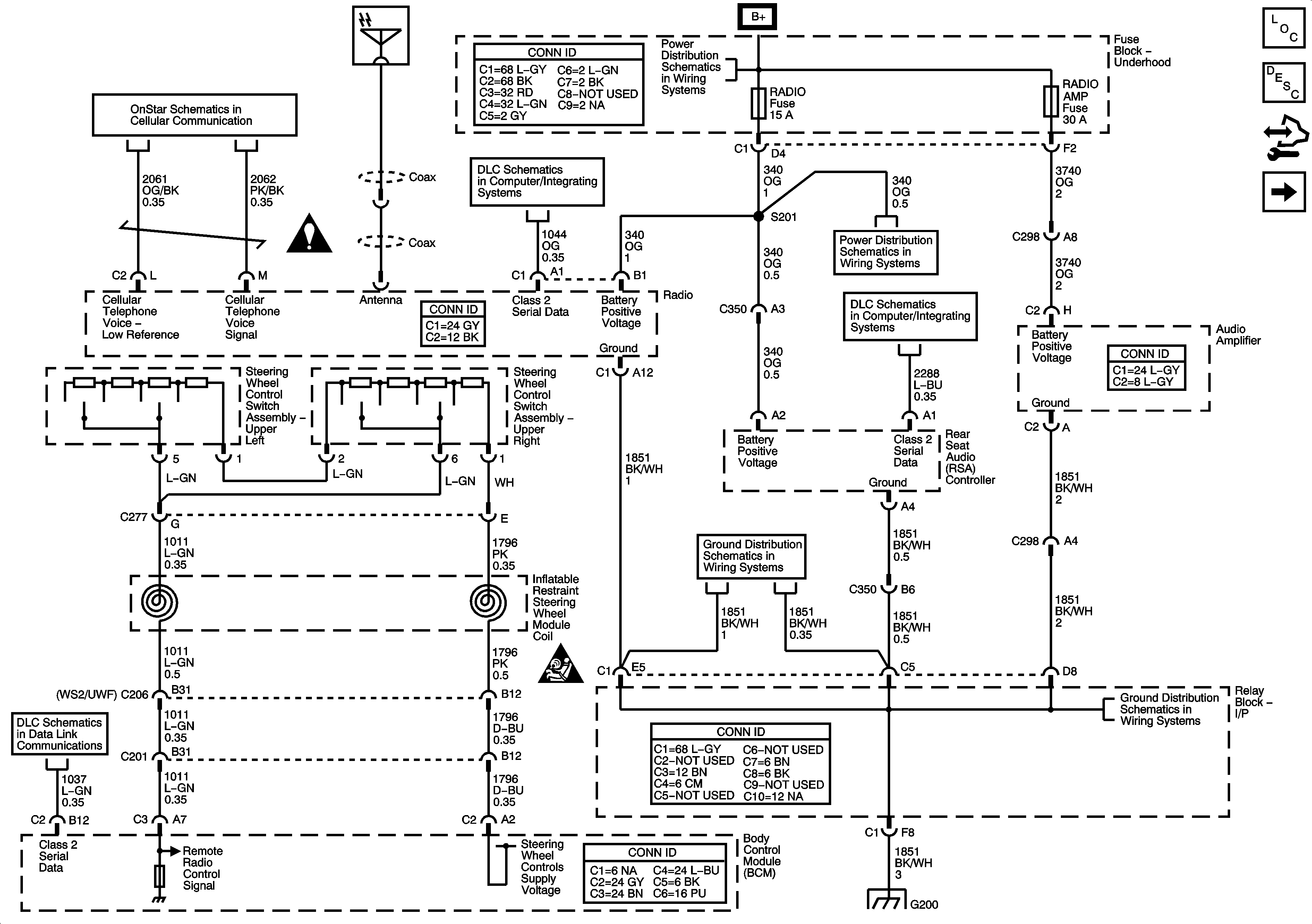
Figure 1:

Power, Ground, Serial Data, and Steering Wheel Controls


Object Number: 1567058  Size: FS
Master Electrical Component List
Radio/Audio System Description and Operation
Control Module References
Radio Audio Outputs and VSS Input
OnStar Schematics
AUX PWR, CIG LTR, RADIO, RADIO AMP, and SUNROOF Fuses
B+ Bus
Power, Ground, Data Link Connector, and SP205
AUX PWR, CIG LTR, RADIO, RADIO AMP, and SUNROOF Fuses
SP206 and SP207
G200
Power, Ground, Data Link Connector, and SP205
G200
Entertainment Schematic Icons
SIR Schematic Icons
Figure 2:

Radio Audio Outputs and VSS Input


Object Number: 1567059  Size: FS
Figure 3:

Front Speakers


Object Number: 1567060  Size: FS
Figure 4:

Rear Door Speakers and Subwoofer


Object Number: 1567061  Size: FS
Figure 5:

Digital Radio Receiver (U2K)


Object Number: 1567062  Size: FS