GM Service Manual Online
For 1990-2009 cars only
Makes
🢒
HUMMER
🢒
2006
🢒
H2
🢒
Body
🢒
Wiring Systems
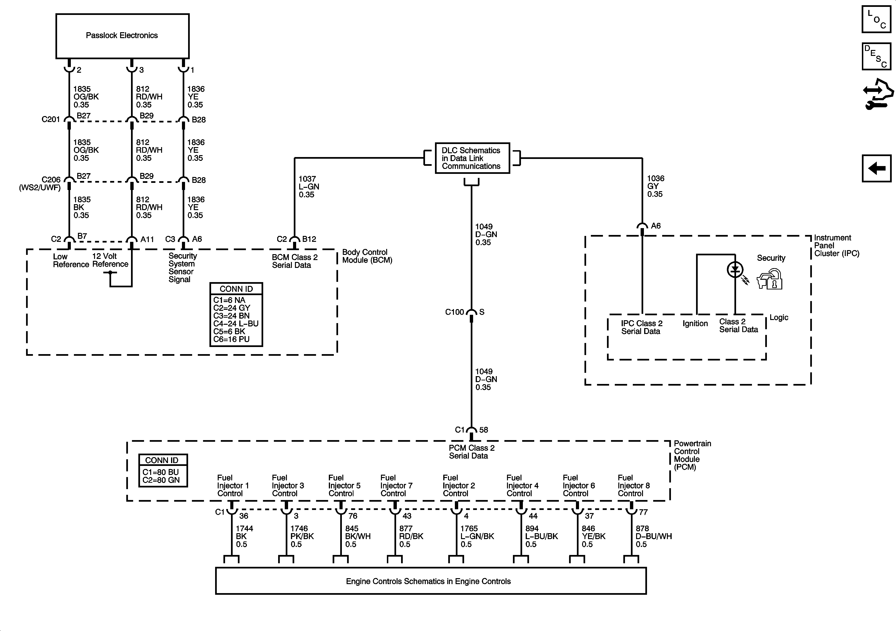
🢒 Theft Deterrent System Schematics
Figure
1:
Content Theft Deterrent
Figure
2:
Vehicle Theft Deterrent
Master Electrical Component List
Vehicle Theft Deterrent (VTD) Description and Operation
Control Module References
Content Theft Deterrent
Headlamps
Fuel Pump Controls and Fuel Injectors