GM Service Manual Online
For 1990-2009 cars only
Makes
🢒
HUMMER
🢒
2007
🢒
H2
🢒
Engine
🢒
Engine Electrical
🢒 Starting and Charging Schematics
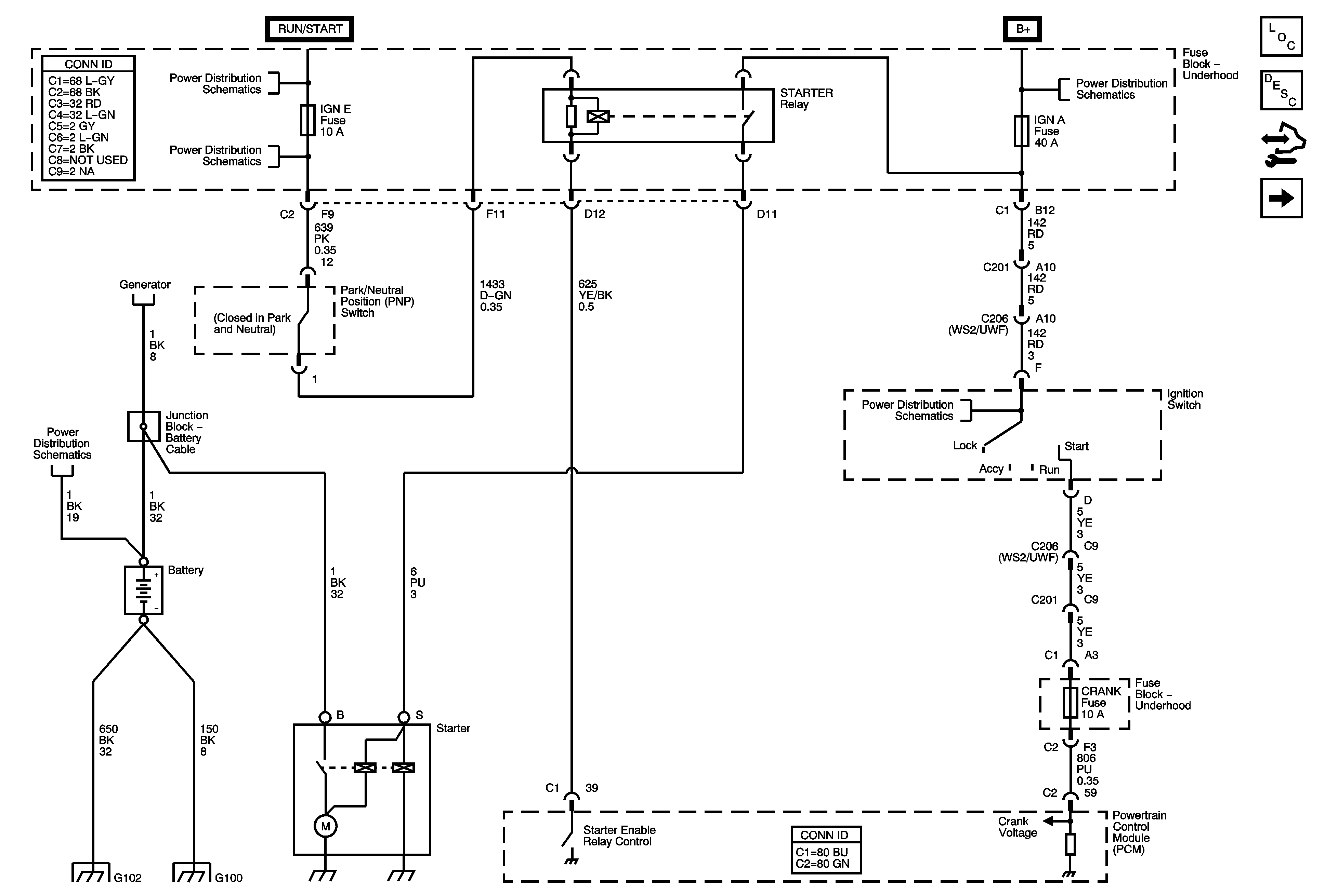
Figure
1:
Starting
Master Electrical Component List
Starting System Description and Operation
Control Module References
Charging
Ignition Switch - ACCY/RUN and RUN/START Bus Bars, and IGN B Fuse
IGN E, SEO IGN, and SIR Fuses
Charging
B+ Bus
B+ Bus
Ignition Switch - ACY/RUN/START, RUN and Start Bus Bars, and CRANK and IGN A Fuses
G100 and G105
G103 and G103
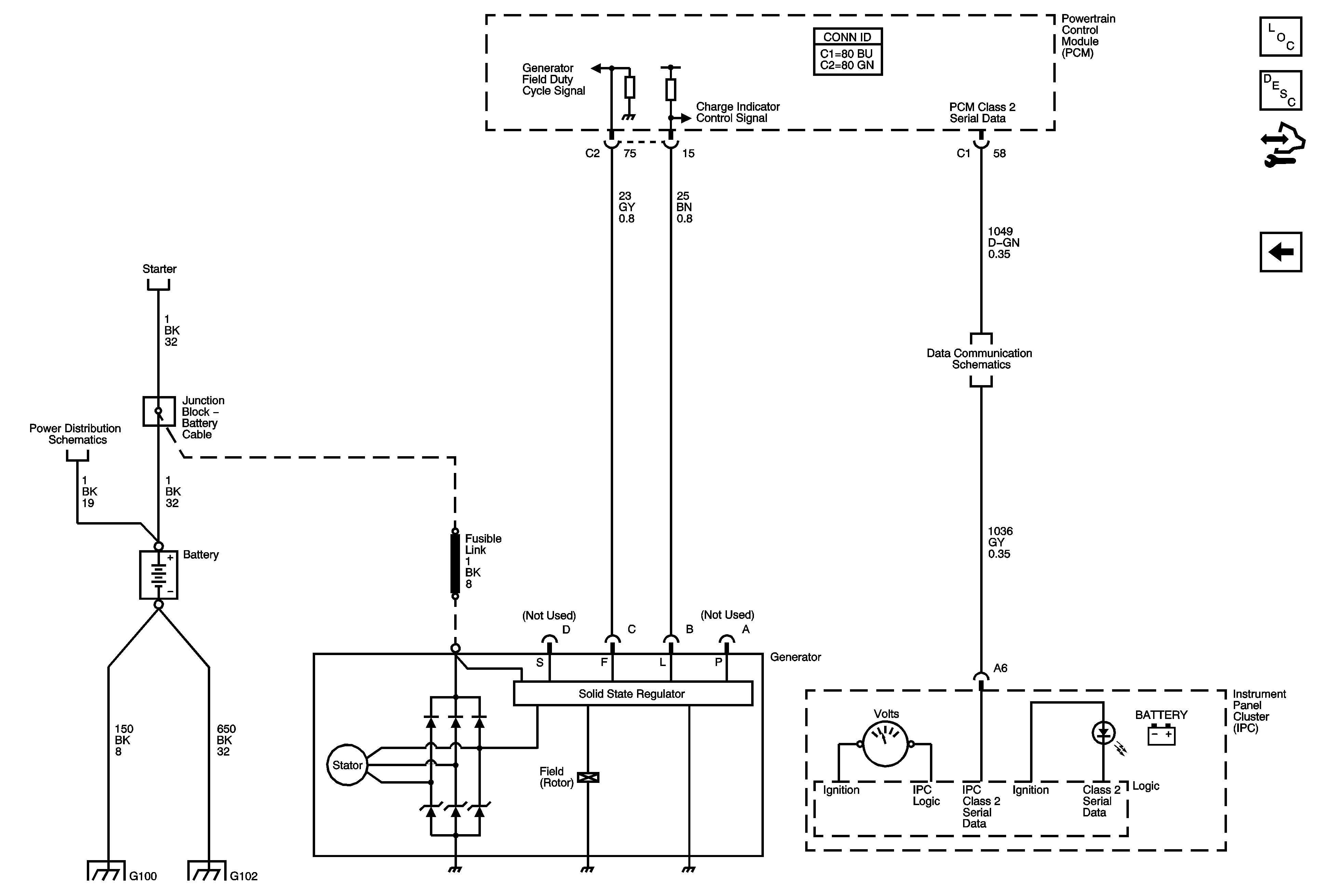
Figure
2:
Charging
Master Electrical Component List
Charging System Description and Operation
Control Module References
07 H2 Starting and Charging Schematics - Starting
B+ Bus
07 H2 Starting and Charging Schematics - Starting
Power, Ground, DLC and Splice Pack SP205
G100 and G105
G103 and G103