GM Service Manual Online
For 1990-2009 cars only
Figure 1:

Module Power, Ground, Serial Data, and MIL


Object Number: 1804715  Size: FS
Master Electrical Component List
Powertrain Control Module Description
Control Module References
Engine Data Sensors - 5-Volt and Low Reference
Engine Controls Schematic Icons
G104 and G106
ETC/ECM, INJ 1, INJ 2, and PCM 1 Fuses
B+ Bus
HVAC/ECAS, IPC/DIC, PCM B, SEO B1, SEO B2, TBC BATT, and TREC Fuses
Ignition Switch - ACY/RUN/START, RUN and Start Bus Bars, and CRANK and IGN A Fuses
IGN 0, RR WPR, SEO ACCY, TBC ACCY, TBC IGN 0, and WS WPR Fuses
IGN 0, RR WPR, SEO ACCY, TBC ACCY, TBC IGN 0, and WS WPR Fuses
IGN 0, RR WPR, SEO ACCY, TBC ACCY, TBC IGN 0, and WS WPR Fuses
Power, Ground, DLC and Splice Pack SP205
G103 and G103
G103 and G103
G104 and G106
Figure 2:

Engine Data Sensors - 5-Volt and Low Reference


Object Number: 1804717  Size: FS
Master Electrical Component List
Powertrain Control Module Description
Control Module References
Engine Data Sensors - Pressure, Temperature, MAF, and VSS
Module Power, Ground, Serial Data, and MIL
Engine Controls Schematic Icons
Figure 3:

Engine Data Sensors - Pressure, Temperature, MAF, and VSS


Object Number: 1804727  Size: FS
Master Electrical Component List
Powertrain Control Module Description
Control Module References
Engine Data Sensors - Oxygen Sensors
Engine Data Sensors - 5-Volt and Low Reference
Engine Controls Schematic Icons
Pressure Controls, Temperature, and VSS
Gages
ETC/ECM, INJ 1, INJ 2, and PCM 1 Fuses
G103 and G103
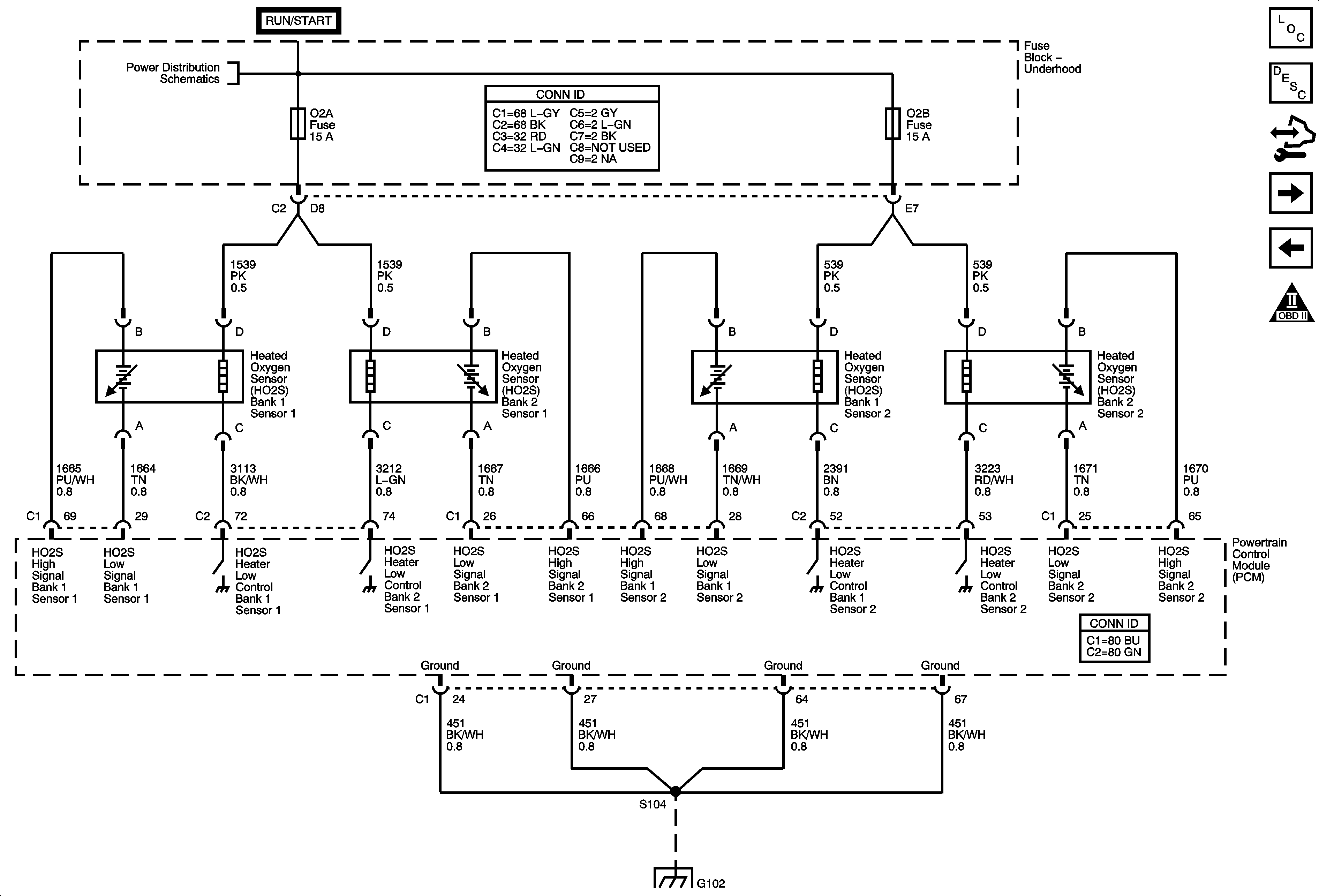
Figure 4:

Engine Data Sensors - Oxygen Sensors


Object Number: 1804732  Size: FS
Master Electrical Component List
Powertrain Control Module Description
Control Module References
Engine Data Sensors - Electronic Throttle Controls
Engine Data Sensors - Pressure, Temperature, MAF, and VSS
Engine Controls Schematic Icons
Ignition Switch - ACCY/RUN and RUN/START Bus Bars, and IGN B Fuse
G103 and G103
Figure 5:

Engine Data Sensors - Electronic Throttle Controls


Object Number: 1804737  Size: FS
Master Electrical Component List
Throttle Actuator Control (TAC) System Description
Control Module References
Ignition Controls - Ignition System Coils 1, 3, 5, 7
Engine Data Sensors - Oxygen Sensors
Engine Controls Schematic Icons
ETC/ECM, INJ 1, INJ 2, and PCM 1 Fuses
ETC/ECM, INJ 1, INJ 2, and PCM 1 Fuses
Cruise Control Schematics
Stop Lamps
G104 and G106
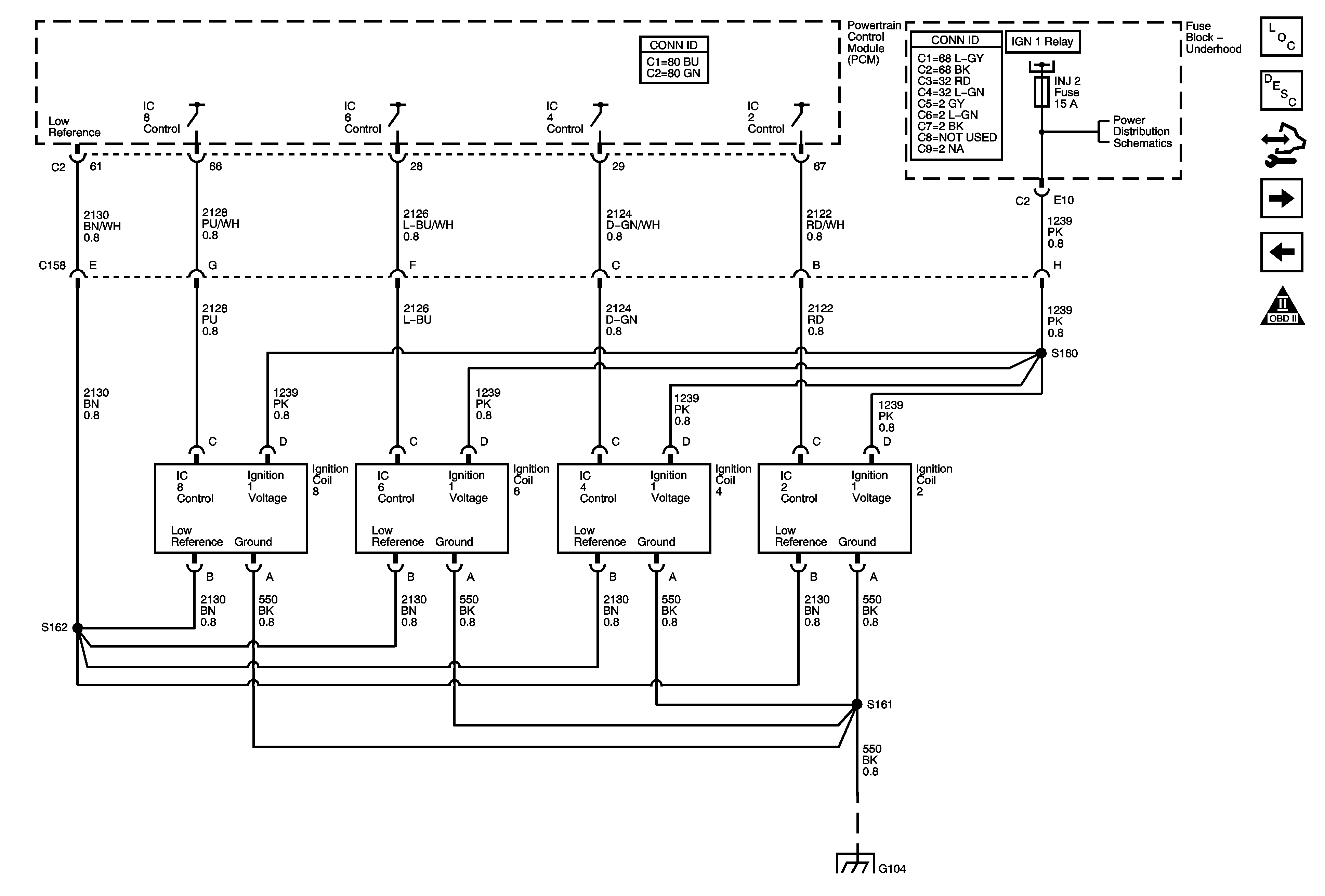
Figure 6:

Ignition Controls - Ignition System Coils 1, 3, 5, and 7


Object Number: 1804740  Size: FS
Master Electrical Component List
Electronic Ignition (EI) System Description
Control Module References
Ignition Controls - Ignition System Coils 2, 4, 6, 8
Engine Data Sensors - Electronic Throttle Controls
Engine Controls Schematic Icons
ETC/ECM, INJ 1, INJ 2, and PCM 1 Fuses
ETC/ECM, INJ 1, INJ 2, and PCM 1 Fuses
G104 and G106
Figure 7:

Ignition Controls - Ignition System Coils 2, 4, 6, and 8


Object Number: 1804744  Size: FS
Master Electrical Component List
Electronic Ignition (EI) System Description
Control Module References
Ignition Controls - Sensors
Ignition Controls - Ignition System Coils 1, 3, 5, 7
Engine Controls Schematic Icons
ETC/ECM, INJ 1, INJ 2, and PCM 1 Fuses
ETC/ECM, INJ 1, INJ 2, and PCM 1 Fuses
G104 and G106
Figure 8:

Ignition Controls - Sensors


Object Number: 1804746  Size: FS
Master Electrical Component List
Electronic Ignition (EI) System Description
Control Module References
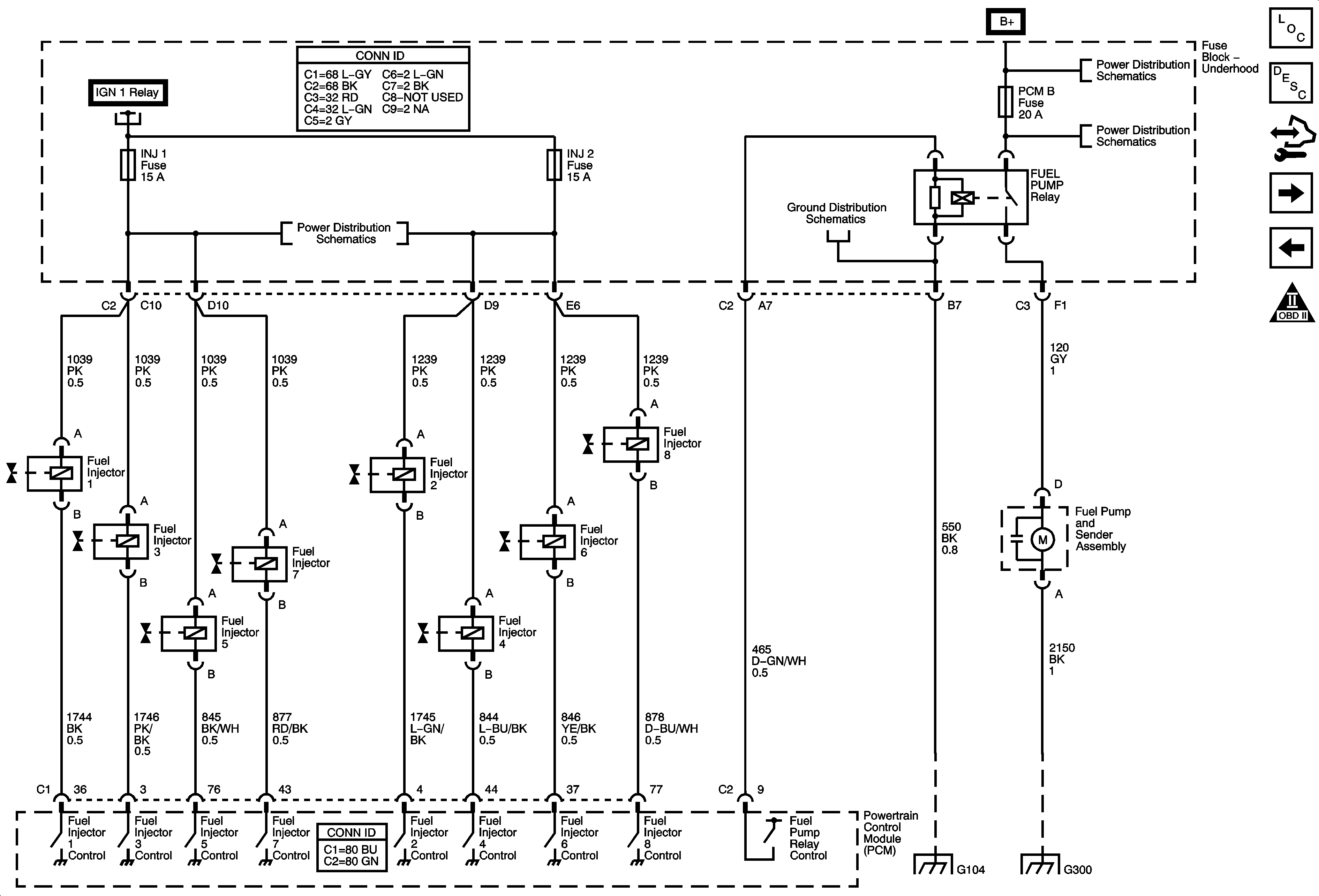
Fuel Pump Controls and Fuel Injectors
Ignition Controls - Ignition System Coils 2, 4, 6, 8
Engine Controls Schematic Icons
Gages
Figure 9:

Fuel Pump Controls and Fuel Injectors


Object Number: 1804752  Size: FS
Master Electrical Component List
Fuel System Description
Control Module References
Fuel Controls - EVAP Controls
Ignition Controls - Sensors
Engine Controls Schematic Icons
ETC/ECM, INJ 1, INJ 2, and PCM 1 Fuses
ETC/ECM, INJ 1, INJ 2, and PCM 1 Fuses
G104 and G106
HVAC/ECAS, IPC/DIC, PCM B, SEO B1, SEO B2, TBC BATT, and TREC Fuses
G300, G310, G401, and G403
G104 and G106
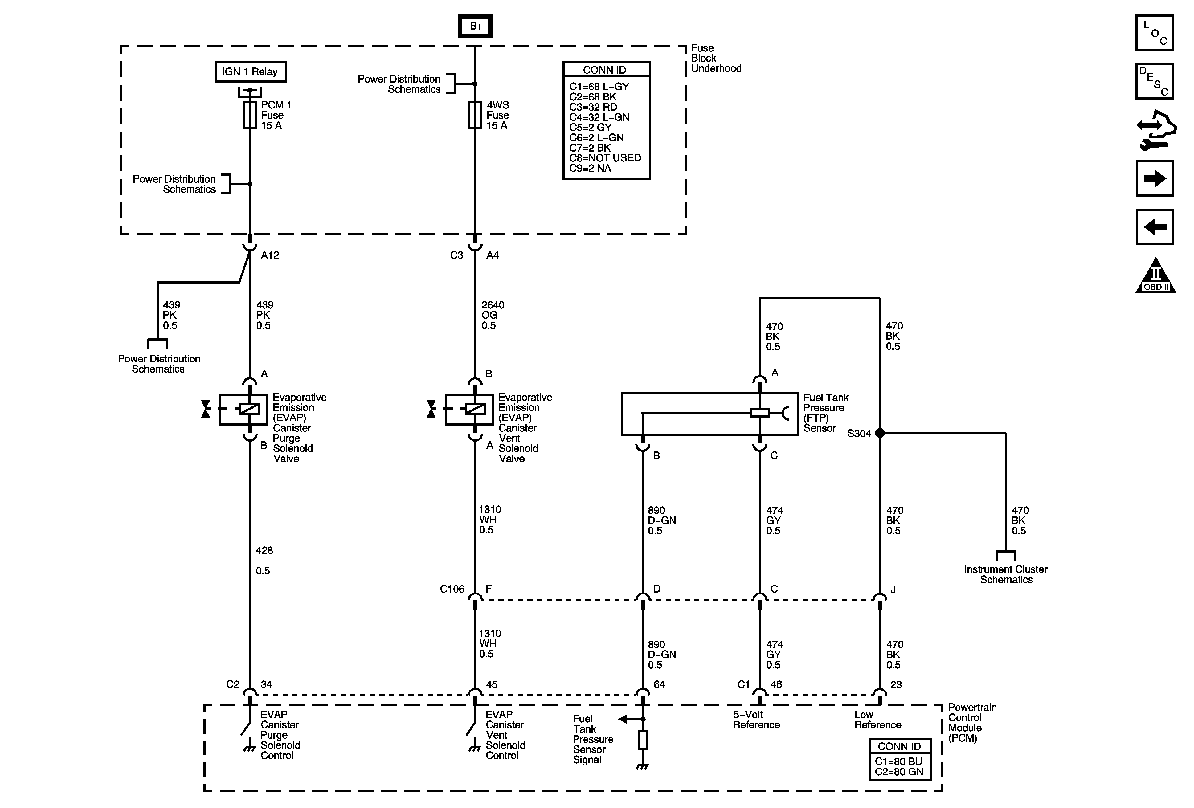
Figure 10:

Fuel Controls - EVAP Controls


Object Number: 1804755  Size: FS
Master Electrical Component List
Evaporative Emission Control System Description
Control Module References
Controlled/Monitored Subsystem References
Fuel Pump Controls and Fuel Injectors
Engine Controls Schematic Icons
ETC/ECM, INJ 1, INJ 2, and PCM 1 Fuses
ETC/ECM, INJ 1, INJ 2, and PCM 1 Fuses
ETC/ECM, INJ 1, INJ 2, and PCM 1 Fuses
Gages
Figure 11:

Controlled/Monitored Subsystem References


Object Number: 1804757  Size: FS
Master Electrical Component List
Powertrain Control Module Description
Control Module References
Fuel Controls - EVAP Controls
Engine Controls Schematic Icons
Shift Controls and Stop Lamp Switch
Pressure Controls, Temperature, and VSS
Gages
Pressure Controls, Temperature, and VSS
07 H2 Starting and Charging Schematics - Starting
PNP Switch, 4WD Signal, Serial Data, and Indicator
Compressor Controls
Gages
PNP Switch, 4WD Signal, Serial Data, and Indicator
Charging
Indicators