GM Service Manual Online
For 1990-2009 cars only
Makes
🢒
HUMMER
🢒
2007
🢒
H2
🢒
Body Systems
🢒
Lighting
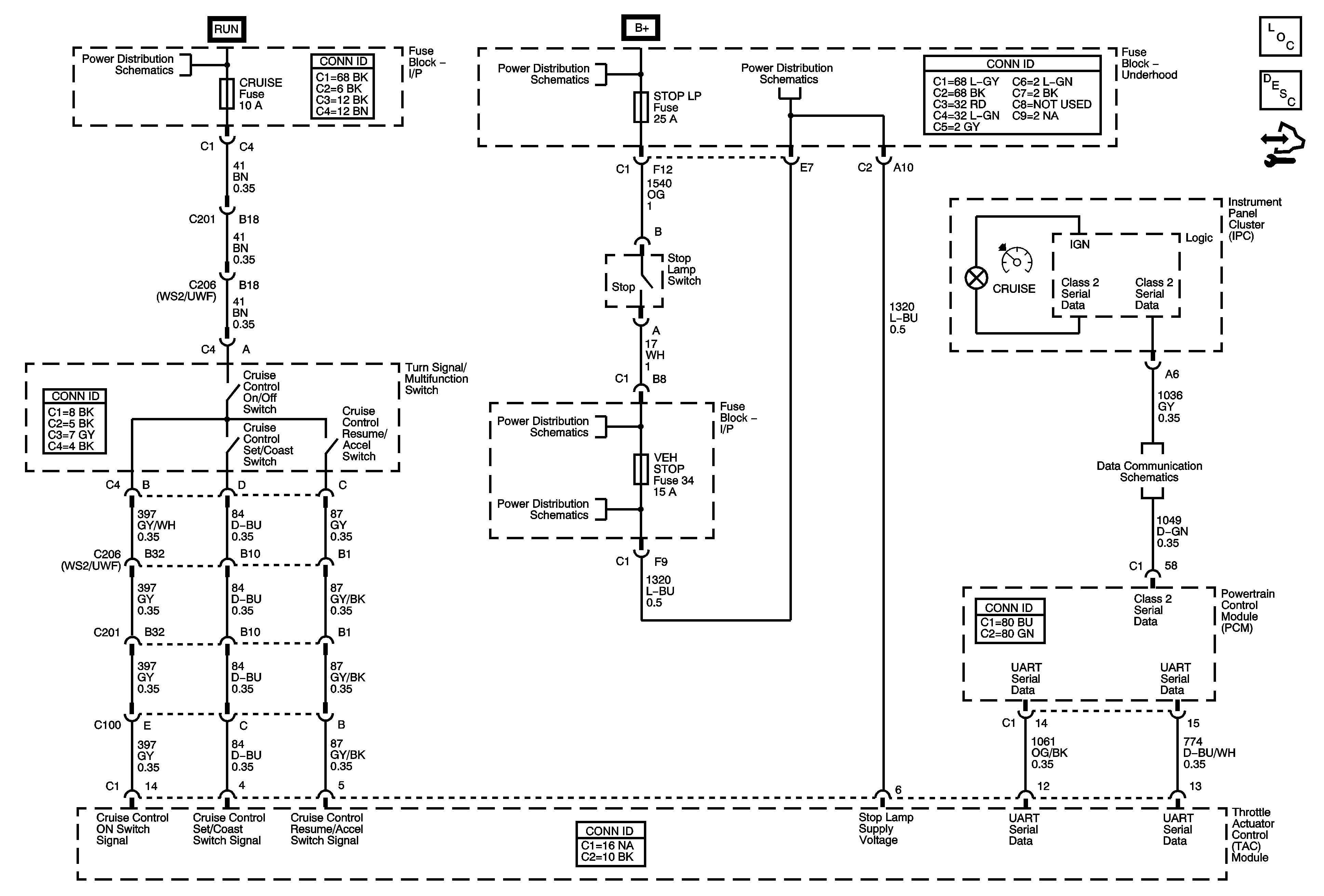
🢒 Cruise Control Schematics
Master Electrical Component List
Cruise Control Description and Operation
Control Module References
Ignition Switch - ACY/RUN/START, RUN and Start Bus Bars, and CRANK and IGN A Fuses
B+ Bus
4WS, RR DEFOG, RR WPR, STOP LP, VEH CHMSL, and VEH STOP Fuses
4WS, RR DEFOG, RR WPR, STOP LP, VEH CHMSL, and VEH STOP Fuses