GM Service Manual Online
For 1990-2009 cars only
Figure 1:

Interior Light Controls, BCM, and Door Ajar Switches


Object Number: 1805815  Size: FS
Master Electrical Component List
Interior Lighting Systems Description and Operation
Control Module References
Courtesy Lamps - Rear Doors and B-Pillars
Power, Ground, DLC and Splice Pack SP205
Rear Wiper/Washer Controls and Washer Fluid Level Sensor
G402, G405, and G410
G302, G304, and G306
Theft Deterrent Schematics
Theft Deterrent Schematics
G200
Figure 2:

Courtesy Lamps - Rear Doors and B-Pillars


Object Number: 1805829  Size: FS
Master Electrical Component List
Interior Lighting Systems Description and Operation
Control Module References
Courtesy Lamps - Headliner
Interior Lights Controls, BCM, and Door Ajar Switches
Courtesy Lamps - Headliner
G302, G304, and G306
G302, G304, and G306
G302, G304, and G306
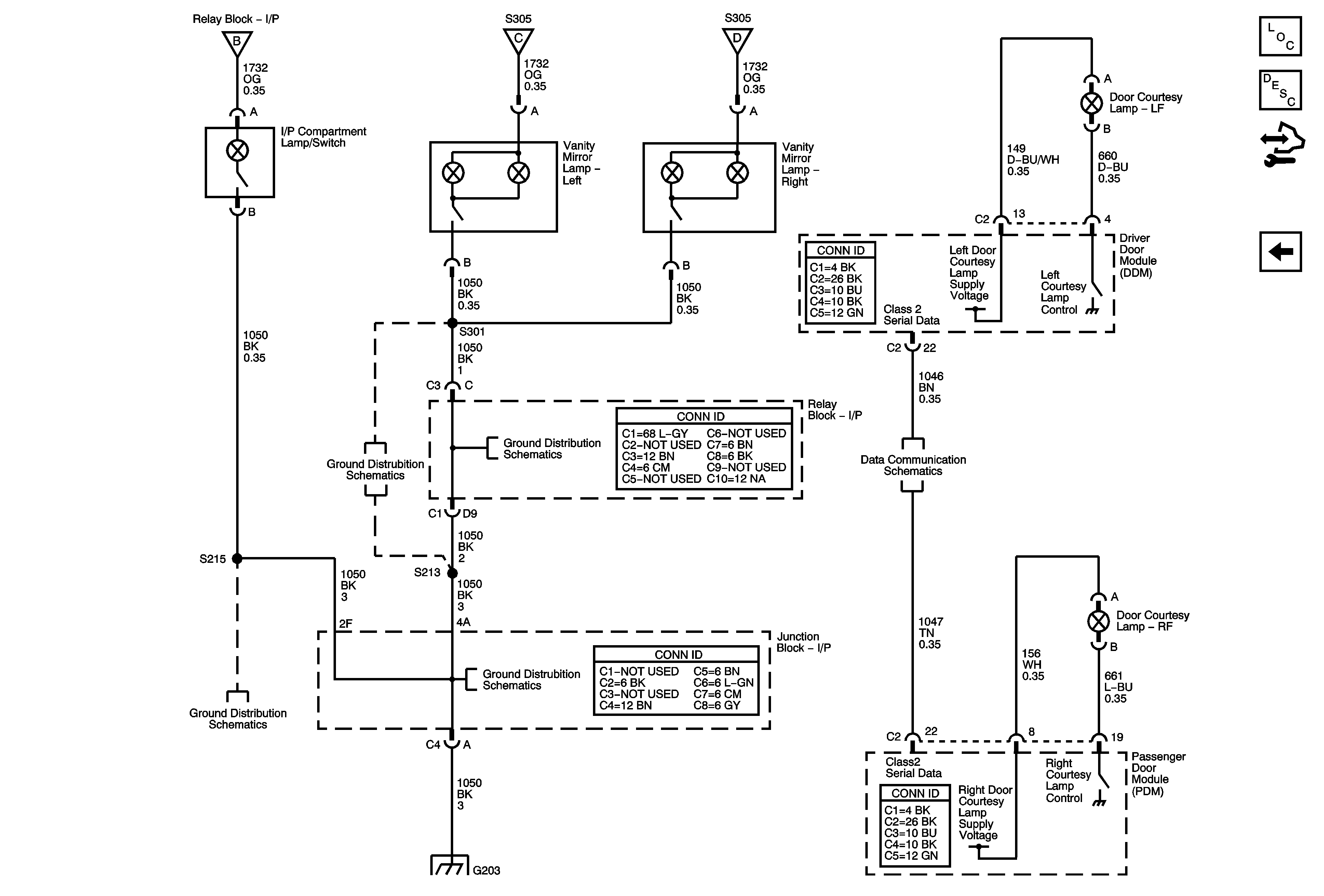
Figure 3:

Courtesy Lamps - Headliner


Object Number: 1805836  Size: FS
Master Electrical Component List
Interior Lighting Systems Description and Operation
Control Module References
07 H2 Interior Lights Schematics - Courtesy Lamps - Front Doors, Vanity Mirrors, and I/P Compartment Lamp
Courtesy Lamps - Rear Doors and B-Pillars
07 H2 Interior Lights Schematics - Courtesy Lamps - Front Doors, Vanity Mirrors, and I/P Compartment Lamp
07 H2 Interior Lights Schematics - Courtesy Lamps - Front Doors, Vanity Mirrors, and I/P Compartment Lamp
Courtesy Lamps - Rear Doors and B-Pillars
G203 - 2 of 3
G203 - 2 of 3
G203 - 1 of 3
G203 - 1 of 3
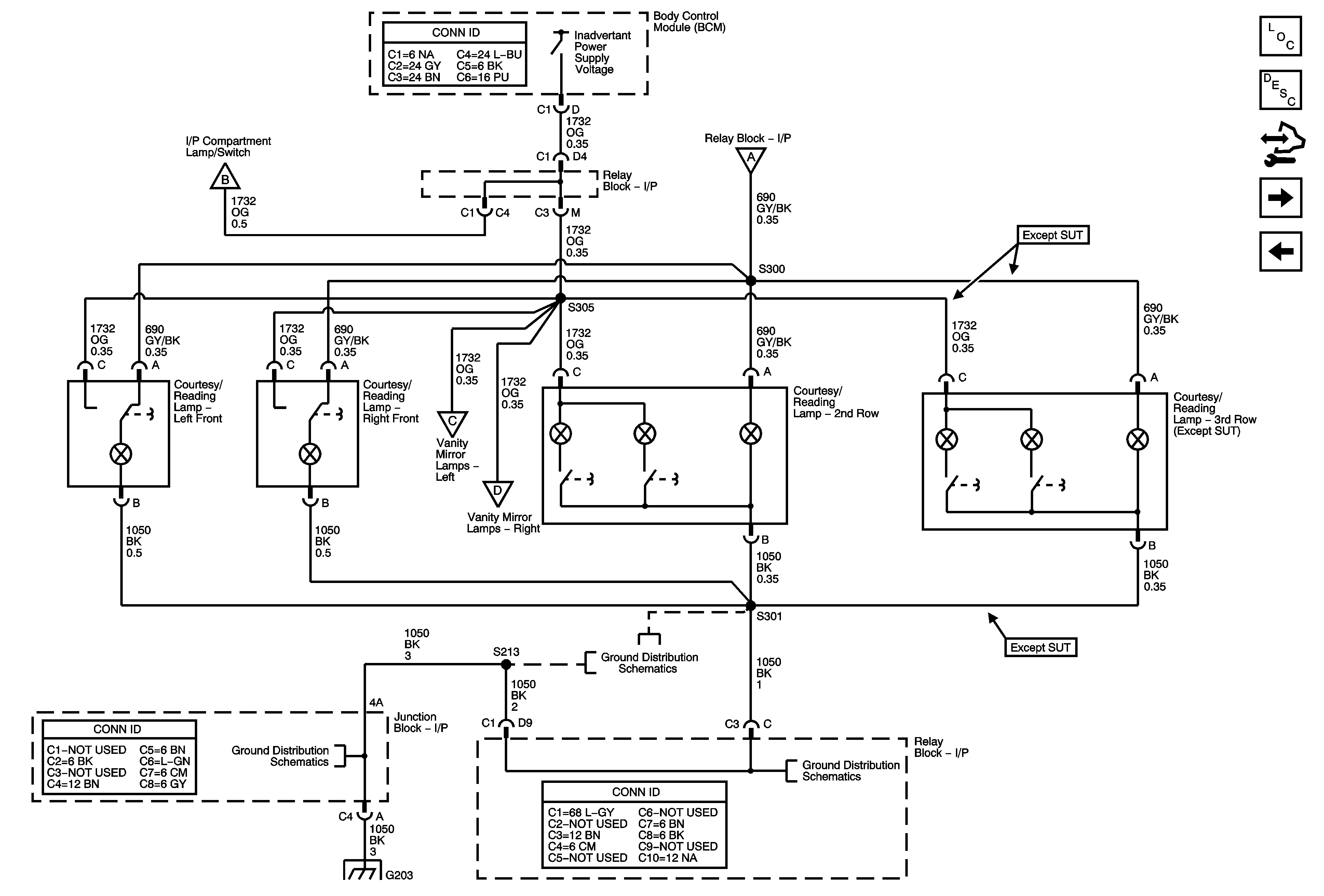
Figure 4:

Courtesy Lamps - Front Doors, Vanity Mirrors, and I/P Compartment Lamp


Object Number: 1805839  Size: FS
Master Electrical Component List
Interior Lighting Systems Description and Operation
Control Module References
Courtesy Lamps - Headliner
Courtesy Lamps - Headliner
G203 - 2 of 3
G203 - 2 of 3
Power, Ground, DLC and Splice Pack SP205
G203 - 1 of 3
G203 - 1 of 3
G203 - 1 of 3