GM Service Manual Online
For 1990-2009 cars only
Makes
🢒
HUMMER
🢒
2007
🢒
H2
🢒
Body Systems
🢒
Mirrors
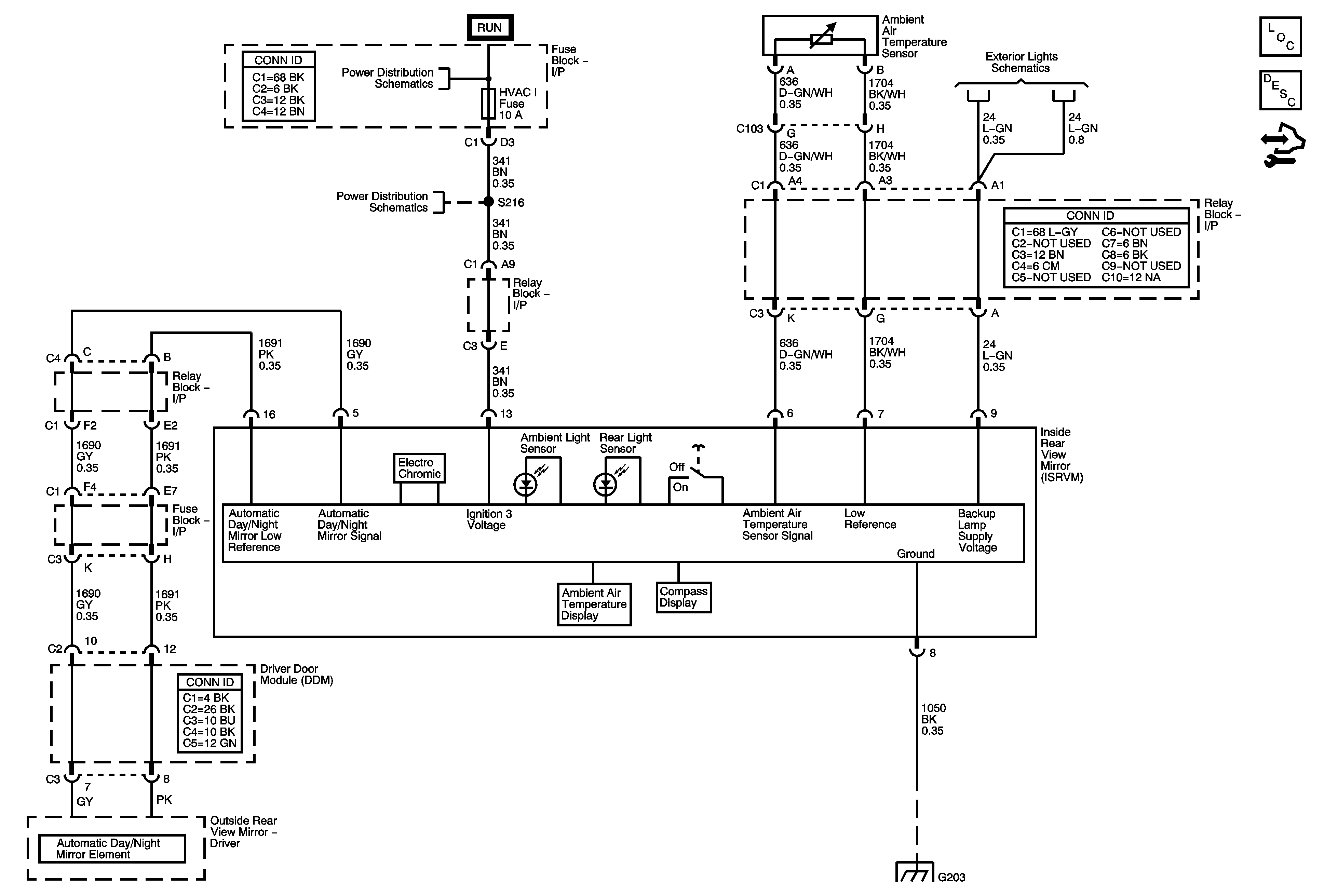
🢒 Inside Rearview Mirror Schematics
Master Electrical Component List
Automatic Day-Night Mirror Description and Operation
Control Module References
Ignition Switch - ACY/RUN/START, RUN and Start Bus Bars, and CRANK and IGN A Fuses
4WD, BRAKE, CRUISE, HVAC 1, and IGN 3 Fuses
Backup Lamps
G203 - 2 of 3