GM Service Manual Online
For 1990-2009 cars only

Removal Procedure

  1. Remove the midgate inner panel. Refer to Midgate Inner Panel Replacement .

  2. Object Number: 1412518  Size: SH
  3. Remove the midgate window. Refer to Midgate Window Replacement .

  4. Object Number: 1412517  Size: SH
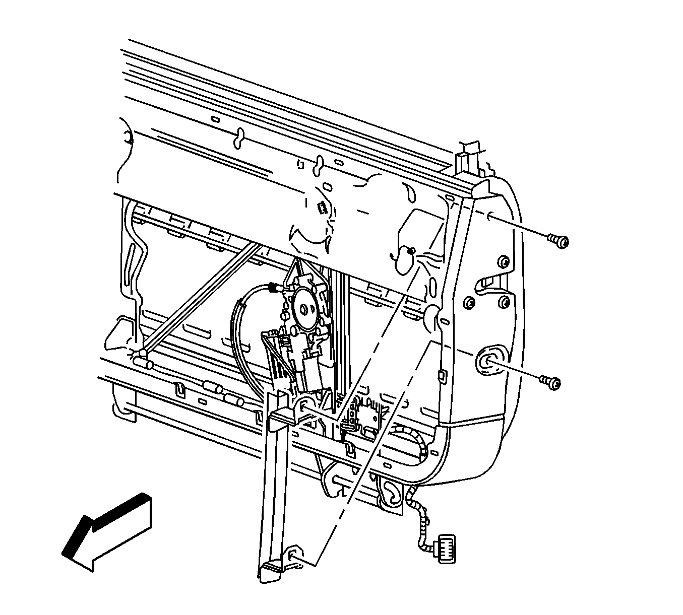
  5. Remove the screws retaining the midgate window run channels.
  6. Disconnect the electrical connectors.
  7. Remove the wiring harness retainer from the window run channel brackets.
  8. Remove the window run channels from the midgate.

Installation Procedure


    Object Number: 1412517  Size: SH
  1. Install the midgate window run channels to the midgate.
  2. Loosely install the screws retaining the midgate window run channels to the midgate.
  3. Install the wiring harness retainer to the window run channel bracket.

  4. Object Number: 1412518  Size: SH
  5. Install the midgate window. Refer to Midgate Window Replacement .
  6. Connect the electrical connectors.
  7. Notice: Refer to Fastener Notice in the Preface section.

  8. Finish tightening the screws retaining the window run channels to the midgate.
  9. Tighten
    Tighten the screws to 10 N·m (89 lb in).

  10. Adjust the midgate window, if necessary. Refer to Midgate Window Adjustment .
  11. Install the midgate inner panel. Refer to Midgate Inner Panel Replacement .