GM Service Manual Online
For 1990-2009 cars only
Makes
🢒
HUMMER
🢒
2007
🢒
H2
🢒
Body Systems
🢒
Vehicle Access
🢒 Release Systems Schematics
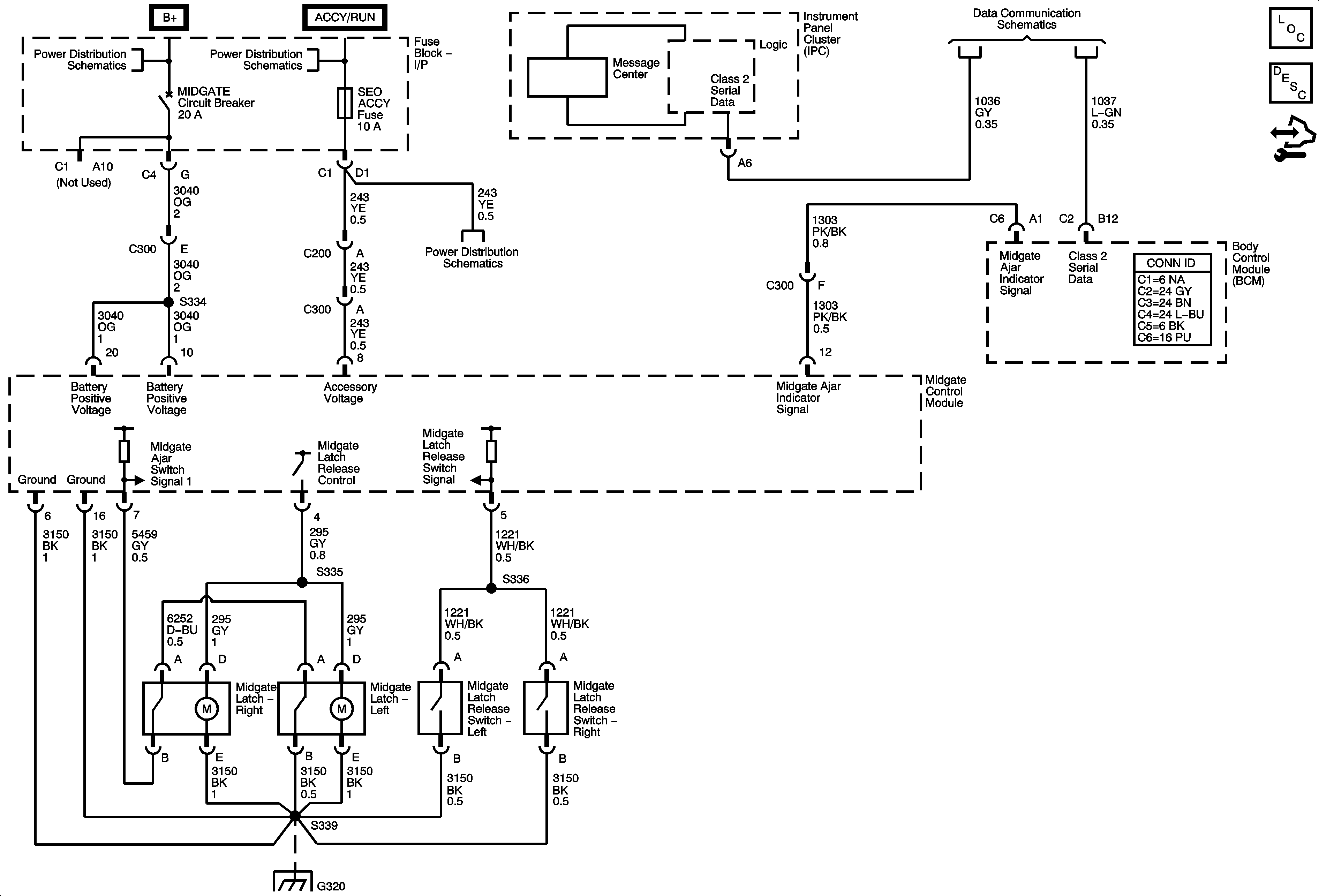
Midgate Release System
Master Electrical Component List
Midgate Description and Operation
Control Module References
DDM, INFO, LBEC1, LBEC2, LGATE, LOCKS, PDM, TBC 2A, TBC 2B, and TBC 2C Fuses and LEFT DOOR and MIDGATE Circuit Breakers
Ignition Switch - ACCY/RUN and RUN/START Bus Bars, and IGN B Fuse
IGN 0, RR WPR, SEO ACCY, TBC ACCY, TBC IGN 0, and WS WPR Fuses
Power, Ground, DLC and Splice Pack SP205
G320 - SUT