GM Service Manual Online
For 1990-2009 cars only

Rear Compartment Side Trim Replacement - Left Side SUT

Removal Procedure

  1. Open the spare tire carrier to the full open position.
  2. Lower the endgate.
  3. Remove the left rear sail panel molding. Refer to Sail Panel Molding Replacement.
  4. Open the midgate.
  5. Release the exterior midgate weatherstrip up to the stationary opera quarter window.

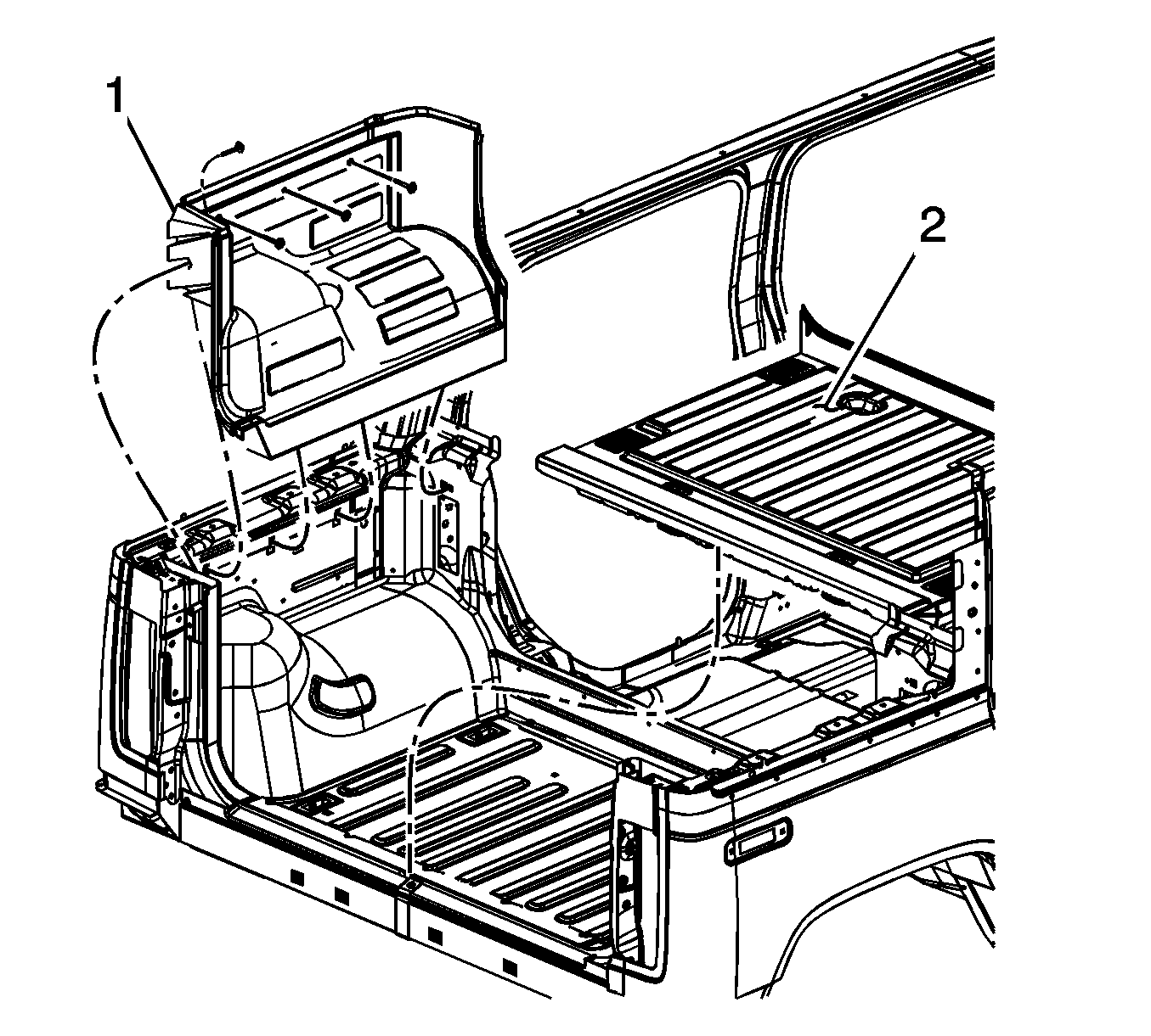
  6. Object Number: 1412532  Size: SH
  7. Remove the bolts (1) securing the rear cargo liner tie down loops (2) to the body.
  8. Remove the bolts, loops and floor liner from the vehicle.

  9. Object Number: 1412540  Size: SH
  10. Remove the screws securing the left rear compartment side trim panel (1) to the body.
  11. Remove the left rear compartment side trim panel from the pickup box.

Installation Procedure


    Object Number: 1412540  Size: SH
  1. Position the left rear compartment side trim panel (1) to the pickup box.
  2. Notice: Refer to Fastener Notice in the Preface section.

  3. Install the screws.
  4. Tighten
    Tighten the screws to 10 N·m (89 lb in).

  5. Position the floor liner to the floor.
  6. Install the cargo tie down loops.
  7. Install the cargo tie down loop bolts.
  8. Tighten
    Tighten the bolts to 9 N·m (80 lb in).

  9. Reposition the midgate weatherstrip onto the pinch-weld flange and over the floor liner and front edge of the left rear compartment side trim panel.
  10. Close the midgate.
  11. Install the left rear sail panel molding. Refer to Sail Panel Molding Replacement.
  12. Close the endgate.
  13. Latch and secure the spare tire carrier.