GM Service Manual Online
For 1990-2009 cars only

Removal Procedure

  1. Turn the steering wheel to the straight forward position, support it from movement, and remove the key from the ignition.
  2. Important: When pipes/hoses are disconnected, plug or cap all openings of components during service. Failure to do so could result in contamination or loss of power steering fluid and damage to the system.


    Object Number: 1830728  Size: SH
  3. Disconnect the power steering cooler pipe/hose from the steering gear. Discard the O-ring seal.

  4. Object Number: 1830917  Size: SH
  5. Disconnect the power steering gear inlet pipe/hose from the steering gear. Discard the O-ring seal.
  6. Important: Locking of the steering column will prevent damage and a possible malfunction of the SIR system.


    Object Number: 1830922  Size: SH
  7. Remove the intermediate shaft pinch bolt and disconnect the intermediate shaft from the steering gear.
  8. Notice: Do not start the vehicle with any power steering gear inlet or outlet hoses disconnected. When disconnected, plug or cap all openings of components. Failure to do so could result in contamination or loss of power steering fluid and damage to the system.

  9. Raise and suitably support the vehicle. Refer to Lifting and Jacking the Vehicle .
  10. Remove the engine protection shield. Refer to Engine Protection Shield Replacement .
  11. Remove the pitman arm from the steering gear. Refer to Pitman Arm Replacement .

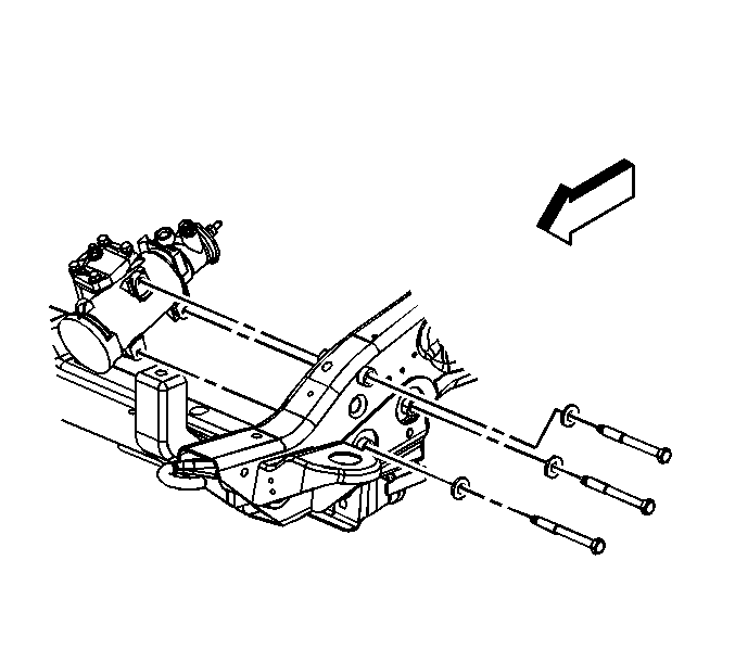
  12. Object Number: 793263  Size: SH
  13. Remove the 3  steering gear mounting bolts retaining the steering gear to the frame.
  14. Remove the steering gear from the vehicle.

Installation Procedure

    Notice: Refer to Fastener Notice in the Preface section.


    Object Number: 793263  Size: SH

    Important: Start all of the steering gear bolts by hand and fully seat them before finalizing the torque.

  1. Position the steering gear to the frame and install the 3  steering gear mounting bolts.
  2. Tighten
    Tighten the 3  steering gear mounting bolts to 150 N·m (111 lb ft).

  3. Install the pitman arm to the steering gear. Refer to Pitman Arm Replacement .
  4. Install the engine protection shield. Refer to Engine Protection Shield Replacement .
  5. Lower the vehicle.

  6. Object Number: 1830922  Size: SH
  7. Position the intermediate shaft to the steering gear and install the pinch bolt.
  8. Tighten
    Tighten the intermediate shaft lower pinch bolt to 47 N·m (35 lb ft).


    Object Number: 1830917  Size: SH
  9. Using new O-ring seals, connect the power steering gear inlet pipe/hose to the steering gear.
  10. Tighten
    Tighten the power steering gear inlet pipe/hose fitting to 28 N·m (21 lb ft).


    Object Number: 1830728  Size: SH
  11. Using new O-ring seals, connect the power steering cooler pipe/hose to the steering gear.
  12. Tighten
    Tighten the power steering cooler pipe/hose fitting to 28 N·m (21 lb ft).

  13. Fill and bleed the power steering system. Refer to Power Steering System Bleeding .