GM Service Manual Online
For 1990-2009 cars only
Makes
🢒
HUMMER
🢒
2007
🢒
H2
🢒
Power and Signal Distribution
🢒
Power Outlets
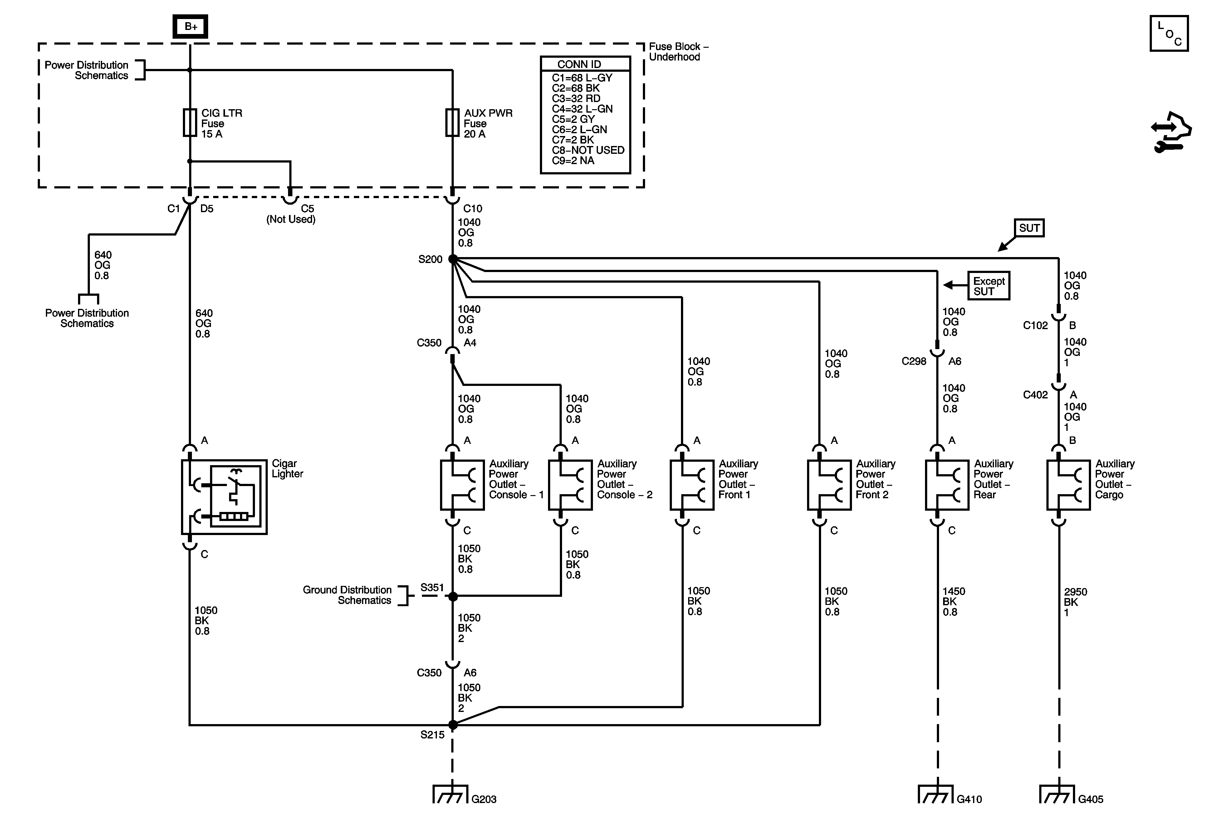
🢒 Cigar Lighter/Power Outlet Schematics
Master Electrical Component List
Control Module References
B+ Bus
AUX PWR, CIG LTR, RADIO, RADIO AMP, and SUNROOF Fuses
G203 - 1 of 3
G203 - 1 of 3
G402, G405, and G410