| Figure 1: |
Forward Lamp Harness Routing
|
| Figure 2: |
Forward Lamp Harness to Fuse Block - Underhood
|
| Figure 3: |
Engine Harness Routing (6.0L)
|
| Figure 4: |
Heated Washer Harness (WS2)
|
| Figure 5: |
I/P Harness Routing 1 of 2
|
| Figure 6: |
I/P Harness Routing 2 of 2
|
| Figure 7: |
Body Harness Routing
|
| Figure 8: |
Chassis Harness Routing
|
| Figure 9: |
Rear Vision Harness (UVC)
|
| Figure 10: |
Roof Marker Harness Routing
|
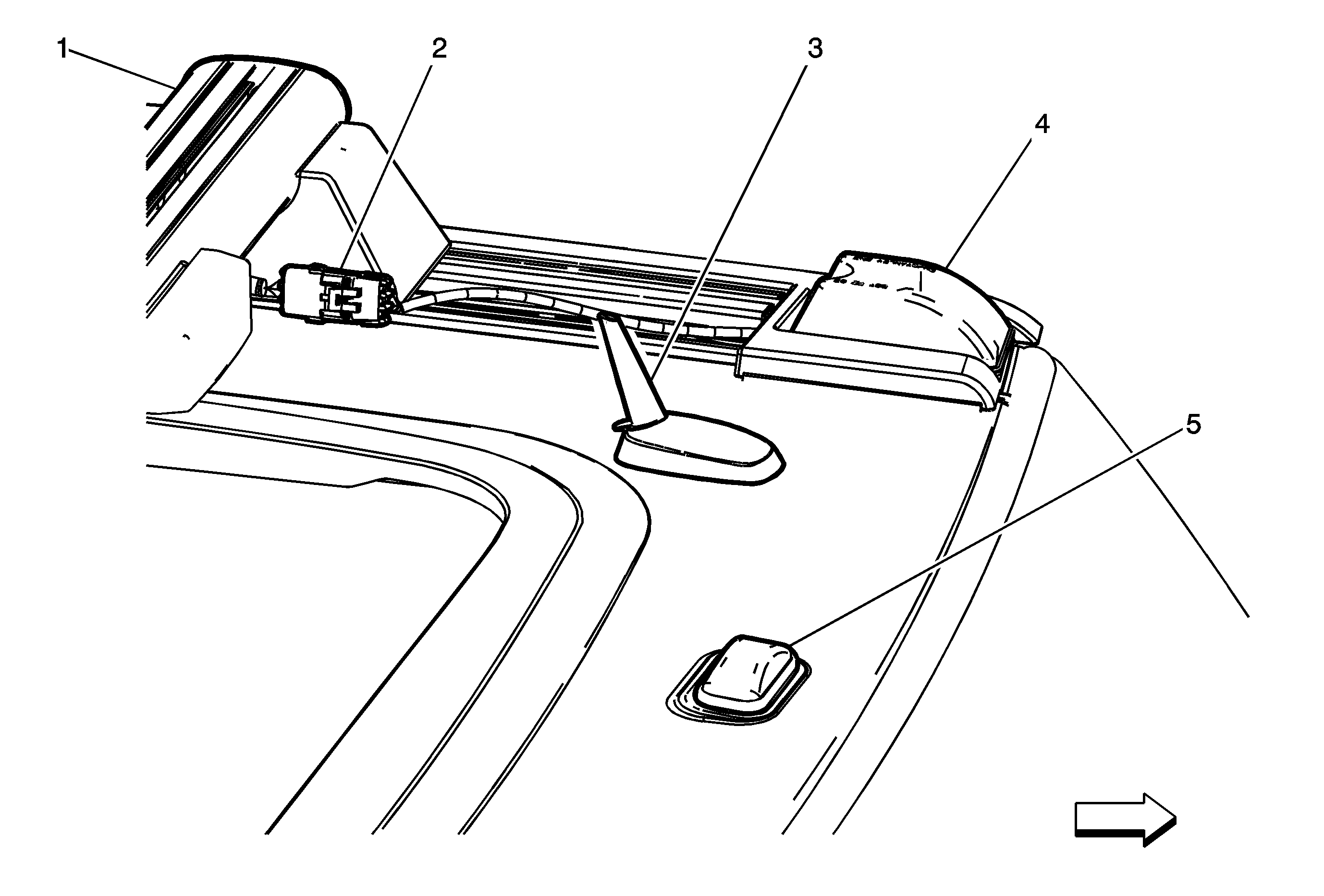
| Figure 11: |
Headliner Harness Routing
|
| Figure 12: |
Roof Lamp Harness (USB, USC, USD)
|
| Figure 13: |
Left Front of Roof
|
| Figure 14: |
Liftgate Harness Routing
|
| Figure 15: |
C100
|
| Figure 16: |
C101,C104 and C106
|
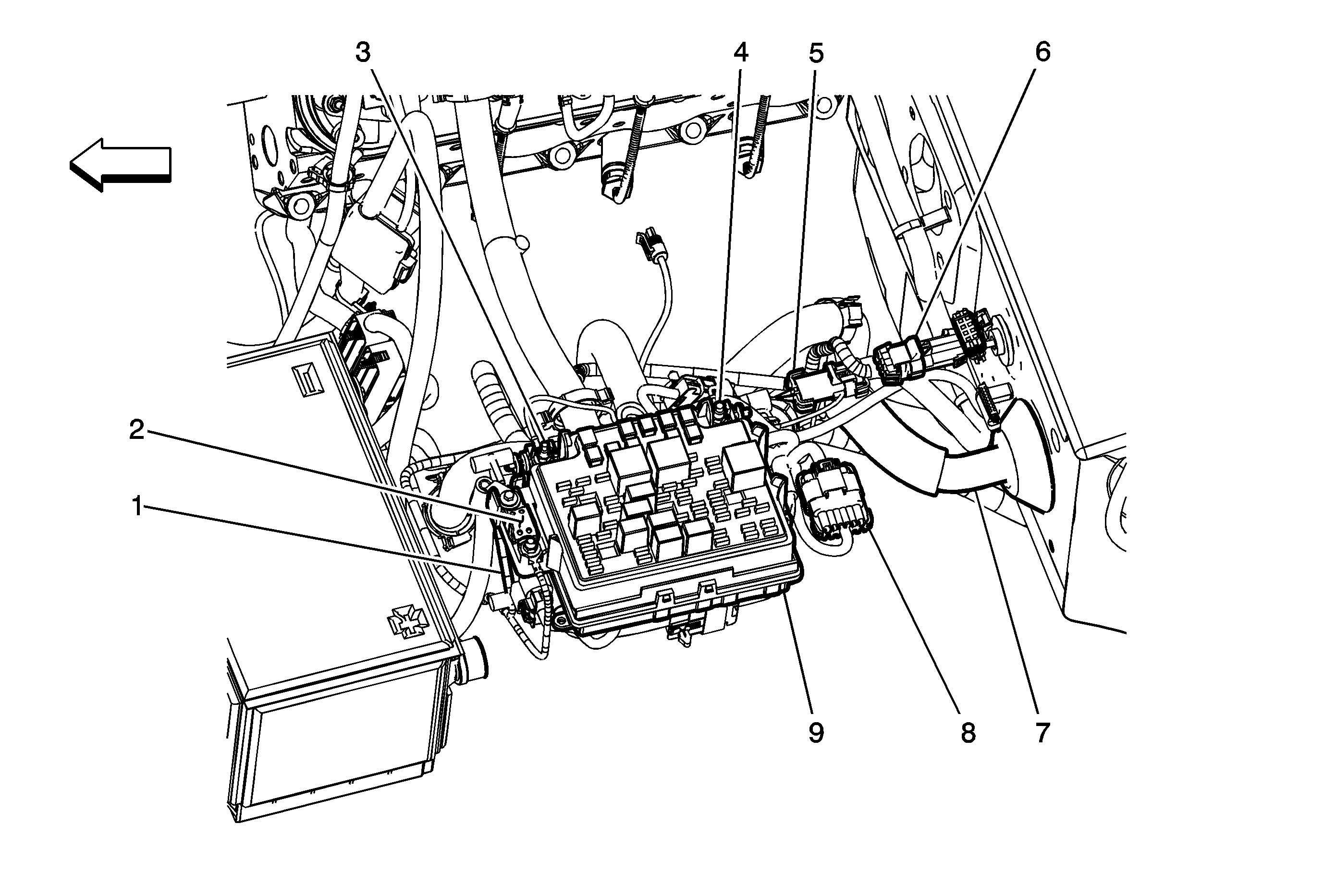
| Figure 17: |
Fuse Block Underhood, C102, C107, and C108
|
| Figure 18: |
C103
|
| Figure 19: |
C105 and C106
|
| Figure 20: |
C115
|
| Figure 21: |
C148
|
| Figure 22: |
C158
|
| Figure 23: |
C175
|
| Figure 24: |
C200, C201 and Splice Pack SP207
|
| Figure 25: |
C202 and C203
|
| Figure 26: |
C210
|
| Figure 27: |
Behind Right Side Kick Panel
|
| Figure 28: |
C310-LR Shown-RR Similar
|
| Figure 29: |
C320 and C380
|
| Figure 30: |
C325-Driver Shown-Passenger Similar
|
| Figure 31: |
C325,C326,C327,C328,C329 and C330-Driver Seat Inlines
|
| Figure 32: |
C333
|
| Figure 33: |
C350
|
| Figure 34: |
C355
|
| Figure 35: |
C375,C376 and C377
|
| Figure 36: |
C378
|
| Figure 37: |
C390
|
| Figure 38: |
C420
|
| Figure 39: |
C450, C451, and G402
|
| Figure 40: |
C900
|
| Figure 41: |
Splice S100
|
| Figure 42: |
Splice S101
|
| Figure 43: |
Splice S102
|
| Figure 44: |
Splices S301, S302 and S305
|
| Figure 45: |
S304
|
| Figure 46: |
Splice S303 and S345
|
| Figure 47: |
Splices S350 and S351
|
| Figure 48: |
S391 and S392
|
| Figure 49: |
Splices S900, S901 and S902
|