GM Service Manual Online
For 1990-2009 cars only
Makes
🢒
HUMMER
🢒
2007
🢒
H2
🢒
Seats
🢒
Power Seats
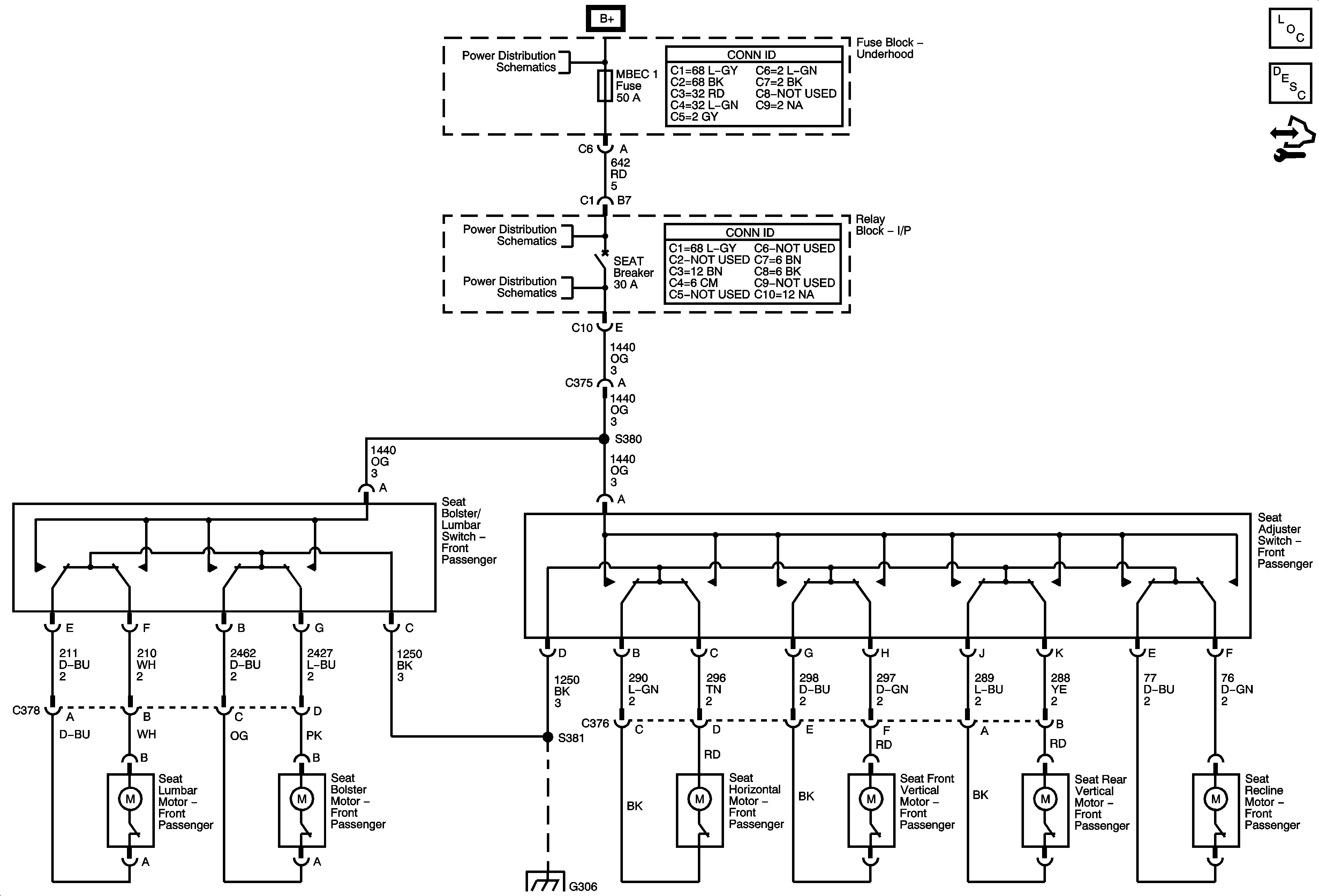
🢒 Passenger Seat Schematics
Seat Position
Master Electrical Component List
Power Seats System Description and Operation
Control Module References
B+ Bus
ABS, BLOWER, MBEC, STUD 1, STUD2, and VESE/ECAS Fuses and RT DOORS and SEATS Circuit Breakers