GM Service Manual Online
For 1990-2009 cars only
Makes
🢒
HUMMER
🢒
2007
🢒
H2
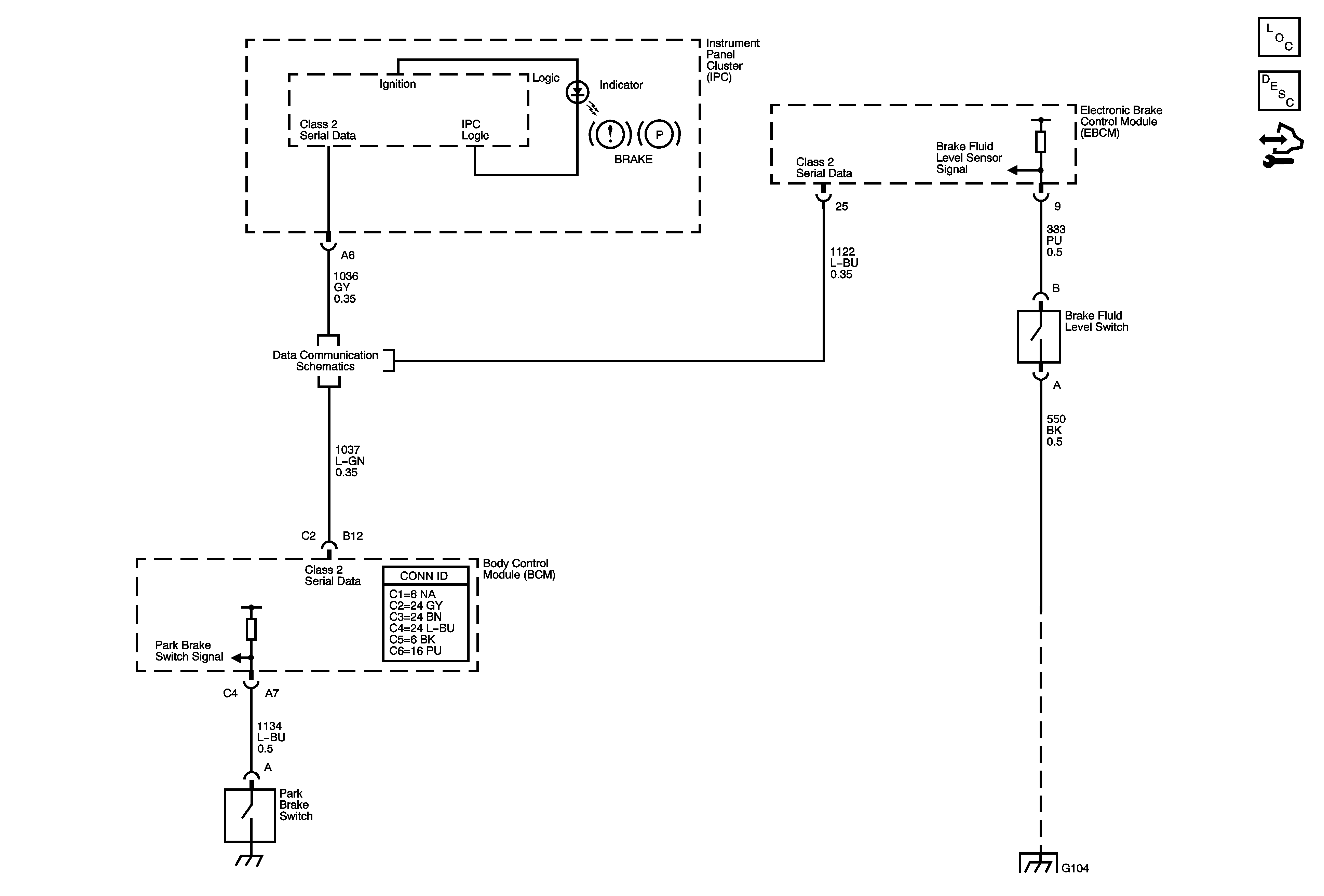
🢒 Brake Warning System Schematics
Brake Warning System Schematics
Master Electrical Component List
ABS Description and Operation
Control Module References
Power, Ground, DLC and Splice Pack SP205
G104 and G106