GM Service Manual Online
For 1990-2009 cars only
Makes
🢒
HUMMER
🢒
2007
🢒
H2
🢒 Power, Ground, and Serial Data
Power, Ground, and Serial Data
Power, Ground, and Serial Data
Master Electrical Component List
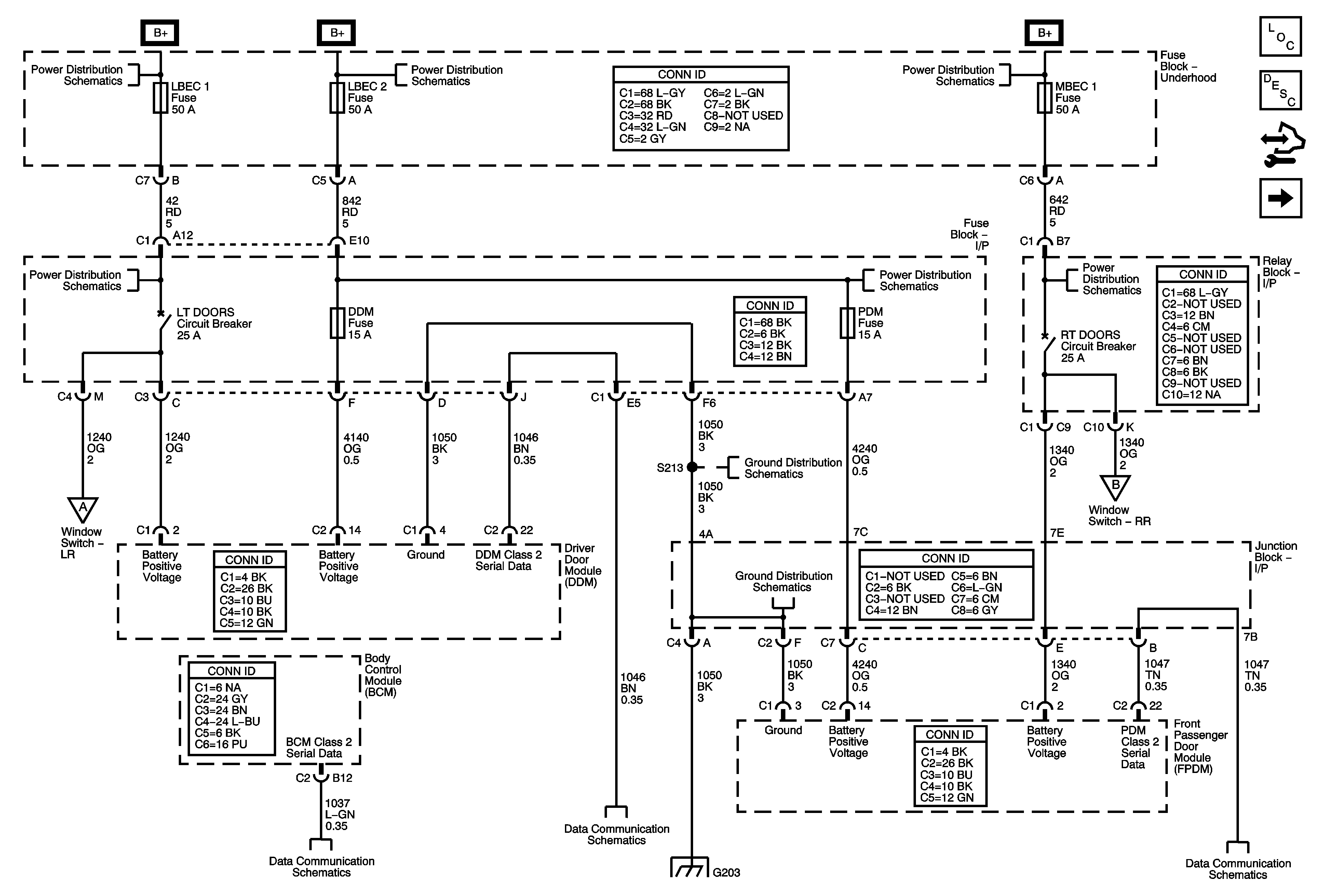
Power Windows Description and Operation
Control Module References
Front Door Windows
B+ Bus
B+ Bus
B+ Bus
ABS, BLOWER, MBEC, STUD 1, STUD2, and VESE/ECAS Fuses and RT DOORS and SEATS Circuit Breakers
DDM, INFO, LBEC1, LBEC2, LGATE, LOCKS, PDM, TBC 2A, TBC 2B, and TBC 2C Fuses and LEFT DOOR and MIDGATE Circuit Breakers
DDM, INFO, LBEC1, LBEC2, LGATE, LOCKS, PDM, TBC 2A, TBC 2B, and TBC 2C Fuses and LEFT DOOR and MIDGATE Circuit Breakers
Rear Door Windows
G203 - 2 of 3
Rear Door Windows
G203 - 1 of 3
Power, Ground, DLC and Splice Pack SP205
G203 - 1 of 3
Power, Ground, DLC and Splice Pack SP205
Power, Ground, DLC and Splice Pack SP205