GM Service Manual Online
For 1990-2009 cars only
Makes
🢒
HUMMER
🢒
2007
🢒
H2
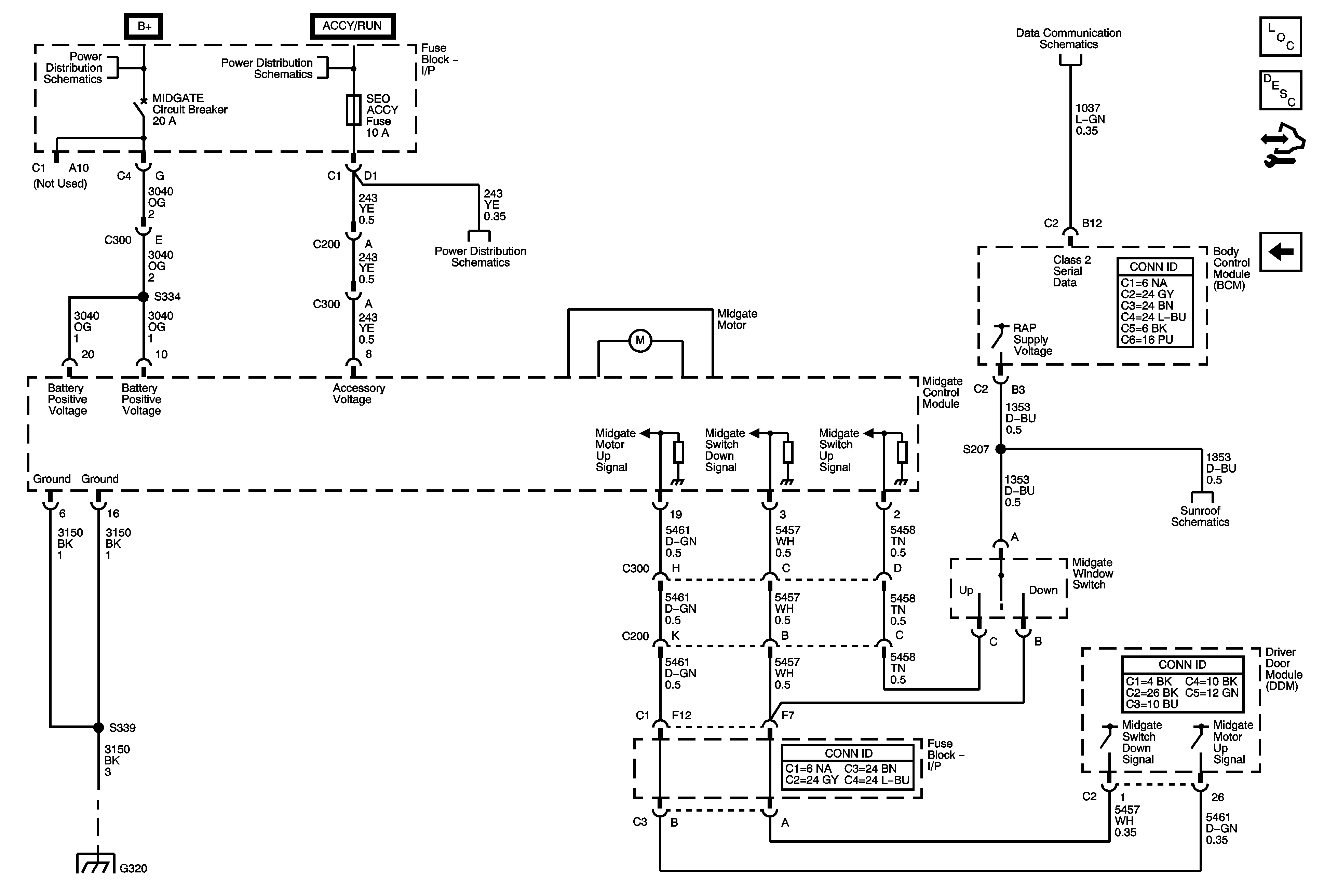
🢒 Midgate Window
Midgate Window
Midgate Window
Master Electrical Component List
Power Windows Description and Operation
Control Module References
Rear Door Windows
DDM, INFO, LBEC1, LBEC2, LGATE, LOCKS, PDM, TBC 2A, TBC 2B, and TBC 2C Fuses and LEFT DOOR and MIDGATE Circuit Breakers
Ignition Switch - ACCY/RUN and RUN/START Bus Bars, and IGN B Fuse
IGN 0, RR WPR, SEO ACCY, TBC ACCY, TBC IGN 0, and WS WPR Fuses
Power, Ground, DLC and Splice Pack SP205
Sunroof Schematics
G320 - SUT