GM Service Manual Online
For 1990-2009 cars only
Makes
🢒
HUMMER
🢒
2007
🢒
H2
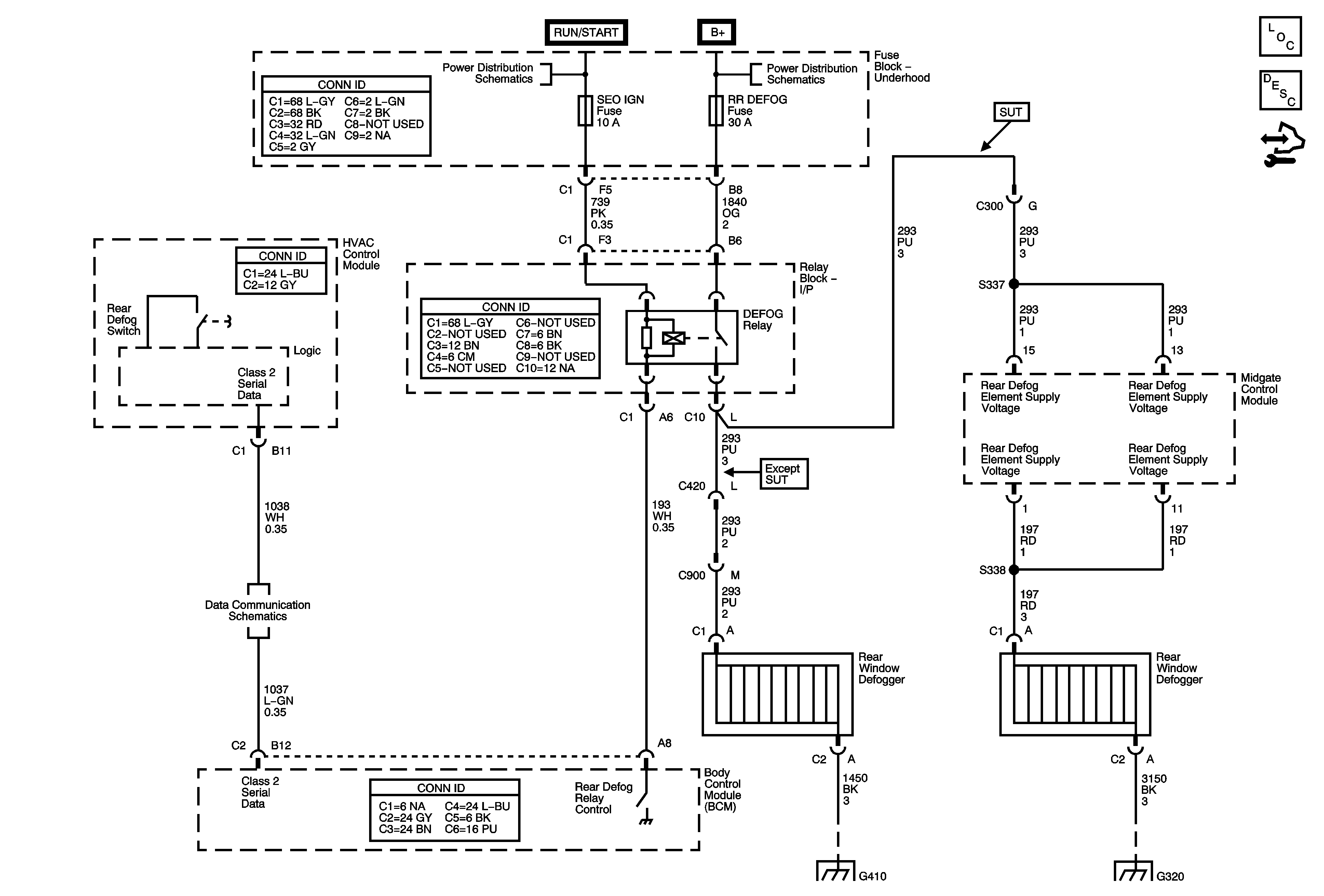
🢒 Defogger Schematics
Defogger Schematics
Master Electrical Component List
Rear Window Defogger Description and Operation
Control Module References
Ignition Switch - ACCY/RUN and RUN/START Bus Bars, and IGN B Fuse
B+ Bus
G320 - SUT
G402, G405, and G410
Power, Ground, DLC and Splice Pack SP205