GM Service Manual Online
For 1990-2009 cars only
Makes
🢒
HUMMER
🢒
2007
🢒
H2
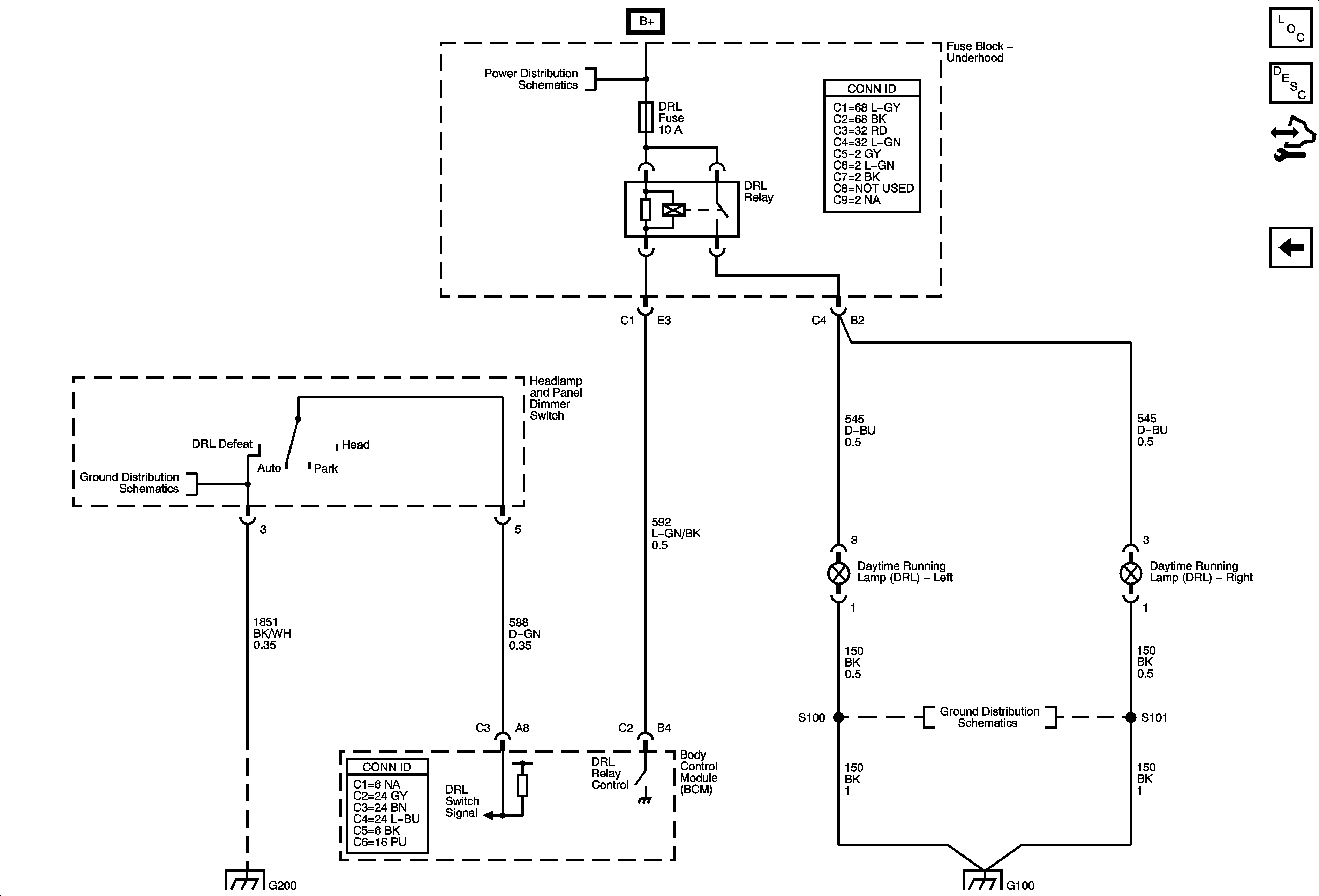
🢒 Daytime Running Lamps
Daytime Running Lamps
Daytime Running Lamps (DRL)
Master Electrical Component List
Exterior Lighting Systems Description and Operation
Control Module References
Headlamps
G200
B+ Bus
G100 and G105
G100 and G105
G200