GM Service Manual Online
For 1990-2009 cars only
Makes
🢒
HUMMER
🢒
2007
🢒
H2
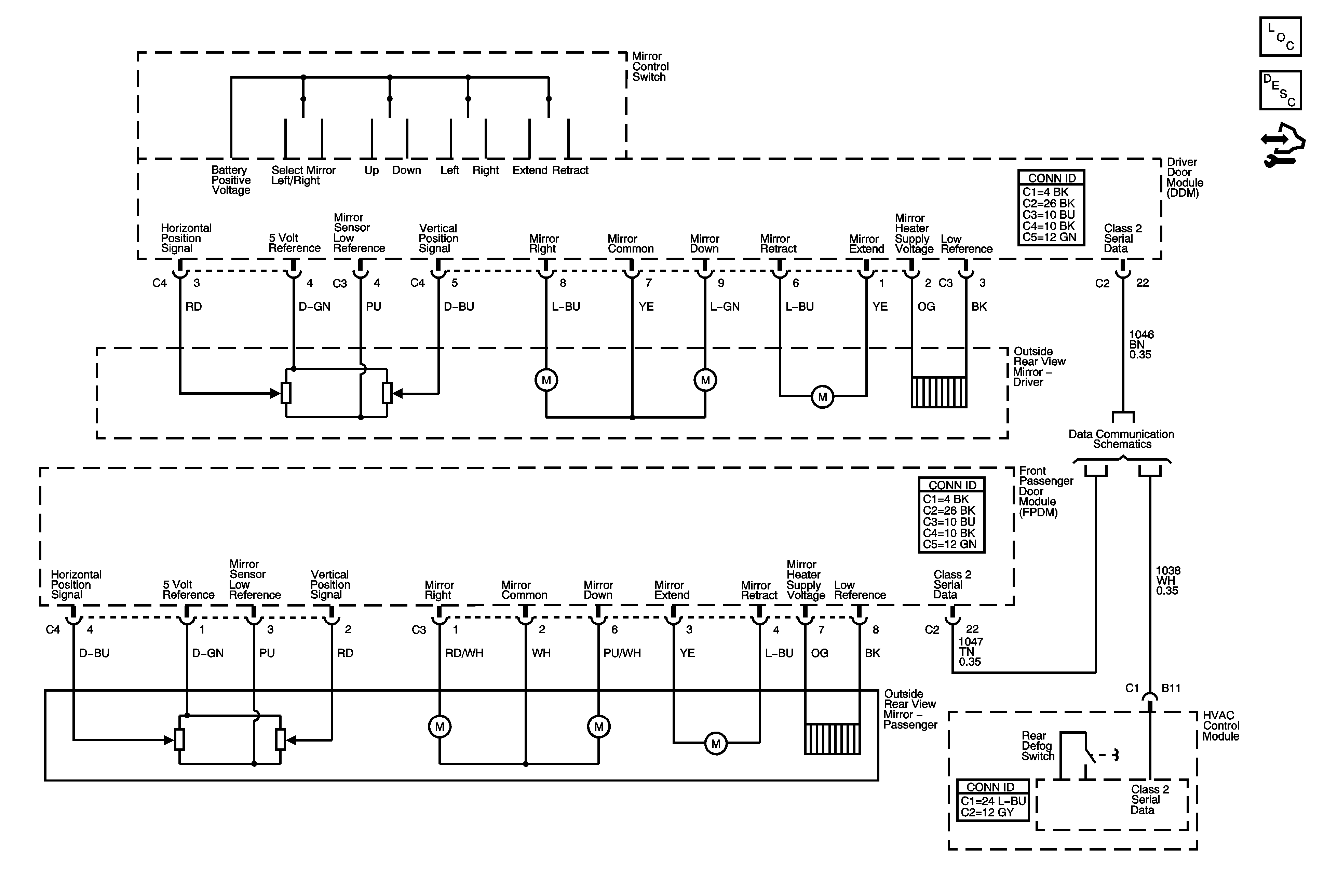
🢒 Outside Rearview Mirror Schematics
Outside Rearview Mirror Schematics