GM Service Manual Online
For 1990-2009 cars only
Makes
🢒
HUMMER
🢒
2007
🢒
H2
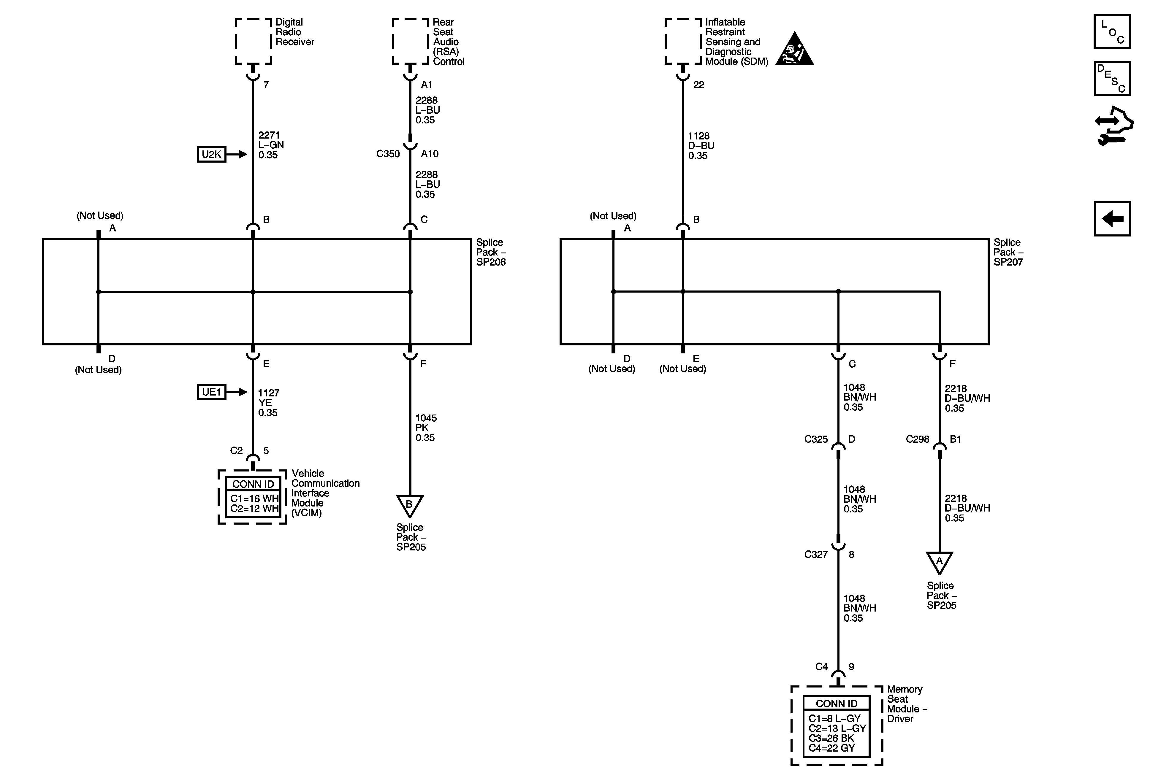
🢒 SP206 and SP207
SP206 and SP207
SP206 and SP207
Master Electrical Component List
Data Link Communications Description and Operation
Control Module References
Power, Ground, DLC and Splice Pack SP205
Data Communication Schematic Icons
Power, Ground, DLC and Splice Pack SP205
Power, Ground, DLC and Splice Pack SP205