GM Service Manual Online
For 1990-2009 cars only
Makes
🢒
HUMMER
🢒
2007
🢒
H2
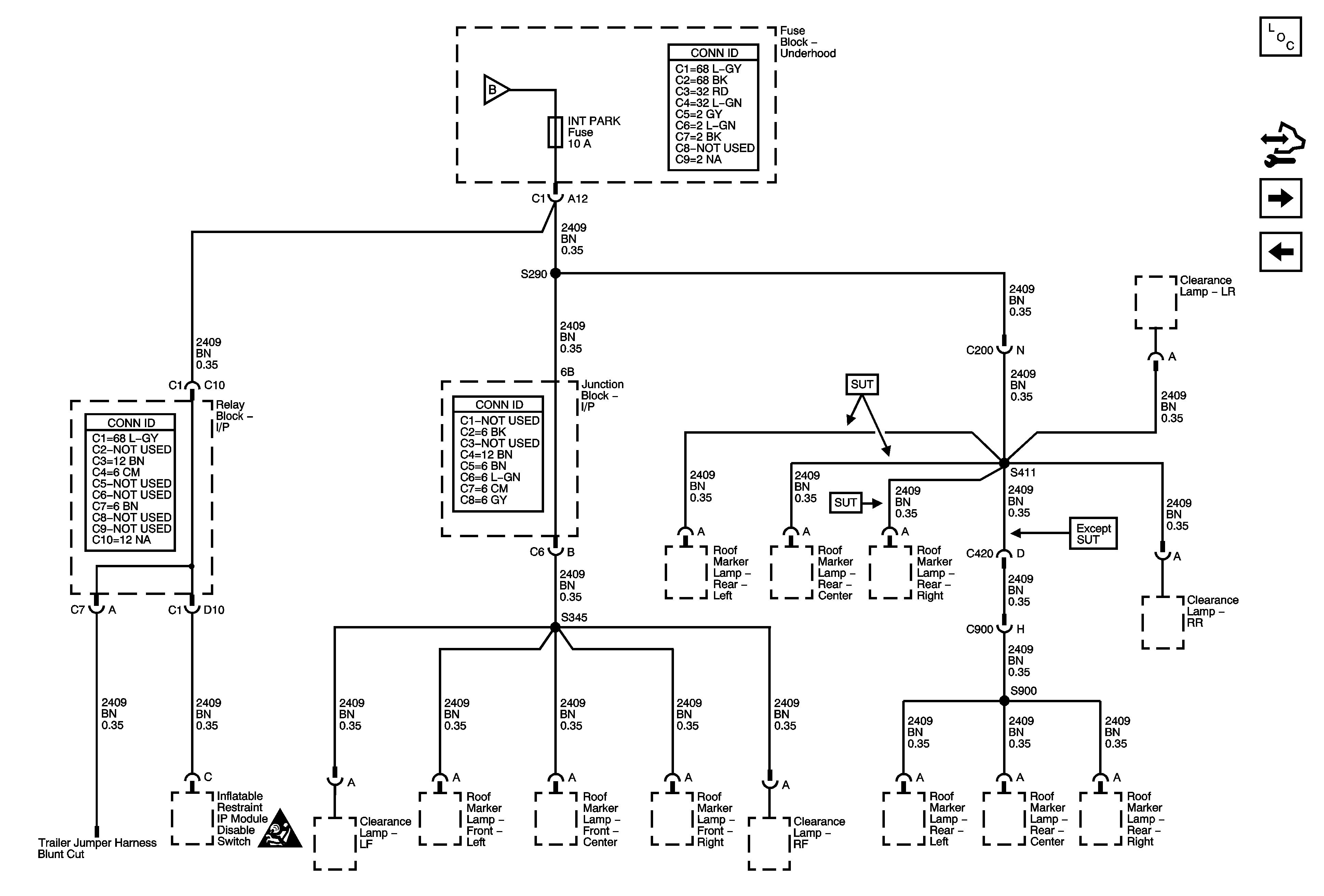
🢒 INT PARK Fuses
INT PARK Fuses
INT PARK Fuse
Master Electrical Component List
Control Module References
Ignition Switch - ACY/RUN/START, RUN and Start Bus Bars, and CRANK and IGN A Fuses
FRT PARK, LR PARK, RR PARK, and TRL PARK Fuses
FRT PARK, LR PARK, RR PARK, and TRL PARK Fuses
Power and Grounding Schematic Icons