GM Service Manual Online
For 1990-2009 cars only
Makes
🢒
HUMMER
🢒
2007
🢒
H2
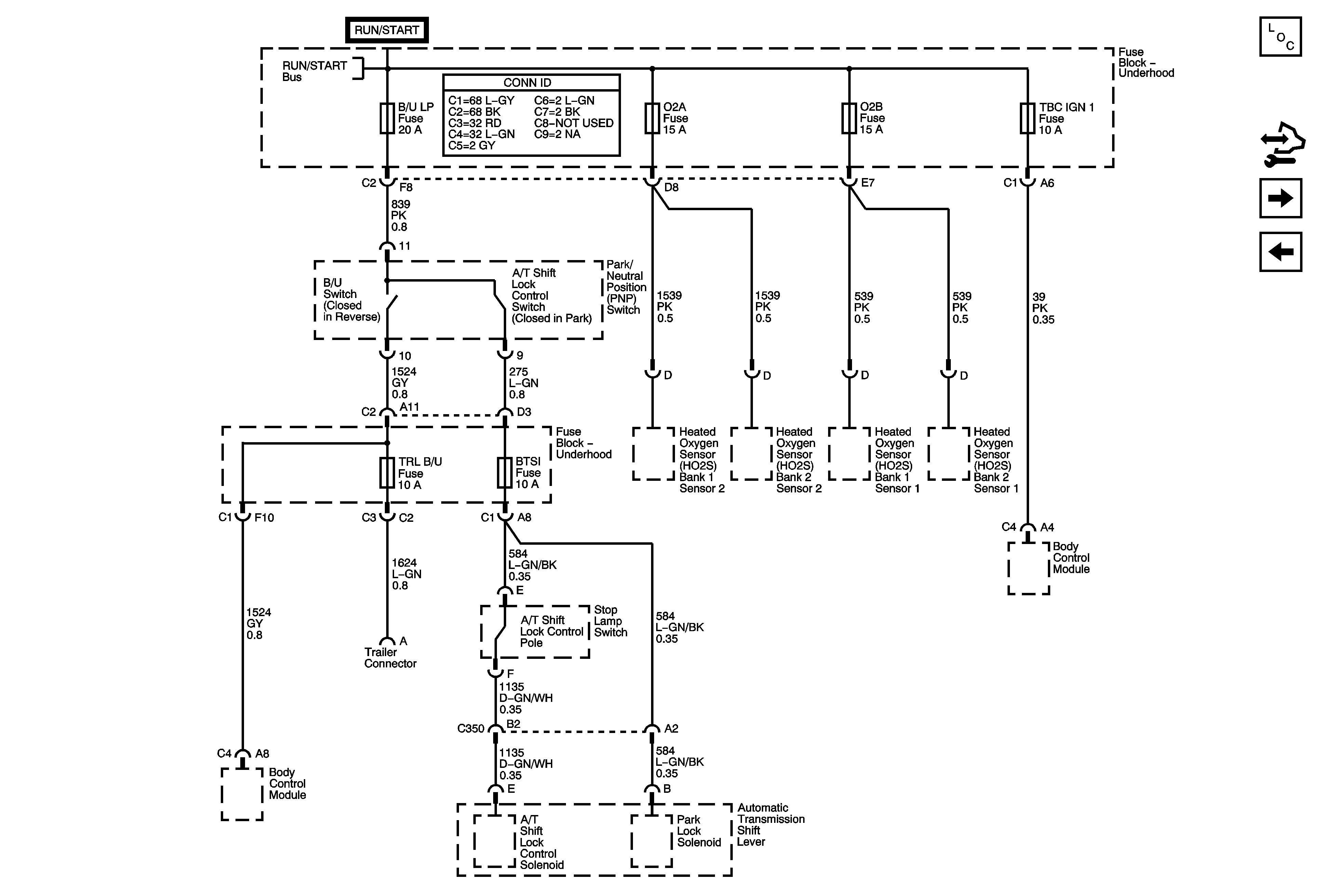
🢒 B/U LP, BTSI, O2A, O2B, TBC IGN1, and TRL B/U Fuses
B/U LP, BTSI, O2A, O2B, TBC IGN1, and TRL B/U Fuses
B/U LP, BTSI, 02A, 02B, TBC IGN1, and TRL B/U Fuses
Master Electrical Component List
Control Module References
IGN E, SEO IGN, and SIR Fuses
Ignition Switch - ACCY/RUN and RUN/START Bus Bars, and IGN B Fuse
Ignition Switch - ACCY/RUN and RUN/START Bus Bars, and IGN B Fuse