GM Service Manual Online
For 1990-2009 cars only
Figure 1:

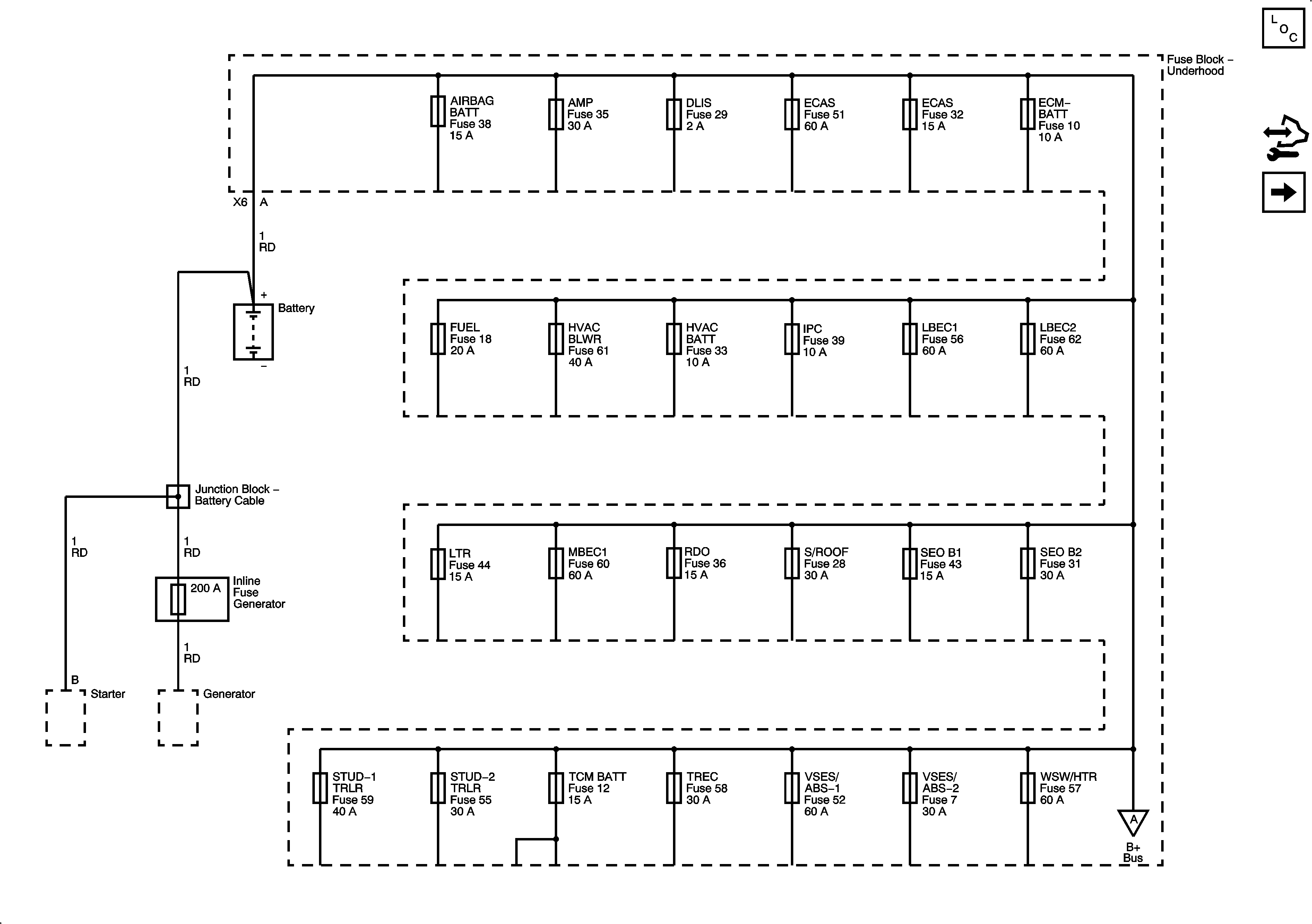
Battery Supply


Object Number: 1954646  Size: FS
Master Electrical Component List
Control Module References
B+ Bus 1 of 5
Figure 2:

B+ Bus 1 of 5


Object Number: 1954650  Size: FS
Master Electrical Component List
Control Module References
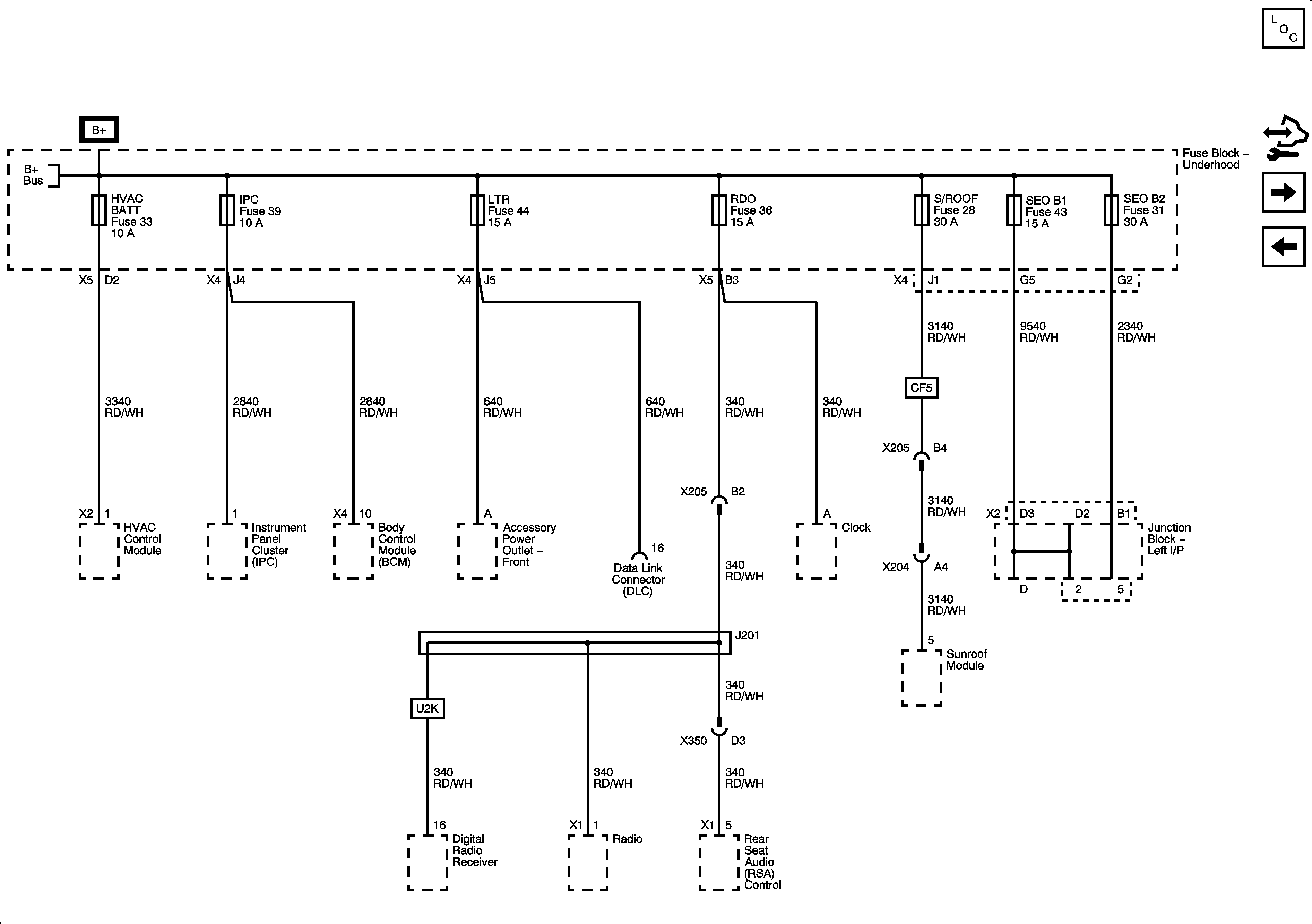
B+ Bus 2 of 5
Battery Supply
Figure 3:

B+ Bus 2 of 5


Object Number: 1954651  Size: FS
Master Electrical Component List
Control Module References
B+ Bus 3 of 5
B+ Bus 1 of 5
Figure 4:

B+ Bus 3 of 5


Object Number: 1954654  Size: FS
Master Electrical Component List
Control Module References
B+ Bus 4 of 5
B+ Bus 2 of 5
Figure 5:

B+ Bus 4 of 5


Object Number: 1954656  Size: FS
Master Electrical Component List
Control Module References
B+ Bus 5 of 5
B+ Bus 3 of 5
Figure 6:

B+ Bus 5 of 5


Object Number: 1954657  Size: FS
Master Electrical Component List
Control Module References
LBEC, BCM, DIM, RT STOP TURN, CTSY, REAR HVAC, DSM, DDM Fuses
B+ Bus 4 of 5
Figure 7:

LBEC, BCM, DIM, RT STOP TURN, CTSY, REAR HVAC, DSM, DDM Fuses


Object Number: 1954658  Size: FS
Master Electrical Component List
Control Module References
LBEC 2, AUX PWR 2, REAR WIPER, UGDO, STOP LAMP, LT STOP TURN, INT LTS Fuses and LOCK/UNLOCK PCB Relay
B+ Bus 5 of 5
Figure 8:

LBEC 2, AUX PWR 2, REAR WIPER, UGDO, STOP LAMP, LT STOP TURN, INT LTS Fuses and LOCK/UNLOCK PCB Relay


Object Number: 1954694  Size: FS
Master Electrical Component List
Control Module References
PDM, INFO, ONSTAR, REAR SEAT, AUX PWR Fuses and LT DR Circuit Breaker
LBEC, BCM, DIM, RT STOP TURN, CTSY, REAR HVAC, DSM, DDM Fuses
Figure 9:

PDM, INFO, ONSTAR, REAR SEAT, AUX PWR Fuses and LT DR Circuit Breaker


Object Number: 1954696  Size: FS
Master Electrical Component List
Control Module References
MBEC 1 Fuse and P SEAT 1, RT DOORS, D SEAT 2 and MGATE Circuit Breakers
LBEC 2, AUX PWR 2, REAR WIPER, UGDO, STOP LAMP, LT STOP TURN, INT LTS Fuses and LOCK/UNLOCK PCB Relay
Figure 10:

MBEC 1 Fuse and P SEAT 1, RT DOORS, D SEAT 2 and MGATE Circuit Breakers


Object Number: 1954699  Size: FS
Master Electrical Component List
Control Module References
DRL, LO HDLP-LT, LO HDLLP-RT, HI HDLP-RT, HI HDLP-LT, TRLR STOP LT and TRLR STOP RT Fuses
PDM, INFO, ONSTAR, REAR SEAT, AUX PWR Fuses and LT DR Circuit Breaker
Figure 11:

DRL, LO HDLP-LT, LO HDLP-RT, HI HDLP-RT, HIHDLP-LT, TRLR STOP LT and TRLR STOP RT Fuses


Object Number: 1954701  Size: FS
Master Electrical Component List
Control Module References
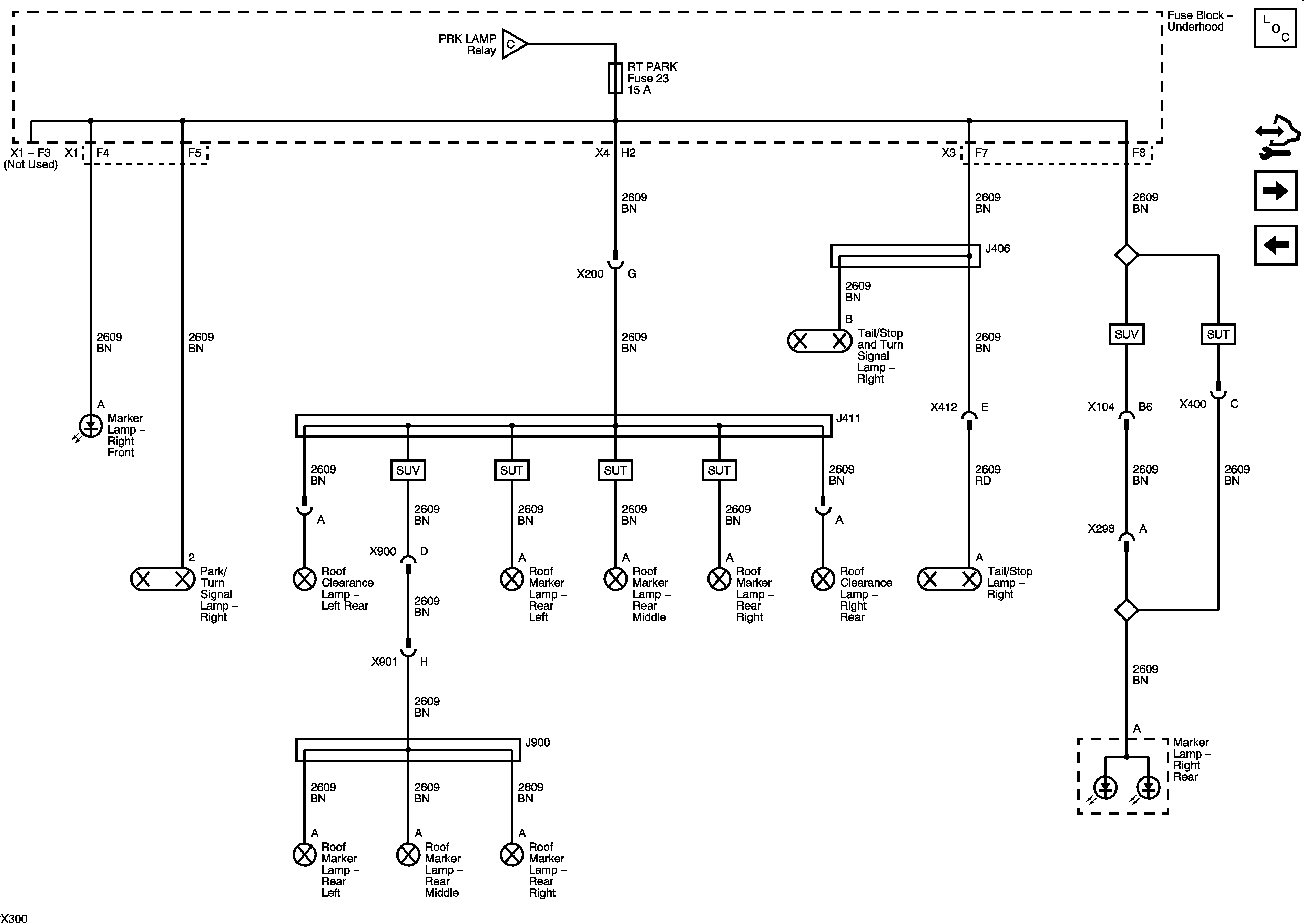
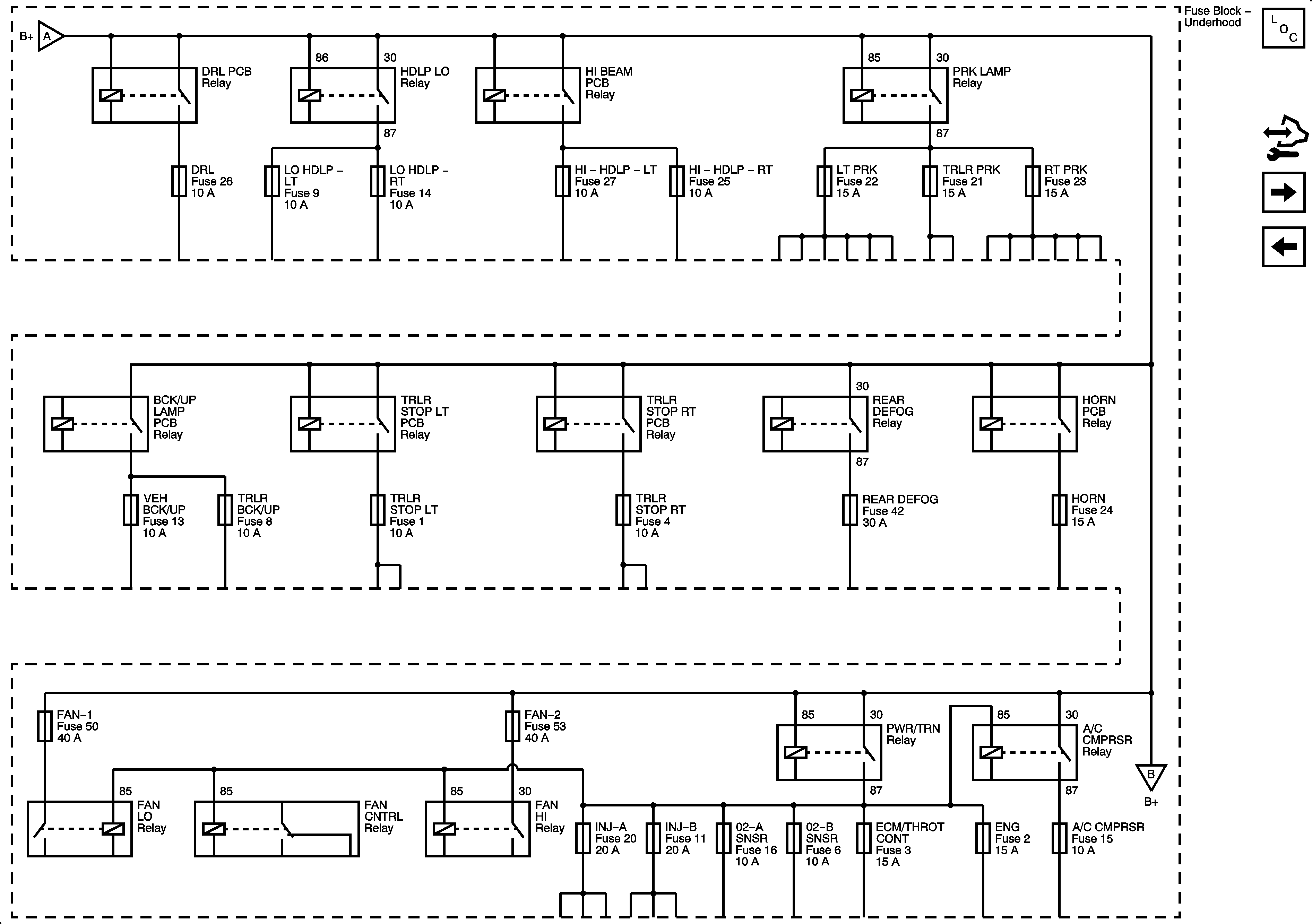
PRK LAMP Relay, LT PARK and TRLR PARK Fuses
MBEC 1 Fuse and P SEAT 1, RT DOORS, D SEAT 2 and MGATE Circuit Breakers
Figure 12:

PRK LAMP Relay, LT PARK and TRLR PARK Fuses


Object Number: 1954705  Size: FS
Master Electrical Component List
Control Module References
RT Park Fuse
DRL, LO HDLP-LT, LO HDLLP-RT, HI HDLP-RT, HI HDLP-LT, TRLR STOP LT and TRLR STOP RT Fuses
Figure 13:

RT PARK Fuse


Object Number: 1954723  Size: FS
Master Electrical Component List
Control Module References
VEH BCK/UP, HORN and REAR DEFOG Fuses
PRK LAMP Relay, LT PARK and TRLR PARK Fuses
Figure 14:

VEH BCK/UP, HORN and REAR DEFOG Fuses


Object Number: 1954734  Size: FS
Master Electrical Component List
Control Module References
DLIS Fuse and RUN/ACCY Relay
RT Park Fuse
Figure 15:

DLIS Fuse and RUN/ACCY Relay


Object Number: 1954738  Size: FS
Master Electrical Component List
Control Module References
O2-A, O2-B, INJ-A, INJ-B Fuses and PWR/TRN Relay
VEH BCK/UP, HORN and REAR DEFOG Fuses
Figure 16:

O2-A, O2-B, INJ-A, INJ-B Fuses and PWR/TRN Relay


Object Number: 1954749  Size: FS
Master Electrical Component List
Control Module References
ECM/THROT CNTRL, ENG A/C CMPRSR, FRT WSW and REAR WSW Fuses
DLIS Fuse and RUN/ACCY Relay
Figure 17:

ECM/THROT CNTRL, ENG A/C CMPRSR, FRT WSW and REAR WSW Fuses


Object Number: 1954751  Size: FS
Master Electrical Component List
Control Module References
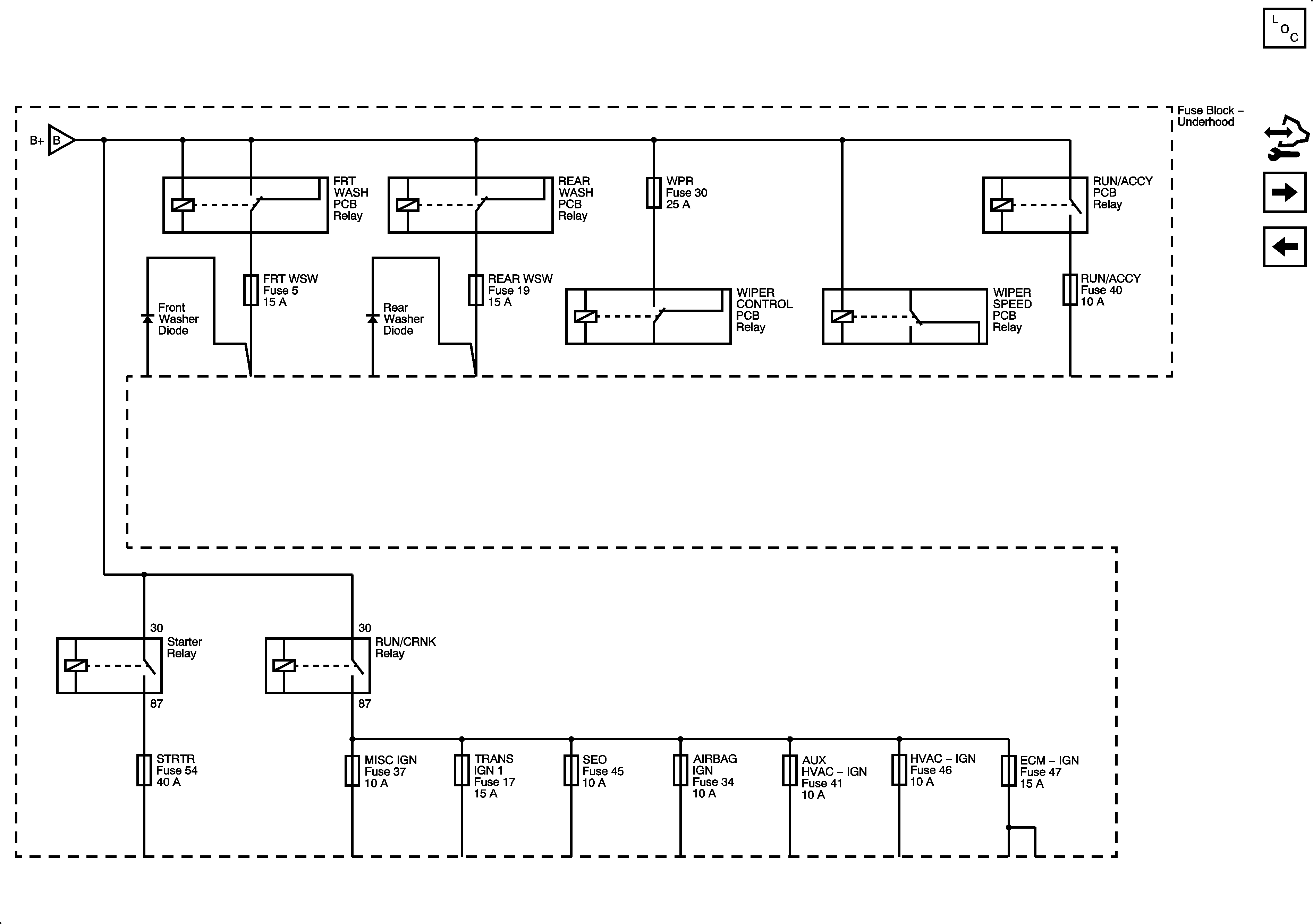
FRT WSW, REAR WSW, STRTR, MISC IGN and SEO Fuses
O2-A, O2-B, INJ-A, INJ-B Fuses and PWR/TRN Relay
Figure 18:

FRT WSW, REAR WSW, STRTR, MISC IGN and SEO Fuses


Object Number: 1954755  Size: FS
Master Electrical Component List
Control Module References
TRANS IGN 1, ECM-IGN, AIRBAG IGN, AUX HVAC-IGN and HVAC-IGN Fuses
ECM/THROT CNTRL, ENG A/C CMPRSR, FRT WSW and REAR WSW Fuses
Figure 19:

TRANS IGN 1, ECM-IGN, AIRBAG IGN, AUX HVAC-IGN and HVAC-IGN Fuses


Object Number: 1954770  Size: FS
Master Electrical Component List
Control Module References
FRT WSW, REAR WSW, STRTR, MISC IGN and SEO Fuses